B72_img_01_2023_07_DE_depsd.png
Actuator LM24A-SR-F TR with auxiliary switch S2A TR
RN_img_03psd.png
CAV controller variant RN, with actuator for switching between setpoint values

RN with actuator

img_pro_000445.png
Actuator for switching between setpoint values

EN (Generation 2) with actuator

B72_img_01_2023_07_DE_depsd.png
RN_img_03psd.png
img_pro_000445.png

B72

For motorised setpoint value adjustment on CAV terminal units and flow adjustment dampers, e.g. switching between qvmin and qvmax

Actuators for mechanically automatic CAV terminal units of the types EN, RN, VFC and flow adjustment damper of the type RN as well as the older version of the EN type (Generation 2)

  • Motorised, variable setpoint adjustment on the CAV terminal unit
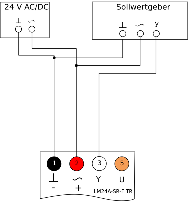
  • 24 V AC/DC supply voltage
  • Control input signal: Voltage signal 2 – 10 V DC
  • Specification of setpoint value range by mechanical stops
  • Positive lock connection with CAV terminal unit
  • With potential-free auxiliary switches for end position monitoring
  • Retrofit possible

General information

Application

  • Variable setpoint adjustment for mechanically automatic CAV terminal unit RN
  • Variable setpoint adjustment for mechanically automatic CAV terminal unit EN in generation 2 (with setpoint adjustment on angle scale)
  • Variable control: Setpoint signal 2 - 10 V DC, corresponds to the total angle of rotation (0 - 95°)
  • Min-max switching (2-point operation) with alternative wiring possible
  • Working range min-max mechanically adjustable


Application (auxiliary switch)

  • Auxiliary switch S2A for capturing damper blade positions (positions reached through actuator)
  • Volt-free contacts for signalling or activating switch functions
  • Two integrated switches, for example setpoint value min and max


Variants

  • B72 modulating actuator with additional auxiliary switch

  • Alternatively:
    • B70 modulating actuator without auxiliary switch


Parts and characteristics

  • Overload-proof actuator LM24A-SR-F TR
  • Release button to allow for manual operation
  • Positive lock connection with the scale adjustment
  • Mechanical stops for setting the volume flow rate setpoints
  • Switch for reversing the direction of the drive
  • 24 V AC/DC supply voltage
  • Setpoint and position signal 2 - 10 V DC (related to 0 - 95°)
  • Factory-fitted auxiliary switch S2A, adjustment by potentiometer


Commissioning

  • Set the mechanical stops according to the minimum and maximum volume flow rates
  • For further information on setting and control, see installation manual, e.g. CAV terminal unit RN

Technical information

Function, Technical data, Specification text, Order code

  • FUNCTION
  • TECHNICAL DATA
  • SPECIFICATION TEXT
  • ORDER CODE
LM24A-SR-F TR with auxiliary switch S2A TR B72_08_gc_2023_DE_desvg.png

1 Rotary knobs for setting the auxiliary switch
2 Auxiliary switches S2A TR (factory-fitted on actuator)
3 Connecting cable auxiliary switch S2A
4 Gear release
5 Control component LM24A-SR-F TR
6 Connecting cable control component LM24A-SR-F TR

Actuators for CAV terminal units make it possible to motorise the setpoint adjustment, which would otherwise have to be carried out manually on the setting scale.
For this purpose, the actuator B70, B72 moves the scale adjustment variably between a minimum
and a maximum position.

The setpoint adjustment on the scale is controlled by a 2 - 10 V DC voltage signal.
In the B70/B72 actuator, this voltage signal is mapped to the entire angle of rotation 0 - 95° of the actuator.

The scale range to be used for the setpoint specification must be determined during commissioning of the CAV controller using mechanical stops.
This limits the scale range that can actually be used.
The level of the setpoint signal must be adjusted to the mechanically selected angle range.

The 2 - 10 V DC output signal of the CAV actuator is merely a position feedback and not a volume flow rate actual value.
The output signal is mapped to the entire rotation angle 0 - 95° of the actuator.

In the B72 variant, two individual setpoint positions can be defined on site using auxiliary switch S2A and as switching contacts
be read out electrically.

Actuators for air terminal units of the types RN and EN (Generation 2)

Order code detailActuatorAuxiliary switch
Part numberTypeSupply voltagePart numberType

B72

M466DT6LM24A-SR-F TR24 V AC/DC

MM536AI3

S2A TR

,

Actuator LM24A-SR-F

Supply voltage (AC)24 V AC ± 20%, 50/60 Hz
Supply voltage (DC)24 V DC ± 20 %
Power consumption operation1 W
Power consumption – when idle0.4 W
Power rating for cable sizing2 VA
Control signal2 – 10 V DC, Ra > 100 kΩ
Position feedback2 – 10 V DC, 1 mA
Torque5 Nm
Runtime for 90°150 s
Connecting cable

4 × 0.75 mm², approx. 1 m long

IEC protection classIII (Protective extra-low voltage)
Protection levelIP 54
EC conformityEMC according to 2014/30/EU, RoHS according to 2011/65/EU

Operating temperature (depends on the operating range of the control unit)

10 – 50 °C

Weight0.5 kg

,

Auxiliary switch S2A

Type of contact2 changeover contact *1
Max. switching voltage (AC)250 V AC
Max. switching current (AC)3 A (resistive load); 0.5 A (inductive load)
Max. switching voltage (DC)110 V DC
Max. switching current (DC)0.5 A (resistive load); 0.2 A (inductive load)
Connecting cable6 × 0.75 mm², 1 m long
IEC protection classII (protective insulation)
Protection levelIP 54
EC conformityEMC according to 2014/30/EU, low voltage according to 2014/35/EU, RoHS according to 2011/65/EU

Operating temperature (depends on the operating range of the control unit)

10 – 50 °C

Weight0.250 kg

1) If both auxiliary switches are used, the switching voltages must be the same

Category

  • Continuous actuator with auxiliary switches


Application

  • Variable setpoint specification for constant volume flow controllers with capturing of the end positions


Supply voltage

  • 24 V AC/DC


Interface/signalling

  • 2 – 10 V DC for setpoint position
  • 1-wire control for min/max position
  • 2-wire control for min/max position


Connection

  • 4-wire connecting cable (actuator)
  • 6-core connection cable (auxiliary switch)


Interface information

  • Min / Max setpoint position can be set on site with mechanical stops


Hilfsschalter

  • Switch contacts for monitoring two positions:
    • Stop position 1 - switching position adjustable 0 - 100 %
    • Stop position 2 - switching position adjustable 0 - 100 %


Factory condition

  • Actuator and auxiliary switch factory-mounted on CAV terminal unit


NR-VAVRN-B72
| |
1 2
1 Type
NR-VAV Retrofit kit




2 Variant
RN-B72 modulating actuator 24 V AC/DC with auxiliary switch for CAV terminal unit RN
EN-B72 modulating actuator 24 V AC/DC for CAV terminal unit EN Generation 2 (setpoint value adjustment with angle scale)


Note:
This is the order code for retrofitting the actuator for a CAV terminal unit.
As a rule, the actuator is specified in the initial order via the order code of the basic device under the section Actuator for setpoint adjustment with the order codes B72.

Kombinationen Vollbild, VARIANTS

  • VARIANTS

Downloads

product information

production {"x-frame-options"=>"SAMEORIGIN", "x-xss-protection"=>"0", "x-content-type-options"=>"nosniff", "x-permitted-cross-domain-policies"=>"none", "referrer-policy"=>"strict-origin-when-cross-origin", "strict-transport-security"=>"max-age=31536000; includeSubDomains", "content-type"=>"text/html; charset=utf-8", "link"=>"</assets/application-efbc495b06ca980ef13dc743756002fce2f413f798fecb64c7f0c81954c16402.css>; rel=preload; as=style; nopush,</assets/print-fec2e47d6d8dcc5d4c101139f17046ba981ca1c12f71e7e403fba50cc7584175.css>; rel=preload; as=style; nopush,</assets/other_js/modernizr.custom.93544-c26374a79d804901074bb4aa6fd3fa44ea22e840389915d2adce16b024021ef3.js>; rel=preload; as=script; nopush,</assets/other_js/js.cookie.min-de103d86d1919b40950f791699b4ce768137fde41af09b35ff92bde369732183.js>; rel=preload; as=script; nopush,</assets/other_js/jquery-3.5.1-2c4ce18a1a3f144c333912efc24a76c9a165a0dba9f88a499985df1af0a196a2.js>; rel=preload; as=script; nopush"}

Share page

Recommend this page

Recommend this page by sending a link by mail.

Fields marked with an (*) are required fields.

Share page

Thank you for your recommendation!

Your recommendation has been sent and should arrive shortly.

Contact

We are here for you

Please specify your message and type of request
Tel.: +49 (0)2845 / 202-0 | Fax: +49 (0)2845/202-265

Attachment (max. 10MB)

Fields marked with an (*) are required fields.

Contact

Thank you for your message!

Your message is send and will be processed shortly.
Our department for Service-Requests will contact you asap.
For general question regarding products or services you can also call:
Tel.: +49 (0)2845 / 202-0 | Fax: +49 (0)2845/202-265

Contact

We are here for you

Please specify your message and type of request
Tel.: +49 (0)2845 / 202-0 | Fax: +49 (0)2845/202-265

Attachment (max. 10MB)

Fields marked with an (*) are required fields.

Contact

Thank you for your message!

Your message is send and will be processed shortly.
Our department for Service-Requests will contact you asap.
For general question regarding products or services you can also call:
Tel.: +49 (0)2845 / 202-0 | Fax: +49 (0)2845/202-265