A00000070458psd.png
Compactregler BM0, LMV-D3-M/B TR
modbus_vektor_logo_01ai.png

Busschnittstelle Modbus RTU

BM0_Bacnetjpg.jpg

Busschnittstelle BACnet MS/TP

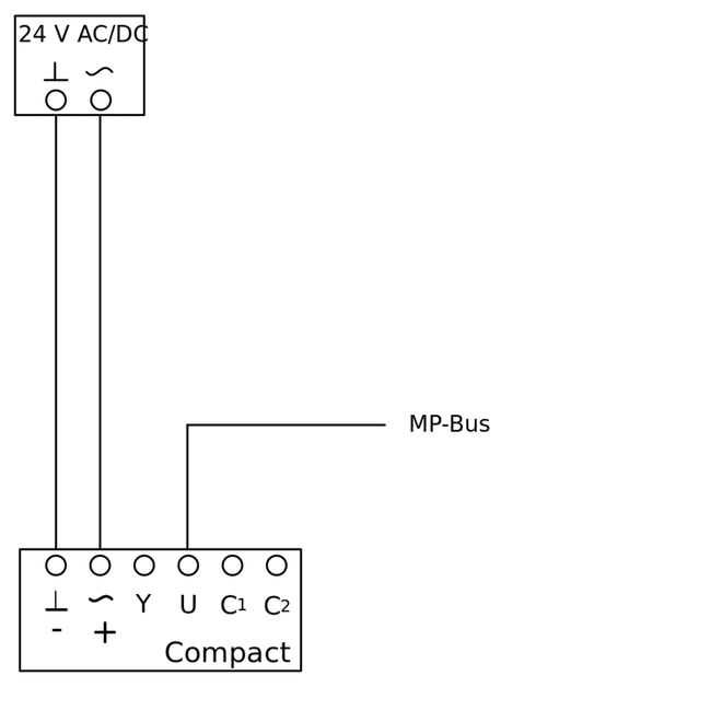
BM0_MP-Buspng.png

Busschnittstelle MP-Bus

A00000070458psd.png
modbus_vektor_logo_01ai.png
BM0_Bacnetjpg.jpg
BM0_MP-Buspng.png

BM0 - VOLUMENSTROM MP/MODBUS/BACNET

Regelkomponente mit dynamischem Transmitter und auswählbarer Busschnittstelle, Modbus RTU, BACnet MS/TP oder MP-Bus

Kompakte Baueinheit für VVS-Regelgerät TVR, TVJ, TVT, TZ-Silenzio, TA-Silenzio, TVZ, TVA, TVM

  • Regler, dynamischer Wirkdrucktransmitter und Stellantrieb in einem Gehäuse
  • Einsatz in raumlufttechnischen Anlagen, nur bei sauberer Luft
  • Volumenströme qvmin und qvmax werkseitig voreingestellt und im Regler als veränderliche Parameter gespeichert
  • Hohe Datentransparenz durch standardisierte Buskommunikation Modbus RTU, BACnet MS/TP und MP-Bus 
  • Sollwertvorgaben, Zwangssteuerungen, Parameteranpassung über Buskommunikation
  • Servicezugang für Handeinstellgeräte und PC-Konfigurationssoftware 

 

Allgemeine Informationen

Anwendung

  • Regelungstechnische Kompletteinheiten für VVS-Regelgeräte
  • Dynamischer Differenzdrucktransmitter, Reglerelektronik und Stellantrieb in einem Gehäuse vereinigt
  • Unterschiedliche Regelaufgaben durch entsprechende Sollwertvorgabe
  • Raumtemperaturregler, Gebäudeleittechnik, Luftqualitätsregler und andere steuern die variable Volumenstromregelung durch Vorgabe von Sollwerten über Kommunikationsschnittstelle oder Analogsignal
  • Zwangssteuerungen für die Aktivierung von qvmin, qvmax, Absperrung, Offenstellung über Modbus/BACnet-Register oder Schalter bzw. Relais möglich
  • Volumenstromistwert steht als Netzwerkdatenpunkt oder lineares Spannungssignal zur Verfügung
  • Klappenstellung steht als Netzwerkdatenpunkt zur Verfügung
  • Die übliche Filterung in Komfortklimaanlagen ermöglicht den Reglereinsatz in der Zuluft ohne zusätzliche Staubschutzmaßnahmen
  • Konfiguration des Reglers und der Kommunikationsparameter mit Servicetool ZTH EU und PC-Tool


Bei starkem Staubanfall in den Räumen

  • Entsprechende Abluftfilter vorschalten, da zur Volumenstrommessung ein Teilvolumenstrom durch den Transmitter geleitet wird

Bei Verschmutzung der Luft mit Staub, Flusen oder klebrigen Bestandteilen

  • Eine Anbaugruppe mit statischem Differenzdrucktransmitter verwenden, z. B. BUSN


Regelkonzept

  • Volumenstromregler arbeitet kanaldruckunabhängig
  • Druckschwankungen bewirken keine bleibenden Volumenstromabweichungen
  • Eine Totzone (Hysterese), innerhalb der die Stellklappe nicht bewegt wird, sorgt für stabile Regelung
  • Volumenstrombereich werkseitig im Regler parametriert (qvmin: minimaler Volumenstrom, qvmax: maximaler Volumenstrom)
  • Betriebsparameter werden per Bestellschlüssel festgelegt und werkseitig parametriert


Betriebsarten

  • Variabler Betrieb (V): Sollwertvorgabe über Modbus


Schnittstelle

Kommunikationsschnittstelle

  • Modbus RTU, RS485 (Werkseinstellung)
  • BACnet MS/TP, RS485
  • MP-Bus
  • Datenpunkte siehe Buslisten

Alternativ

  • Analogschnittstelle mit einstellbarem Signalspannungsbereich
  • Analogsignal für Volumenstromsollwert
  • Analogsignal für Volumenstromistwert (Werkseinstellung)

Hinweis

  • Schnittstellentyp werkseitig voreingestellt
  • Bauseitig durch Servicetools einstellbar


Signalspannungsbereiche

Bei Nutzung der Analogschnittstelle (über Servicetool einstellbar)

  • 0 – 10 V DC
  • 2 – 10 V DC


Bauteile und Eigenschaften

  • Transmitter nach dynamischem Messprinzip
  • Überlastsicherer Antrieb
  • Vorinstallierte Anschlussleitung am Regler
  • Serviceschnittstelle zum Anschluss von Servicetools
  • Achsenklemmvorrichtung
  • Kontrollleuchten zur Erkennung des Betriebszustands
  • Speisung und Kommunikation nicht galvanisch getrennt


Betriebsparameter

  • qvmin = 0 – 100 % vom Nennvolumenstrom qvNenn einstellbar
  • qvmax = 20 – 100 % vom Nennvolumenstrom qvNenn einstellbar


Ausführung

Typ LMV-D3-M/B TR für Volumenstromregler

  • TVR, TZ-Silenzio, TA-Silenzio, TVZ, TVA, TVM

Typ NMV-D3-M/B TR für Volumenstromregler

  • TVJ
  • TVT bis 1000 × 300 bzw. 800 × 400 mm

Typ SMV-D3-M/B TR für Volumenstromregler

  • TVT ab 900 × 400 mm


Inbetriebnahme

  • Aufgrund der werkseitig eingestellten Volumenströme ist stets darauf zu achten, dass der Einbau der Regelgeräte nur an den vorgesehenen Stellen erfolgt
  • Analogschnittstelle: Analoge Ansteuerung muss bauseits über PC-Tool eingestellt werden
  • Modbus/BACnet/MP-Bus-Schnittstelle: zusätzliche Inbetriebnahmeschritte erforderlich
  • Betriebsparameter kundenseitig anpassbar (Servicetool)


Ergänzende Produkte

Servicetools:

  • Einstellgerät ZTH-EU (Bestellschlüssel AT-VAV-B)
  • PC-Tool Software

Technische Information

Funktion, Ausschreibungstext, Bestellschlüssel

  • Funktion
  • Ausschreibungstext
  • BESTELLSCHLÜSSEL
      Funktionsprinzip Funktionsgrafik_BM0.png

① Wirkdrucktransmitter
② Stellantrieb
③ Volumenstromregler
④ Sollwertsignal

Charakteristisch für Volumenstromregelgeräte ist ein geschlossener Regelkreis zur Regelung des Volumenstroms, das heißt Messen – Vergleichen – Stellen.
Die Messung des Volumenstroms erfolgt durch Messung eines Differenzdrucks (Wirkdrucks). Dies geschieht über einen Differenzdrucksensor. Ein integrierter Differenzdrucktransmitter setzt dabei Wirkdruck in ein Spannungssignal um. Der Volumenstromistwert steht als Spannungssignal zur Verfügung. Durch die werkseitige Justage entsprechen 10 V DC immer dem Nennvolumenstrom (qvNenn).
Der Volumenstromsollwert wird von einem übergeordneten Regler (z. B. Raumtemperaturregler, Luftqualitätsregler, Gebäudeleittechnik) vorgegeben. Die variable Volumenstromregelung erfolgt zwischen qvmin und qvmax. Die Übersteuerung der Raumtemperaturregelung durch Zwangsschaltungen, beispielsweise Absperrung, ist möglich.
Der Regler vergleicht den Volumenstromsollwert mit dem aktuellen Istwert und steuert der Regelabweichung entsprechend den internen Stellantrieb.

Kategorie

  • Compactregler für Volumenstrom
  • Regelung eines konstanten oder variablen Volumenstromsollwerts
  • Elektronischer Regler zur Aufschaltung einer Führungsgröße und Abgriff eines Istwerts zur Einbindung in eine Modbus- oder BACnet-basierte Gebäudeleittechnik
  • Istwert auf Nennvolumenstrom bezogen, dadurch vereinfachte Inbetriebnahme und nachträgliche Verstellung


Anwendung

  • Dynamischer Transmitter für saubere Luft in raumlufttechnischen Anlagen

Versorgungsspannung

  • 24 V AC/DC

Stellantrieb

  • Integriert; langsamlaufend (Laufzeit ca. 120 – 150 s für 90°)

Einbaulage

  • Beliebig

Schnittstelle/Ansteuerung

  • Modbus RTU (RS-485)
  • BACnet MSTP (RS-485)
  • MP-Bus
  • Analoger Hybridbetrieb
  • Speisung und Kommunikation nicht galvanisch getrennt
  • Terminierung zuschaltbar

Anschluss

  • Anschlussleitung mit 6 Adern

Schnittstelleninformation

  • Modbus-, BACnet- und MP-Bus-Register
  • Volumenstrom Soll- und Istwert, Klappenstellung, Fehlerstatus u. a.

Sonderfunktionen

  • Aktivierung qvmin, qvmax, Geschlossen, Offen durch Modbus-BACnet-MP-Bus-Register
  • Optional aktivierbare Betriebsarten: Open-Loop: Stellantriebe mit Luftvolumenstrommessung

Parametrierung

  • Für VVS-Regelgerät spezifische Parameter werkseitig parametriert
  • Betriebswerte qvmin, qvmax und Schnittstellentyp werkseitig parametriert
  • Nachträgliche Anpassung durch Modbus-BACnet-MP-Bus-Registerzugriffe oder optionale Tools: Einstellgerät, PC-Software (jeweils Kabelgebunden) möglich

Auslieferungszustand

  • Elektronischer Regler werkseitig auf Regelgerät montiert
  • Werkseitige Parametrierung
  • Funktionsprüfung unter Luft; mit Aufkleber bescheinigt
Anbaugruppe BM0 (beispielhaft in Kombination mit dem TVR dargestellt)
TVRDP1/200/D2/BM0/V/500 – 1200 [m³/h]
|||||||||
1234567911
1 Serie
TVR
 VVS-Regelgerät

2 Dämmschale
Keine Eintragung: ohne Dämmschale
D mit Dämmschale

3 Material
Keine Eintragung: verzinktes Stahlblech
P1 Oberfläche pulverbeschichtet, RAL 7001 (silbergrau)
A2 Edelstahlausführung

4 Luftleitungsanschluss
Keine Eintragung: Aufsteckende für Luftleitung nach EN 1506, mit Sicke für optionale Dichtung
FL Flansch beidseitig 

5 Nenngröße [mm]
100, 125, 160, 200, 250

6 Zubehör

Keine Eintragung: ohne Zubehör
D2 Doppellippendichtung beidseitig (nur mit Aufsteckende)
G2 Gegenflansch beidseitig (nur bei FL)

7 Anbauteile (Regelkomponente)
BM0 Compactregler mit dynamischem Transmitter und auswählbarerer Busschnittstelle, Modbus RTU, BACnet MS/TP oder MP-Bus

9 Betriebsart
variabler Betrieb (einstellbarer Sollwertbereich)

11 Betriebswerte zur werkseitigen Einstellung
Volumenstrom [m3/h oder l/s]
qvmin – qvmax 


Bestellbeispiel: TVR-D-P1/200/D2/BM0/V/500-1200[m³/h]

SerieTVR
Dämmschalemit Dämmschale
MaterialOberfläche pulverbeschichtet, RAL 7001 (silbergrau)
LuftleitungsanschlussAufsteckende für Luftleitung nach EN 1506, mit Sicke für optionale Dichtung
Nenngröße [mm]200
ZubehörDoppellippendichtung beidseitig
Anbauteile (Regelkomponente)BC0 – Compactregler mit dynamischem Transmitter und auswählbarerer Busschnittstelle, Modbus RTU, BACnet MS/TP oder MP-Bus
Betriebsartvariabler Betrieb
Betriebswerte zur werkseitigen Einstellung500 – 1200 [m3/h]

Varianten, Technische Daten

  • VARIANTEN
  • TECHNISCHE DATEN


Compactregler für VVS-Regelgeräte

VVS-Regelgeräte

Typ

Artikelnummer

TVR, TZ-Silenzio, TA-Silenzio, TVZ, TVALMV-D3-M/B TRA00000070458

TVJ, TVT bis 900 × 400 bzw. 800 × 400

NMV-D3-M/B TRA00000070469
TVM2x LMV-D3-M/B TR

A00000070458

TVJ

NMV-D3-M/B TRA00000070469

TVT bis 1000 × 300 bzw. 800 × 400

NMV-D3-M/B TRA00000070469

TVT ab 900 × 400

SMV-D3-M/B TR

A00000090713


 Compactregler BM0, LMV-D3-M/B TR

Messprinzip/Einbaulagedynamisches Messprinzip, lageunabhängig
Versorgungsspannung (Wechselspannung)

24 V AC, 50/60 Hz

Versorgungsspannung (Gleichspannung)

24 V DC

Anschlussleistung (Wechselspannung)

maximal 4 VA (maximal 8 A @ 5 ms)

Anschlussleistung (Gleichspannung)

maximal 2 W

Drehmoment

5 Nm

Busanschluss

Modbus RTU**, BACnet MS/TP, MP-Bus

einstellbare Kommunikationsparameter Modbus RTU

Baudrate: 9600, 19200, 38400**, 76800, 115200;

Adresse: 1**,2,3 – 247;

Parity: 1-8-N-2**, 1-8-N-1, 1-8-E-1, 1-8-O-1;

Anzahl der Knoten: maximal 32 (ohne Repeater);

Abschlusswiderstand: 120 Ω integriert, zuschaltbar

einstellbare Kommunikationsparameter BACnet MS/TP

Baudrate: 9600, 19200, 38400**, 76800, 115200;

Adresse: 0,1**,2,3 – 127;

Anzahl der Knoten: maximal 32, (ohne Repeater);

Abschlusswiderstand: 120 Ω integriert, zuschaltbar

Adressierung

bauseits erforderlich: z. B. Einstellgerät ZTH-EU

Eingang Sollwertsignal (analog optional)

0 – 10 V oder 2 – 10 V DC

Ausgang Istwertsignal (analog optional)

2 – 10 V DC 

Anschlüsse

Kabel, 6 × 0,75 mm², vorkonfektioniert

Schutzklasse

III (Schutzkleinspannung)

Schutzgrad

IP 54

Funktionsbereich

19,2 – 28,8 V AC oder  21,6 – 28,8 V DC

EG-Konformität

EMV nach 2014/30/EU

Gewicht

0,5 kg

**Werkseinstellung

Compactregler BM0, NMV-D3-M/B TR

Messprinzip/Einbaulagedynamisches Messprinzip, lageunabhängig
Versorgungsspannung (Wechselspannung)

24 V AC, 50/60 Hz

Versorgungsspannung (Gleichspannung)

24 V DC

Funktionsbereich

AC 19,2 – 28,8 V/DC 21,6 – 28,8 V

Anschlussleistung (Wechselspannung)

maximal 5 VA (maximal 8 A @ 5 ms)

Anschlussleistung (Gleichspannung)

maximal 3 W

Drehmoment

10 Nm

Busanschluss

Modbus RTU**, BACnet MS/TP, MP-Bus

einstellbare Kommunikationsparameter Modbus RTU

Baudrate: 9600, 19200, 38400**, 76800, 115200;

Adresse: 1**,2,3 – 247;

Parity: 1-8-N-2**, 1-8-N-1, 1-8-E-1, 1-8-O-1;

Anzahl der Knoten: maximal 32 (ohne Repeater);

Abschlusswiderstand: 120 Ω integriert, zuschaltbar

einstellbare Kommunikationsparameter BACnet MS/TP

Baudrate: 9600, 19200, 38400**, 76800, 115200;

Adresse: 0,1**,2,3 – 127;

Anzahl der Knoten: maximal 32, (ohne Repeater);

Abschlusswiderstand: 120 Ω integriert, zuschaltbar

Adressierung

bauseits erforderlich; z. B. Einstellgerät

Eingang Sollwertsignal (analog optional)

0 – 10 V oder 2 – 10 V DC

Ausgang Istwertsignal (analog optional)

2 – 10 V DC 

Anschlüsse

Kabel, 6 × 0,75 mm², vorkonfektioniert

Schutzklasse

III (Schutzkleinspannung)

Schutzgrad

IP 54

EG-Konformität

EMV nach 2014/30/EU

Gewicht

0,7 kg

**Werkseinstellung

Compactregler BM0, SMV-D3-M/B TR

Messprinzip/Einbaulagedynamisches Messprinzip, lageunabhängig
Versorgungsspannung (Wechselspannung)

24 V AC, 50/60 Hz

Versorgungsspannung (Gleichspannung)

24 V DC

Anschlussleistung (Wechselspannung)

maximal 6,5 VA (maximal 8 A @ 5 ms)

Anschlussleistung (Gleichspannung)

maximal 3,5 W

Drehmoment

20 Nm

Busanschluss

Modbus RTU**, BACnet MS/TP, MP-Bus

einstellbare Kommunikationsparameter Modbus RTU

Baudrate: 9600, 19200, 38400**, 76800, 115200;

Adresse: 1**,2,3 – 247;

Parity: 1-8-N-2**, 1-8-N-1, 1-8-E-1, 1-8-O-1;

Anzahl der Knoten: maximal 32 (ohne Repeater);

Abschlusswiderstand: 120 Ω integriert, zuschaltbar

einstellbare Kommunikationsparameter BACnet MS/TP

Baudrate: 9600, 19200, 38400**, 76800, 115200;

Adresse: 0,1**,2,3 – 127;

Anzahl der Knoten: maximal 32, (ohne Repeater);

Abschlusswiderstand: 120 Ω integriert, zuschaltbar

Adressierung

bauseits erforderlich; z. B. Einstellgerät

Eingang Sollwertsignal (analog optional)

0 – 10 V oder 2 – 10 V DC

Ausgang Istwertsignal (analog optional)

2 – 10 V DC 

Anschlüsse

Kabel, 6 × 0,75 mm², vorkonfektioniert

Schutzklasse

III (Schutzkleinspannung)

Schutzgrad

IP 54

Funktionsbereich

AC 19,2 – 28,8 V/DC 21,6 – 28,8 V

EG-Konformität

EMV nach 2014/30/EU

Gewicht

0,7 kg

**Werkseinstellung

Inbetriebnahme

  • Aufgrund der werkseitig eingestellten Volumenströme ist stets darauf zu achten, dass der Einbau der Regelgeräte nur an den vorgesehenen Stellen erfolgt
  • Volumenstromregelbereiche der VVS-Regelgeräte beachten, insbesondere minimalen Volumenstrom nicht unterschreiten
  • Nach Einbau und Verdrahtung sind zusätzliche Inbetriebnahmeschritte für die Buskommunikation wie die Vergabe einer Teilnehmeradresse notwendig
  • Weitere Inbetriebnahmeschritte je nach geforderter Integration der Regelkomponente in das lokale Netzwerk mit Hilfe eines Servicetools erforderlich


Weitere Inbetriebnahmeschritte

  • Bei Betrieb mit Modbus-Schnittstelle:
    (werkseitig voreingestellt) z. B. Teilnehmeradresse und Kommunikationseinstellungen anpassen
  • Bei Betrieb mit BACnet-Schnittstelle: 
    Typ der Kommunikationsschnittstelle mit Servicetool auf BACnet umstellen, z. B. Teilnehmeradresse und Kommunikationseinstellungen anpassen
  • Bei Betrieb mit MP-Bus-Schnittstelle: 
    Typ der Kommunikationsschnittstelle mit Servicetool auf MP-Bus umstellen, z. B. Teilnehmeradresse und Kommunikationseinstellungen anpassen

LED-Anzeige und Bedienung

LED-Anzeige grün/Taster

  • Aus: keine Spannungsversorgung
  • Ein: Betrieb
  • Blinkend: Adressiermodus aktiviert; Impulsanzahl entsprechend der eingestellten Adresse 1 – 16
  • Taster drücken: 
    im Normalbetrieb: Auslösen der Drehwinkeladaption
    im Adressiermodus: Bestätigung der eingestellten Adresse 1 – 16

 
LED-Anzeige gelb/Taster

  • Aus: Normalbetrieb
  • Ein: Adaptions-/Synchronisationsvorgang aktiv oder Regelkomponente im Adressmodus (grüne LED-Anzeige blinkt) 
  • Flackernd: Kommunikation aktiv (nur bei Modbus-/BACnet-Betrieb)
  • Taster beim Einschalten (> 5 s) drücken: Zurücksetzen auf Werkseinstellung (nur Kommunikationsparamete)

zusätzlich nur bei Modbus/BACnet-Betrieb:

  • Taster im Normalbetrieb (> 3 s) drücken: Ein- und Ausschalten des Adressmodus für Schnelladressierung
  • Taster im Adressmodus drücken: Einstellung Busadresse durch mehrfache Betätigung (Adr. 1 = 1 × drücken, Adr. 2 = 2 × drücken usw.)


Funktionsumfang Servicetools

Funktion/Parametrierung

PC-Tool

ZTH-EU1

Einstellung qvmin, qvmax

R, WR, W
Einstellung Modbus, BACnet (Adresse, Kommunikationseinstellungen)-R, W
Einstellungen MP-Bus (Adresse)R, WR, W
Festlegung Sollwertvorgabe über Analog oder Bus (Modbus, BACnet, MP-Bus)-R,W

Einstellung Signalspannungsbeich für Analogschnittstelle 0 – 10 V, 2 – 10 V DC

R, WR, W

Hinweise:

R,W = Funktion ist les- und schreibbar.
R = nur lesen
W = nur schreiben
- = Funktion ist für das Servicetool nicht vorhanden.


1Mindestversionen für ZTH-EU Firmware: V 2.09.0004


Für eine einwandfreie Nutzung sollten die Servicetools immer auf dem aktuellen Softwarestand gehalten werden.


Informationen zu aktuellen Versionen/Updates für PC-Tool Software und Einstellgerät ZTH-EU auf der Belimo Homepage www.belimo.com.


Kommunikationsschnittstelle Modbus RTU

NummerRegister-AdresseBeschreibungReichweite AufzählungEinheitSkalierungZugriff
1

Sollwert


Sollwert zwischen qvmin und qvmax

0 – 10000


Werkseinstellung: 0

%

0.01[R / W]
21

Zwangssteuerung überschreibt den Sollwert mit einer Zwangssteuerung

0: keine


1: AUF


2: ZU


3: qvmin


4: qvmid


5: qvmax


Werkseinstellung: keine (0)

-

-[R / W]
32

Kommandoauslösung –


Auslösen von Funktionen für den Service und für Testzwecke. Reset setzt den Regler zurück und löscht internen Fehlerspeicher wie z. B. Register 105.


0: keine


1: Adaptieren


2: Test


3: Synchronisation


4: Reset


Werkseinstellung: keine (0)

-

-[R / W]
43

Antriebstyp

0: Antrieb nicht angeschlossen/nicht bekannt


1: Stellantrieb Luft/Wasser mit/ohne Sicherheitsfunktion


2: Volumenstromregler VAV/EPIV


3: Brandschutzklappe


4: Energy Valve


5: 6way EPIV

-

-[R]
54

aktuelle Klappenposition (%)

0 – 10000

%

0.01[R]
65

Klappenwinkel (°)

0 – max.

°

1[R]
76

relativer Volumenstrom bezogen auf qvnom

0 – 10000

%

0.01[R]
87

absoluter Volumenstrom bezogen auf qvnom

0 – qvnom

m³/h


1[R]
98

Sensorwert in mV

0 – 65353

mV

1[R]
109

-

-

-

-[–]
1110

absoluter Volumenstrom in gewählter Volumenstromeinheit gem. Register 15 (Lowword)

-

UnitSel

0.0001[R]
1211

absoluter Volumenstrom in gewählter Volumenstromeinheit gem. Register 15 (Highword)

-

UnitSel

0.0001[R]
1312

analoger Sollwert (%).


Zeigt den Sollwert in % bei analoger Ansteuerung an.

0 – 10000

%

0.01[R]
10099

Bus-Abschlusswiderstand.


Gibt Auskunft, ob der Abschlusswiderstand (120 Ω) aktiv oder deaktiv ist.

0: deaktiv


1: aktiv


Werkseinstellung: deaktiv (0)

-

-[R / W*]
101100

Seriennummer Teil 1

-

-

-[R]
102101

Seriennummer Teil 2

-

-

-[R]
103102

Seriennummer Teil 3

-

-

-[R]
104103

Firmeware Version.


Beispiel: 302, Version 3.02

-

-

-[R]
105104

Fehlfunktionen und Service Information

Bit1: mechanischer Stellweg überschritten


Bit2: Antrieb kann nicht bewegt werden (z. B. mech. Überlast)


Bit8: interne Aktivität (z. B. Testlauf, Adaption)


Bit9: Getriebeausrastung aktiv


Bit10: Busüberwachung ausgelöst

-

-[R]
106105

Einstellung Arbeitsbereich qvmin


Bedingungen qvmin < qvmax


Vmax im Bereich 0 – 100 % qvnom

0 – qvmax


Standard: 0

%

0.001[R / W*]
107106

Einstellung Arbeitsbereich qvmax


Bedingungen qvmax < qvmin


Vmax im Bereich 20 – 100 % qvnom

qvmin 10000


Standard: 10000

%

0.01[R / W*]
108107

Sensor-Art

0: keine


1: aktiver Sensor (im Hybrid-Betrieb)


2: -


3: -


4: Schaltkontakt


Werkseinstellung: keine (0)

-

-[R / W*]
109108

Busausfallüberwachung

0: letzter Sollwert


1: schnelles Schließen – ZU


2: schnelles Öffnen – AUF


3: Position Mitte


Werkseinstellung: letzter Sollwert (0)

-

-[R / W*]
110109

Zeit bis zur Auslösung der Busausfallüberwachung

0 – 3600 s


Werkseinstellung: 0 (Busausfallüberwachung deaktiviert)


s

1[R / W*]
111110

Nennvolumenstrom [m³/h]

-

m³/h

1[R]
112111

-

-

-

-[–]
113112

Nennvolumenstrom in gewählter Volumenstromeinheit gem. Reg 118 (LowWord)

-

UnitSel

0.001[R]
114113

Nennvolumenstrom in gewählter Volumenstromeinheit gem. Reg 118 (HighWord)

-

UnitSel

0.001[R]
115114

-

-

-

-[–]
116115

-

-

-

-[–]
117116

Control-Mode

0: Positionsregelung (Open Loop)


1: Volumenstromregelung

-

-[R / W*]
118117

Auswahl der Einheit

0: m³/s


1: m³/h


2: l/s


3: l/min


4: l/h


5: gpm


6: cfm


Standard m³/h (1)

-

-[R / W*]
119118

Sollwertvorgabe


0: Analog (0 – 10 V, 2 – 10 V)


1: Bus (Modbus, BACnet, MP-Bus)


Werkseinstellung: Bus (1)

-

-[R / W*]

R = Register nur lesbar
R/W = Register les- und schreibbar
R/W* = Register lesbar und eingeschränkt schreibbar

Alle beschreibbaren Register ab 100 sind persistent (im EEPROM gespeichert) und dürfen nicht regelmäßig bzw. zyklisch beschrieben werden.


Kommunikationsschnittstelle BACnet MS/TP - Object processing

Object type

Optional properties

Writeable properties

Analog Input [AI]

Description
COV Increment

COV Increment

Analog Output [AO]

Description
COV Increment

Present Value
COV Increment
Relinquish Default

Analog Value [AV]

Description



COV Increment

Present Value



COV Increment

Binary Input [BI]

Description
Active Text
Inactive Text

Device

Description
Location
Active COV Subscriptions
Max Master
Max Info Frames
Profile Name

Object Identifier
Object Name
Location
Description
APDU Timeout (1000 – 60000)
Number Of APDU Retries (0 – 10)
Max Master (1 – 127)
Max Info Frames (1 – 255)

Multi-state Input [MI]

Description
State Text

Multi-state Output [MO]

Description
State Text

Present Value
Relinquish Default

Multi-state Value [MV]

Description
State Text

Present Value (if marked)


Bearbeitung von Services

  • Das Gerät unterstützt nicht die Services „Objekt erstellen“ und „Objekt löschen“
  • Die angegebene maximale Länge der beschreibbaren Zeichenketten basiert auf Einzelbyte-Zeichen
  1. Objektname 32 Zeichen
  2. Standort 64 Zeichen
  3. Beschreibung 64 Zeichen
  • Das Gerät unterstützt die DeviceCommunicationControl-Services, kein Passwort erforderlich.
  • Maximal 6 aktive COV-Abonnements mit einer Laufzeit von 1 – 28800 s (maximal 8 h) werden unterstützt.


BACnet MS/TP – Protocol Implementation Conformance Statement – PICS (General information)

Date

11.06.2020

Vendor NameTrox SE
Vendor ID

329

Product NameVRU-D3-BAC, VRU-M1-BAC, VRU-M1R-BAC
Product Model NumberVRU – BAC
Applications Software Version

01.02.0001

Firmware Revision

10.02.0000

BACnet Protocol Revision

12

Product DescriptionController for VAV/CAV and pressure applications
BACnet Standard Device ProfileBACnet Application Specific Controller (B-ASC)
BACnet Interoperability Building Blocks supported

Data Sharing – ReadProperty-B (DS-RP-B)
Data Sharing – ReadPropertyMultiple-B (DS-RPM-B)
Data Sharing – WriteProperty-B (DS-WP-B)
Data Sharing – WritePropertyMultiple-B (DS-WPM-B)
Data Sharing – COV-B (DS-COV-B)
Device Management – DynamicDeviceBinding-B (DM-DDB-B)
Device Management – DynamicObjectBinding-B (DM-DOB-B)
Device Management – DeviceCommunicationControl-B (DM-DCC-B)

Segmentation CapabilityNo
Data Link Layer OptionsMS/TP master, baud rates: 9600, 19200, 38400, 76800, 115200
Device Address BindingNo static device binding supported
Networking OptionsNone
Character Sets SupportedISO 10646 (UTF-8)
Gateway OptionsNone
Network Security OptionsNon-secure Device



Kommunikationsschnittstelle BACnet MS/TP - BACnet Objekte

Objekt NameObjekt TypBeschreibungWerteCOV InkrementZugriff
DeviceDevice [Inst.Nr]

0 – 4194302
Default: 1

-

W
RelPosAI[1]

Klappenposition in %


Overridden = 1 (Getriebeausrastung gedrückt)

0 – 100

0.01 – 100


Standard: 1

R
AbsPosAI[2]

Absolute Position in °


Overridden = 1 (Getriebeausrastung gedrückt)

0 – max. Drehwinkel

0.01 – 65353


Werkseinstellung: 1

R
SpAnalogAI[6]

analoger Sollwert in %



zeigt den analogen Sollwert in % an, wenn Sollwertvorgabe in (SpSource[122]) ist Analog (1).


Wenn Sollwertvorgabe (SpSource[122]) Bus (2) = dann Out_Of_Service ist TRUE gesetzt

0 – 100

0.01 – 100


Standard: 1

R
RelFlowAI[10]

relativer Volumenstrom in %

0 – 100

0.01 – 100


Standard: 1

R
AbsFlow_UnitSelAI[19]

absoluter Volumenstrom gewählter Einheit gem. [121]

0 – Vnom

0.01 – 1000


Standard: 1

R
Sens1AnalogAI[20]

Sensor 1 ist ein analoger Wert in mV
 


Analogwert in mV, wenn Sensor1Type MV[220] aktiv ist.


Wenn (Sensor1Typ MV[220]) = 2 (nicht aktiv) oder (SpSource MV [122]) = 2 (Bus), wird Out_of_Service = TRUE

-

0.01 – 1000


Standard: 1

R
SpRelAO[1]

relativer Sollwert in %



Sollwert zwischen qvmin AV[97] und qvmax [98] (nur bei Bus Ansteuerung)


Wenn SpSource (MV[122]) = 1 (Analog), dann Out_of_Service = TRUE   

0 – 100


Werkseinstellung: 0

0.01 – 100


Werkseinstellung: 1

C
Min.AV[97]

minimaler Sollwert in % (qvmin)


Bedingung: qvmin < qvmax


qvmin im Bereich 0 – 100 & qvnom

0 – Vmax


Werkseinstellung: 0

0.01 – 100


Werkseinstellung: 1

W
Max.AV[98]

minimaler Sollwert in % (qvmax)


Bedingung: qvmax > qvmin


qvmax im Bereich 20 – 100 % von qvnom

Vmin – 100


Standard: 100

0.01 – 100


Standard: 1

W
Vnom_UnitSelAV[104]

aktueller Volumenstrom gem. gewählter Volumenstromeinheit (UnitSelFlow MV[121])

-

0.01 – 100


Standard: 1

R
Bus WatchdogAV[130]

Zeit bis zur Auslösung der Busausfallüberwachung in s



Wenn Present_Value ≠ 0, dann wird Schreibzugriff auf Present_Value von AO[1] und MO[1] überwacht. Mit Schreiben in Present_Value AO[1] MO[1] wird der Timer zurückgesetzt.
Im Hybrid-Betrieb werden nur Schreibzugriffe auf MO[1] überwacht.

0 – 3600 s


Werkseinstellung: 0 (Busausfallüberwachung deaktiviert)

0.01 – 1000


Standard: 1

W
Sens1SwitchBI[20]

Zustand des Schalters am Sensoreingang.


Wenn SenType MV [122] = 5 (Schalter).


Wenn SensType MV [122] ≠ 5.


wird Out_of_Service = TRUE

Inactive_Text: Schalter nicht aktiv


Active_Text: Schalter aktiv

-

R
BusTerminationBI[99]

Abschlusswiderstand



zeigt an, ob der Abschlusswiderstand (120 Ω) über die Servicetools aktiviert wurde.

Inactive_Text: Schalter nicht aktiv


Active_Text: Schalter aktiv

-

R
SummaryStatusBI[101]

Sammelstatus


zusammenfassender Status  (MI[106], MI[110])

Inactive_Text: kein Fehler


Active_Text: Fehler

-

R
InternalActivity

MI[100]

Statusaktivität


1: keine


2: Test


3: Adaption

-

R
StatusActuator

MI[106]

Status des Antriebs

1: OK


2: Antrieb kann nicht bewegt werden


3: Getriebeausrastung aktiv


4: mechanischer Stellweg überschritten

-

R
StatusDevice

MO[110]

Status des Gerätes


Zeigt den generellen Status des Gerätes an

1: OK


2: Busausfallüberwachung aktiviert

-

R
Override

MO[1]

Zwangssteuerung


überschreibt den Sollwert (SpRel AO[1]) mit einem Zwangsbefehl

1: keine


2: AUF


3: ZU


4: qvmin


5: qvmid


6: qvmax


Werkseinstellung: keine (1)

-

C
Command

MV[120]

Testfunktionen auslösen

1: keine


2: Adaption


3: Test


4: Zurücksetzen


Werkseinstellung: keine (1)

-

W
UnitSelFlow

MV[121]

Auswahl der Einheit


Die ausgewählte Einheit wird in AI[19] und AV[104] angezeigt

1: m³/s


2: m³/h


3: l/s


4: l/min


5: l/h


6: gpm


7: cfm


Werkseinstellung: m³/h (2)

-

W
ControlMode

MV[122]

Sollwertvorgabe

1: Analog (0 – 10 V, 2 – 10 V)


2: Bus (Modbus, BACnet, MP-Bus)


Werkseinstellung: Bus (2)

-

W
ControlMode

MV[223]

ControlMode


1: Positionsregelung (OponLoop)


2: Volumenstromregelung

-

W
Sens1Type

MV[220]

Festlegung des Sensortyps für den Analogeingang

1: keine


2: aktiver Sensor (im Hybridbetrieb)


5: Schalter


Werkseinstellung: keine (1)

-

W

Produktdetails Busbetrieb, Analogbetrieb bzw. Hybridbetrieb

  • PRODUKTDETAILS BUSBETRIEB
  • PRODUKTDETAILS ANALOGBETRIEB BZW. HYBRIDBETRIEB

Werkseitig wird der Regler mit der Betriebsart Modbus-RTU ausgeliefert. Die Betriebsart kann jederzeit durch das Servicetool ZTH-EU auf BACnet, MP-Bus oder Analog umgestellt werden. Für den reibungslosen Datenaustausch im bauseitigen Bus-Netzwerk ist die Einstellung der Kommunikationsparameter und der Teilnehmeradresse für die Busschnittstelle erforderlich. Die Kommunikationsparameter der Bussysteme (Adresse, Baudrate ...) können mit dem ZTH-EU eingestellt werden. Die Schnittstelle bietet standardisierte Bus-Regist/Objekt-Zugriffe auf die verfügbaren Datenpunkte.


Sollwertvorgabe

  • In der Betriebsart Modbus RTU (Werkseinstellung) erfolgt die Sollwertvorgabe nur durch Vorgabe des Volumenstromsollwerts [%] im Modbus-Register 0
  • Der übergebene Prozentwert bezieht sich auf den durch qvmin – qvmax festgelegten Volumenstrombereich
  • Volumenstrombereich qvmin – qvmax werkseitig entsprechend Bestellschlüsselangaben voreingestellt
  • Nachträgliche Anpassung von qvmin  bzw. qvmax über Servicetool ZTH-EU oder über Modbus/BACnet-Schnittstelle möglich

Istwert als Feedback für Überwachung oder Folgeregelung

  • Sowohl im Modbus als auch im BACnet sind die Istwerte in m³/h (Werkseinstellung) ablesbar
    • Andere Einheiten wie m³/s, l/s, l/min, l/h, gpm, cfm möglich
  • Neben dem Volumenstromistwert können weitere Informationen über andere Modbus-Register/BACnet-Objekte ausgelesen werden
    • Übersicht der Register/Objekte in den Kommunikationstabellen
  • Zu Diagnosezwecken kann im Busbetrieb der Volumenstromistwert an der Leitungsader 5 abgegriffen werden
    Der Volumenstrombereich 0 – qvNenn entspricht dabei immer dem Signalspannungsbereich von (0)2 – 10 V DC

Zwangssteuerung

Für besondere Betriebssituationen kann der Volumenstromregler in einen speziellen Betriebszustand (Zwangssteuerung) gebracht werden. Möglich sind: Regelung qvmin, Regelung qvmax, Regelklappe in Offenstellung (OFFEN) oder Regelklappe geschlossen (ZU).


Zwangssteuerung über den Bus

Vorgaben erfolgen über das Modbus-Register 1 bzw. über BACnet Object Type MO[1].


Zwangssteuerung durch Busausfallüberwachung (Modbus)

Bei Ausfall der Modbus-Kommunikation für einen festgelegten Zeitraum kann ein vordefinierter Betriebszustand qvmin, qvmax, OFFEN oder ZU aktiviert werden.

  • Die Festlegung der bei Busausfall zu aktivierenden Zwangssteuerung erfolgt über Modbus-Register 108
  • Die Festlegung, nach welcher Busausfallzeit die Zwangssteuerung aktiviert wird, erfolgt über Modbus-Register 109
  • Jegliche Modbus-Kommunikation setzt den Timeout der Busausfallüberwachung zurück

Zwangssteuerung durch Busausfallüberwachung (BACnet)

Bei Ausfall der BACnet-Kommunikation für einen festgelegten Zeitraum kann ein vordefinierter Betriebszustand aktiviert werden.

  • Die Festlegung des bei Busausfall zu aktivierenden Sollwerts erfolgt über den Reliquish_Default von SpRel (Object AO1)
  • Busausfallzeit wird definiert über BusWatchdog (Objekttyp AV [130])
  • Kommunikation auf die Datenpunkte SpRel (Object AO[1] und Override (Object MO[1])


Zwangssteuerungen für Diagnosezwecke

Aktivierung über Bussytem, externe/bauseitige Schaltkontakte, ZTH EU oder PC-Software.

Priorisierung verschiedener Vorgabemöglichkeiten

Vorgaben für Zwangssteuerungen über Analog sind gegenüber Modbus/BACnet-Vorgaben priorisiert.

  • Höchste Priorität: Vorgabe über eine analoge Zwangssteuerung 
  • Mittlere Priorität: Vorgaben über den Servicestecker (Einstellgerät, PC-Software) zu Testzwecken
  • Niedrigste Priorität: Vorgabe über Modbus/BACnet/MP-BUS 

Analogbetrieb bzw. Hybridbetrieb 0 – 10 V DC bzw. 2 – 10 V DC

Werkseitig wird der Regler mit der Betriebsart Modbus-RTU ausgeliefert. Für den Analogbetrieb bzw. Hybridbetrieb ist eine bauseitige Umstellung mit dem ZTH-EU oder mit PC-Tool notwendig. Die Analogschnittstelle kann für den Signalspannungsbereich 0 – 10 V DC oder 2 – 10 V DC durch PC-Tool eingestellt werden. Die Zuordnung von Volumenstromsollwert bzw. -istwert zu Spannungssignalen ist in den Kennliniendarstellungen abgebildet. Im Hybridbetrieb ist eine analoge Ansteuerung mit digitaler Rückmeldung gemäß Busschnittstellenliste möglich.


Analoger Hybridbetrieb

  • Bei analoger Sollwertvorgabe über Leitungsader 3 und analoger Rückmeldung über Leitungsader 5 ist trotzdem eine Rückmeldung über BACnet MS/TP oder Modbus RTU möglich
  • Zwangssteuerungen qvmin, qvmax, Regelklappe in Offenstellung (OFFEN) oder Regelklappe geschlossen (ZU) über Busschnittstelle möglich
  • Diverse Betriebsparameter gemäß Busschnittstellenliste über BACnet MS/TP oder Modbus RTU abrufbar

Sollwertvorgabe

Variabler Betrieb

  • In der variablen Betriebsart erfolgt die Sollwertvorgabe mit einem Analogsignal an der Leitungsader 3
    • Sollwertvorgaben über das jeweilige Bussystem werden abgewiesen
  • Gewählter Signalspannungsbereich 0 – 10 V DC bzw. 2 – 10 V DC wird eingestelltem Volumenstrombereich qvmin – qvmax zugeordnet
  • Volumenstrombereich qvmin – qvmax werkseitig entsprechend Bestellschlüsselangaben voreingestellt
  • Nachträgliche Anpassung von qvmin bzw. qvmax über Servicetool ZTH-EU oder PC-Tool einstellbar

Festwertbetrieb

  • In der Betriebsart Festwertbetrieb ist kein Analogsignal an der Leitungsader 3 erforderlich
  • Es wird der durch qvmin eingestellte Volumenstromfestwert geregelt
  • Volumenstrom qvmin werkseitig entsprechend Bestellschlüsselangabe voreingestellt
  • Nachträgliche Anpassung von qvmin über Servicetool ZTH EU oder PC-Tool möglich

Istwert als Feedback für Überwachung oder Folgeregelung

  • An der Leitungsader 5 kann der vom Regler gemessene Istvolumenstrom als Spannungssignal abgegriffen werden
  • Gewählter Signalspannungsbereich 0 – 10 V DC bzw. 2 – 10 V DC wird auf den Volumenstrombereich 0 – qvNenn abgebildet
  • Der Istwertausgang kann bauseits auf die Ausgabe der Klappenstellung umkonfiguriert werden
  • Gewählter Signalspannungsbereich 0 – 10 V DC bzw. 2 – 10 V DC wird dann auf die Klappenposition 0% (ZU) – 100 % (OFFEN) abgebildet
  • Im Analogbetrieb besteht parallel die Möglichkeit, Betriebsdaten über die Modbusschnittstelle abzufragen


Zwangssteuerung

Für besondere Betriebssituationen kann der Volumenstromregler in einen speziellen Betriebszustand (Zwangssteuerung) gebracht werden. Möglich sind: Regelung qvmin, Regelung qvmax, Regelklappe in Offenstellung (OFFEN) oder Regelklappe geschlossen (ZU).


Zwangssteuerungen über Signaleingang Y

Durch passende Beschaltung am Signaleingang Y können die Zwangssteuerungen entsprechend den Anschlussbildern durch Beschaltung mit externen Schaltkontakten/Relais aktiviert werden (siehe Verdrahtungsbeispiele). Zwangssteuerung OFFEN steht nur bei einer Versorgung des Reglers mit Wechselspannung (AC) zur Verfügung.


Zwangssteuerung ZU über Führungssignal am Signaleingang Y

  • Bei Signalspannungsbereich 0 – 10 V DC: ZU wird aktiviert, wenn qvmin = 0 eingestellt und Führungssignal Y < 0,5 V DC
  • Bei Signalspannungsbereich 2 – 10 V DC: ZU wird aktiviert, wenn Führungssignal Y < 2,4 V DC ist

Zwangssteuerungen im Analogbetrieb über Modbusschnittstelle

Ist im Analogbetrieb die Modbusschnittstelle zusätzlich angeschlossen, kann über Modbus-Register 1 ebenfalls eine Zwangssteuerung vorgegeben werden.


Zwangssteuerung für Diagnosezwecke

Aktivierung über Servicetools ZTH-EU oder PC-Tool


Zwangssteuerung: Priorisierung verschiedener Vorgabemöglichkeiten

  • Vorgaben für Zwangssteuerungen über Analog sind gegenüber Modbus/BACnet-Vorgaben priorisiert
  • Höchste Priorität: Vorgabe über eine analoge Zwangssteuerung 
  • Mittlere Priorität: Vorgaben über den Servicestecker (Einstellgerät, PC-Software) zu Testzwecken
  • Niedrigste Priorität: Vorgabe über Modbus/BACnet/MP-BUS 

Downloads

Produktinfos

Zertifikate

production {"x-frame-options"=>"SAMEORIGIN", "x-xss-protection"=>"1; mode=block", "x-content-type-options"=>"nosniff", "x-download-options"=>"noopen", "x-permitted-cross-domain-policies"=>"none", "referrer-policy"=>"strict-origin-when-cross-origin", "strict-transport-security"=>"max-age=31536000; includeSubDomains", "content-type"=>"text/html; charset=utf-8"}

Seite teilen

Diese Seite weiterempfehlen

Hier haben Sie die Möglichkeit diese Seite als Link weiter zu empfehlen.

Mit Stern (*) markierte Felder sind Pflichtfelder.

Kontakt

Vielen dank für Ihre Nachricht!

Ihre Empfehlung wurde verschickt und sollte jeden Moment beim Empfänger eingehen.

Kontakt

Wir sind für Sie da

Bitte spezifizieren Sie das Thema Ihrer Anfrage und Ihre Kontaktdaten.
Tel.: +49 (0)2845 / 202-0 | Fax: +49 (0)2845/202-265

Mit Stern (*) markierte Felder sind Pflichtfelder.

Kontakt

Vielen Dank für Ihre Nachricht!

Ihre Nachricht in ist unserem Service Center eingegangen und wird bearbeitet.
Unsere Abteilung für Service-Anfragen wird sich in Kürze mit Ihnen in Verbindung setzten.
Für allgemeine Fragen zu Produkten und Services erreichen Sie uns auch unter:
Tel.: +49 (0)2845 / 202-0 | Fax: +49 (0)2845/202-265

Kontakt

Wir sind für Sie da

Bitte spezifizieren Sie das Thema Ihrer Anfrage und Ihre Kontaktdaten.
Tel.: +49 (0)2845 / 202-0 | Fax: +49 (0)2845/202-265

Anhang (max. 10MB)

Mit Stern (*) markierte Felder sind Pflichtfelder.

Kontakt

Vielen Dank für Ihre Nachricht!

Ihre Nachricht in ist unserem Service Center eingegangen und wird bearbeitet.
Unsere Abteilung für Service-Anfragen wird sich in Kürze mit Ihnen in Verbindung setzten.
Für allgemeine Fragen zu Produkten und Services erreichen Sie uns auch unter:
Tel.: +49 (0)2845 / 202-0 | Fax: +49 (0)2845/202-265