FSL-B-ZAB-SEK_gc_03psd.png
Energielabel_FSL-B-ZAB_SEK_150psd.png

Energy label

00073144_0ai.ai.link
Tested to VDI 6022

Tested to VDI 6022

FSL-B-ZAB_SEK_gc_06psd.png
Revision cross flow heat recovery unit

Revision cross flow heat recovery unit

FSL-B-ZAB_SEK_gc_11psd.png
Water connection

Water connection

FSL-B-ZAB_SEK_gc_09psd.png
Outdoor air connection including seal and outdoor air temperature sensor

Outdoor air connection including seal and outdoor air temperature sensor

FSL-B-ZAB-SEK_gc_03psd.png
Energielabel_FSL-B-ZAB_SEK_150psd.png
00073144_0ai.ai.link
FSL-B-ZAB_SEK_gc_06psd.png
FSL-B-ZAB_SEK_gc_11psd.png
FSL-B-ZAB_SEK_gc_09psd.png

X-CUBE ROOMAIR-B-ZAB+SEK      

SUPPLY AND EXTRACT AIR UNIT WITH SECONDARY AIR ADDITION, INCLUDING CROSS FLOW HEAT EXCHANGER AND HEAT RECOVERY UNIT FOR INSTALLATION ON AN EXTERNAL WALL

Ready-to-operate decentralised ventilation unit that provides good comfort levels, used for the ventilation of internal spaces

  • Increased heating and cooling capacity thanks to secondary air addition by a third fan
  • Acoustically optimised EC fans with low specific fan power, SFP = 1 to EN 16798-3
  • Cross flow heat recovery unit (heat recovery efficiency 60 %)
  • Highly efficient heat exchanger for heating and cooling as 2-pipe or 4-pipe system
  • Heat exchanger connection is on the right when seen from the room
  • Condensate drip tray with condensate drain (on the right when seen from the room)
  • Heat recovery all year round (condensate drainage by others)
  • Reduction of fine dust and pollen contamination due to integral filters that conform to VDI 6022 – filter class ISO ePM1 65 %/ISO Coarse 55 %
  • Inspection access panel simplifies filter change and cleaning of the heat exchanger
  • Motorised shut-off dampers, normally closed (NC)
  • Automatic switching to secondary air mode (based on air quality)

Optional equipment and accessories

  • Modular control system FSL-CONTROL III, specially for decentralised ventilation systems
  • Various fixing systems to fix the unit to the floor or wall
  • Wood panelling as outer casing in various colours, with TROX ventilation grilles for supply air and extract air (assembly kit)

Technical information

  • FUNCTION
  • TECHNICAL DATA
  • QUICK SIZING
  • SPECIFICATION TEXT
  • ORDER CODE

Functional description

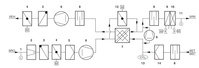
Decentralised supply and extract air units with secondary air addition for room ventilation. They cover the cooling and heating load in accordance with the technical data. An EC centrifugal fan takes in the outdoor air and this then flows through the maintenance-free and mechanical self-powered type VFL volume flow limiter, which is pre-set at the factory to the maximum volume flow rate. This ensures maximum limitation of the outdoor air flow rate to a pre-set value for all façade positive pressure situations without an electrical external power supply. The air then flows through the motorised shut-off damper, the self-powered non-return damper and the outdoor air filter. The self-powered non-return dampers in the outdoor air intake and exhaust air outlet prevent the return flow of the conditioned air or undesired airflow directions. Then the outdoor air flows through the cross-flow heat recovery unit, which can be bypassed in energetically sensible operating situations and for unit protection. If necessary, the air is heated or cooled by the heat exchanger before it is supplied into the room as a displacement flow. To increase the heating and cooling capacity, indoor air is added to the supply air by the secondary air fan, thus increasing the supply air flow rate. The extract air first passes through the outdoor air filter, then flows through the heat recovery unit, the extract air fan, the non-return damper and the motorised shut-off damper before it is discharged to the outside as exhaust air. If the indoor air quality is sufficient, the FSL-CONTROL III control system switches to energy-efficient secondary air mode by closing the outdoor air dampers. The control system compares the room air quality setpoint value to the actual value measured by the CO2 sensor and switches automatically between outdoor air and secondary air operation. In case of a power failure, the outdoor air and exhaust air dampers are closed to ensure fire protection, frost protection and to avoid draughts. This is ensured by a capacitor in each actuator. Near the external wall, the supply air is discharged into the room with a medium velocity between 0.5 and 0.8 m/s. Due to the induction effect, the supply air velocity is rapidly reduced so that, in cooling mode, the supply air displaces the room air over the entire floor area. Near heat sources such as people or equipment, a lift current is formed by natural convection, so that the air is exchanged primarily in these areas.

Width

1150 mm

Height

670 mm

Depth320 mm
Outdoor air flow rate

60 – 150 m³/h

Supply air flow rate

140 – 300 m³/h

Supply air flow rate

200 m³/h

Sound power level

33 – 50 dB(A)

Heat recovery efficiency

60 %

Maximum operating pressure, water side6 bar
Maximum operating temperature75 °C
Supply voltage230 V AC ±10 %, 50/60 Hz
Supply voltage

255 VA

Weight

75 kg

Total supply air flow rate

m³/h

140

170

200

240

300

Outdoor air flow rate

m³/h

60

90

120

120

150

Secondary air volume flow rate

m³/h

80

80

80

120

150

Total cooling capacity

W

490

630

760

850

1000

Room cooling capacity

W

374

454

534

625

711

Air temperature after heat recovery

°C

28.6

29.2

29.6

29.0

29.0

Relative humidity

%

45

44

44

45

45

Water content of the dry air

g/kg

11.1

11.2

11.3

11.2

11.2

Supply air temperature

°C

18.0

18.0

18.0

18.2

18.9

Condensate

g/h

0

0

0

0

0

Chilled water flow rate

l/h

115

140

180

200

200

Water temperature, inlet

°C

16

16

16

16

16

Water temperature, outlet

°C

19.7

19.9

19.7

19.7

20.3

Water side pressure drop

kPa

1.5

2.0

3.0

4.0

4.0

Total heating capacity

W

1550

2050

2420

2580

2990

Room heating capacity

W

706

784

741

922

922

Air temperature after heat recovery

°C

5.1

1.4

-1.2

2.5

2.5

Supply air temperature

°C

36.1

34.8

32.1

32.5

30.2

Hot water flow rate

l/h

90

140

160

180

200

Water temperature, inlet

°C

60

60

60

60

60

Water temperature, outlet

°C

45.0

47.2

46.8

47.5

47.0

Water side pressure drop

kPa

1.0

2.5

3.0

3.5

4.0

Sound power level LWA

dB(A)

33

35

38

44

50

Sound pressure level with

8 dB system attenuation

dB(A)

25

27

30

36

42

Active power Pel

W

19

20

24

28

38

X-CUBE ROOMAIR-B-ZAB+SEK-4-KM/1150x670x320/C3



Under sill units for horizontal assembly on the façade

Please note:

The specification text describes an under sill ventilation unit variant with a single room control system arranged in the unit for autonomous room operation.

The supplied controllers contain the standard control parameters for operation according to our control system description.

FSL-B-ZAB+SEK supply and extract air unit with addition of secondary air - MASTER UNIT
Under sill ventilation unit TROX FSL-B-ZAB+SEK with supply and extract air function and secondary air operation, heat recovery as well as heating and cooling function for installation on an external wall below the window sill:

  • Device casing made of galvanised sheet steel, cover and sheet metal connections via deep-drawn threads and stainless steel cross-head screws, all necessary internal air ducts sealed and lined, internal electrical cable penetrations sealed, exposed surfaces powder-coated (RAL 9005, jet black)
  • Intake for extract air and secondary air on the top, sheet metal edges of the intake openings are formed accordingly (no sealing tape) and can be used as an additional support for the under sill trim (trim by others); closed cell sealing tape is required between the unit and the trim so as to avoid any mixing of airflows (short circuit); sealing tape is not included in the TROX supply package
  • Sound- and heat-insulating lining on suction and discharge side made of mineral wool faced with glass fibre scrim (material classification A, non-combustible according to DIN 4102, T1), erosion resistant up to air velocities of 20 m/s, or closed cell insulation material
  • The device meets the hygiene requirements of VDI 6022
  • Levelling feet, + 40 mm
  • Connection to the outdoor air and exhaust air openings (provided by others) of the façade by means of perimeter closed cell sealing tape on the rear side of the unit, b × d = 50 × 10mm; the suction and discharge resistance of the construction provided by others should not exceed 20 Pa at a nominal volume flow rate
  • Use of 3 energy-saving EC centrifugal fans, supply and extract air fan classified in category SFP 1 (< 500 W/(m³/s)) according to EN 16798-3:2017-11, electrical power consumption of the entire unit at a nominal volume flow rate of 200 m³/h is <25 W, for rating of the connecting cable a power rating of 255 VA has to be considered
  • Suitable for up to 5 speed levels (between 170 and 300 m³/h), signalling via device-internal single room control system, volume flow rate level correction by adjusting the control voltage subsequently possible
  • Meets the requirements of EU Regulation 1253/2014 (ErP Directive)
  • Integral recuperative cross flow heat exchanger (heat recovery) for heat recovery in a salt water resistant aluminium design, with high efficiency due to special plate structure, plate spacing and package length, including condensate drip tray and discharge into the condensate drip tray of the heat exchanger. Accessibility for maintenance purposes via separate service cover without removing the unit cover
  • With electromotive bypass which allows an air volume flow rate to bypass the heat recovery, actuator 24 V (modulating), 100 %, signalling via device-internal single room control system
  • Self-powered non-return dampers in the outdoor/exhaust air area that are integrated into the locking devices for outdoor air and exhaust air can be hinged down, and these prevent a return flow of conditioned air or undesired airflow directions when the shutoff damper device is opened and closed
  • Motorised shut-off dampers in the outdoor/exhaust air area, normally closed when there is no power by means of energy storage, actuator 230 V, open/closed, signalling via device-internal single room control system
  • Integral mechanical self-powered volume flow limiter type VFL, maintenance-free, pre-set to a maximum volume flow rate, without electrical external power supply for maximum limiting of the outdoor air flow rate to a pre-set value for all façade positive pressure situations. The VFL consists of the control unit with setpoint value adjustment and control mechanics. Control is mechanical self-powered with damper blade. Control spring and low-friction, silicone free cushioning element, any installation orientation and maintenance-free, high control accuracy of ±10 %, referring to the maximum in the pressure range of between 30 and 300 Pa
  • Automatic switching to secondary air mode (only with an air quality sensor) if the indoor air quality (measured, for example, at the integrated CO22sensor) is within the limits defined beforehand
  • Electrical components contained in the unit completely wired with FSL-CONTROL III, control components are integrated in the unit. Cable for connection (connection not in the TROX supply package) of the power supply (L, N, PE) with wire end ferrules led approx. 1 m out of the unit: As a transfer point to the electrical installation provided by others:
    • Supply voltage (230 V): 3 wires, 3 × 1.5 mm² (L, N, PE)
  • Connection possibility for bus communication (optional), connection of control panel, etc. after opening the customer area of the controls, as a transfer point to the controls provided by others
  • Rail mount terminals type Wago 260 for the connection (provided by others) of
    • Digital inputs DI
    • Digital outputs DO
    • Master-slave connection RS485
    • Central BMS connection (optional) RS485
    • Control panel
    • RJ45 socket as service access to the user interface
  • The following sensors are arranged in the unit to control the single room control system (the actual room temperature is recorded at the control panel):
    • Indoor air quality sensor CO22
    • Supply air temperature measurement after the heat exchanger
    • Outdoor air temperature measurement in the outdoor air intake
  • 4-pipe aluminium copper tube heat exchanger for air heating or air cooling, matched to project-specific data, easily removable for cleaning (depends on the connection to the main pipe - by others, not included in the TROX supply package), drainage and venting option per heating/cooling circuit, arrangement on the room side on the right. We recommend a connection to the pipe network (provided by others) with flexible hoses (not included in the TROX supply package) so that the heat exchanger can be easily removed for cleaning
  • Transfer points are the manually pre-assembled control components
    • Valves in the return: transfer with G ½" external thread, flat seal
    • Lockshields in the flow: transfer with G ½" external thread, flat seal
  • Easy-to-clean condensate drip tray made from galvanised sheet steel, powder-coated RAL 9005, with condensate drain Ø 12 x 1 [mm]
  • Outdoor air filter as Mini Pleat filter, class ePM1 (fine dust filter):
    • Filter class to ISO 16890: ISO ePM1 65%
    • Eurovent-certified
    • ePM1 filter media made from high-quality, wet-strengthened glass fibre paper are pleated, the spacers are made from thermoplastic hot melt adhesive and ensure uniform spacing (4 mm) between the pleats
    • The frame is made from moisture-resistant non-woven fibre with lugs (for pulling it out) and must not reduce the flow cross-section (filter size = flow cross-section)
    • Filter area >= 1.6 m²
  • Extract air filter class G3 (coarse dust filter) as flat filter medium, filter class according to ISO 16890: ISO coarse 55%
  • Quick change of the filters is possible, since the filter insert can be opened without tools after opening the outer casing (by others) via user-friendly quarter-turn fasteners (accessibility must not be restricted by the under sill trim that is provided by others)
  • Possibility of supporting a window sill provided by the customer, intake of the extract air is below the window sill, on the top of the unit
  • Closed cell sealing tapes for sealing and adaptation to the outer casing provided by others (not included in the TROX supply package)
  • The under sill trim provided by others (supply package by TROX possible on request) has to be perforated in areas of the radiator to be specified for the introduction of supply air into the room and must not restrict maintenance work and unit assembly/disassembly on the front of the unit. On the top of the casing, there is also a perforation in areas to be specified for extract air removal
  • Clear distance between the front edge of the unit and the inner edge of the under sill trim approx. 30 mm

The front of the device must be completely accessible after disassembly of the outer casing

Units, dimensions and weight: 

  • Width: approx. 1150 mm (including side setup angles)
  • Height: approx. 670 mm (without seal for window sill, without height adjustment)
  • Depth: approx. 320 mm (without compressible façade seal on the back of the unit)
  • Weight: approx. 75 kg



FSL-CONTROL III controller

Including control system FSL-CONTROL III, as described below:

FSL-CONTROL III is described as a stand-alone single room control system with a simple timer. Optional expansions, such as integration into an on-site MCE/BACS via Modbus TCP, Modbus RTU, BACnet MS/TP or BACnet IP, humidity sensors, return temperature sensors, electromotive valve actuators or pressure-independent control valves, are included in the delivery programme, but must be exchanged for the standard components in the following description. A room temperature signal is also required. Various room control panels and sensors are available to provide this signal. Suitable optional equipment can be found after the following standard equipment for stand-alone operation. - please refer to: Optional control accessories. We recommend commissioning by TROX. You will find related text modules below.

TROX control module FSL-CONTROL III (order code ...-C3-MA ...):

  • Single room controller to be mounted on a DIN mounting rail in the unit or in a separate control equipment box
  • 42 digital or analogue inputs and outputs
  • A MicroSD card (at least 2 GB storage space) is integrated as a flash memory medium. The trend data are stored there and can be retrieved via the RJ45 socket
  • Factory-equipped with a software package for master units specially developed for decentralised ventilation units. The software enables simple master-slave communication via Modbus RTU
  • Up to 10 slave devices can be connected to one master device
  • The software provides 3 types of operation (Off, Automatic and Manual), 3 operating modes (Occupied, Unoccupied and Standby) and 4 operating mode overrides (Boost, Class, Night Ventilation and Fan Forced Circuit)
  • Basic distinction between room temperature control by controlling heating and cooling valves or continuous bypass damper or supply air temperature control for isothermal ventilation operation
  • CO2-guided air quality control
  • Heat recovery all year round
  • Filter monitoring
  • Configurable DI for on-site connection of presence detectors, window contacts, holiday switching, etc.
  • Alarm messages: Type A (shutdowns) and Type B (notifications)


Real time clock (RTC)

Real Time Clock (RTC/real time clock) (order code ...-T/...):



  • Component of the Master Software Package
  • Enables a simple timer
    • 7 days with 10 switching points each
    • Automatic summer / winter time changeover
    • Temporal activation of night purge


CO2 sensor

COsensor (order code…/C/…):



  • Sensor arranged in the extract air intake of the master unit for recording the indoor air quality and corresponding control of the outdoor air flow rate
  • Measurement via an NDIR sensor, which works on an infrared basis and compensates for any contamination by its 2-beam measurement principle
  • Measuring range 0 – 2000 ppm


Supply air temperature sensor

Supply air temperature sensor (order code .../Z/...):

  • Supply air temperature sensor with NTC thermistor, 10 kΩ at 25 °C, measuring range -35 to 105 °C
  • Very short response time due to perforated measuring tip


Fresh air temperature sensor

Outdoor air temperature sensor (order code .../A/...):

  • Outdoor air temperature sensor with NTC thermistor, 10 kΩ at 25 °C, measuring range -35 to 105 °C


Water side components

Water-side components (order code…/HV-R-…/KV-R-…):

Valve actuators:

  • 2 × thermoelectric actuators for opening and closing valves, with position indicator, including pluggable connection power, operating voltage 24 V DC, control voltage 0 - 10 V DC, power consumption 1 W, protection class: IP 54

Straight-way valves:

  • 2 × straight through small valves ½" standard, hand-tight pre-assembled, PN 16, DN 10, kvs 0.4 (alternatively 0.25, 0.63 or 1.0 m³/h - please state the required kvs-Value), valve body straight through with external thread on both sides ½" flat sealing, medium temperature 1 - 110 °C

Lockshields:

  • 2 × return fittings on both sides ½", hand-tight pre-assembled, nominal width DN 15; valve body straight through with external thread on both sides ½" flat sealing, for regulation and shut-off, media temperature max. 120 °C


Optional control accessories

Optional equipment to increase the comfort of the FSL-CONTROL III:

TROX room control panels for FSL-CONTROL III:

At least one room temperature signal is required per room. There are several variants of TROX room control panels available, optionally with or without selector switch. Additionally, we offer a room temperature sensor RTF without control elements. Alternative on-site room control panel must be connected via bus communication.

Digital room control panels for surface mounting:

For operation and adjustment of the ventilation units.

  • Supplied loosely as an accessory. Connection to master unit via Modbus Serial line. Project-specific software including setpoint value adjuster, various status displays, selector switch, CO2-indicator. Touch-sensitive colour display 3.5" 320 × 240 pixels. Sensor: NTC 10 kΩ. Protection level: IP 20. Type: Schneider TM172DCLWT. Dimensions (H × B × T): 120 × 86 × 25 mm, weight: 340 g, colour: white. Installation: Surface mounting or on a standard flush-mounted box. Power supply: 24 V DC (including suitable switching power supply unit for flush-mounted installation). Power consumption: 3.2 VA/1.3 W. Other design frames are available upon request and for a surcharge.

Control panels with selector switch for surface mounting

Control panel with selector switch, type Thermokon, for surface mounting:

  • Supplied loose as an accessory, with room temperature sensor, setpoint adjuster, override button, LED and 3-step switch as well as off and automatic, casing made of PVC0 pure white (RAL 9010), mounting on 60 mm flush-mounted box or directly on the wall, NTC thermistor as sensor element, resistance 20 kΩ at 25 °C, dimensions (B × H × T): 84.5 × 84.5 × 25 mm, operating temperature: -35 to 70 °C


Control panels without selector switch for surface mounting

Control panel without selector switch, type Thermokon, for surface mounting:

  • Supplied loosely as additional part, with mode display, push button and setpoint adjustment, sensor NTC 20 kΩ, protection level: IP 20, dimensions (B x H x T) 84.5 × 84.5 × 25 mm


Room temperature sensor for surface mounting

Room temperature sensor TROX RTF, surface mounting:

  • Supplied loosely as a separate part, room sensor without operating elements, measuring range: -35 to 70 °C, NTC 10 kΩ sensor, screw terminal connection terminal, cable cross-section 1.5 mm2, protection level IP 20, mounting on wall or on 70 mm flush-mounted box, dimensions (B × H × T) 85 × 85 × 30 mm, ABS casing in RAL 9010

Control panels without selector switch for flush mounting:

Manual operation of the ventilation units, high-quality appearance, matching design frames from various switch ranges. The units are particularly suitable for design-oriented interiors.

Control panel without selector switch, type Thermokon, for flush mounting, switch programme Berker S.1, polar white

  • Supplied loosely as an accessory, with mode display, push button and setpoint adjuster, NTC sensor 20 kΩ, protection level: IP 20

Control panel without selector switch, type Thermokon, for flush mounting, switch programme Berker Q.3, white

  • Supplied loosely as an accessory, with mode display, push button and setpoint adjuster, NTC sensor 20 kΩ, protection level: IP 20

Control panel without selector switch, for flush mounting, type Thermokon, switch from Busch Jäger future linear range, white

  • Supplied loosely as an accessory, with mode display, push button and setpoint adjuster, NTC sensor 20 kΩ, protection level: IP 20
  • Other switch programmes on request


Control panels without selector switch and without setpoint value adjuster, for flush mounting:

Control panel without selector switch and without setpoint value adjuster, type Thermokon, for flush mounting, switch programme Gira E2

  • Supplied loosely as an accessory, with mode display and push button, NTC sensor 20 kΩ, protection level: IP 20
  • Other switch programmes on request

Electromotive valve actuators as an alternative to the thermoelectric actuators installed as standard:

  • 2 x electromotive actuators for opening and closing valves, supply voltage AC/DC 24 V, maximum power consumption 2.5 VA, signalling of control signal 3-point DC 0 – 10 V, permitted operating fluid temperature 1 to 110 °C

Pressure-independent control valves as an alternative to the small straight-way valves installed as standard:

  • 2 x pressure-independent control valves, hand-tight pre-assembled with modulating open/close control in combination with an externally adjustable dynamic volume flow controller, with full valve authority, nominal width DN 10, straight-through valve body with external thread on both sides ½" flat sealing, media temperature 0 to 120 °C

Interface for integration into an on-site MCE/BACS:


Modbus TCP interface including web server (order code .../MT/...)

To increase convenience, we recommend integration into an on-site MCE/BACS or visualisation with X-TAIRMINAL. FSL-CONTROL III can be integrated into an on-site MCE/BACS via the Modbus TCP protocol. Additionally including web server for simplified configuration, commissioning and remote monitoring of the unit. The MCE/BACS is not included in the supply package from Trox SE, only the interfaces listed above are available here.

  • Modbus TCP interface (Ethernet)

BACnet IP interface including web server (order code .../BI/...):

To increase convenience, we recommend integration into an on-site MCE/BACS. FSL-CONTROL III offers the option of being integrated into an on-site MCE/BACS via the BACnet IP protocol. Additionally including web server for simplified configuration, commissioning and remote monitoring of the unit. The MCE/BACS is not included in the supply package from Trox SE, only the interfaces listed above are available here.

  • BACnet IP interface (Ethernet)

Modbus RTU (order code .../MR/...)

To increase convenience, we recommend integration into an on-site MCE/BACS. FSL-CONTROL III offers the option of being integrated into an on-site MCE/BACS via Modbus RTU. The MCE/BACS is not included in the supply package from Trox SE, only the interfaces listed above are available here.

  • Modbus RTU interface (RS485)

BACnet MS/TP (order code .../BM/...)

To increase convenience, we recommend integration into an on-site MCE/BACS. FSL-CONTROL III offers the option of being integrated into an on-site MCE/BACS via BACnet MS/TP. The MCE/BACS is not included in the supply package from Trox SE, only the interfaces listed above are available here.

  • BACnet MS/TP interface (RS485)

Version as SLAVE DEVICE

Identical to the MASTER DEVICE, as described above, but with the following deviations:

  • No room air quality measurement in the unit
  • No connection option for room control panels
  • No outdoor temperature detection in the outdoor air
  • No connection to on-site bus communication possible
  • Pre-assembled self-sufficient control system for decentralised façade ventilation units in SLAVE construction


Commissioning of the decentralised ventilation units

Commissioning/parameterisation of the decentralised ventilation units without integration into an on-site MCE/BACS



  • Visual inspection of the device connections on site for compliance with the respective installation specifications from the installation and configuration instructions: air connections, heating/cooling connection, electrical connections, integration into the installed outer casing, connections of external components
  • Checking and, if necessary, adapting the project parameters pre-set in the factory with regard to customer-specific adaptations
  • Functional test of the individual components (control elements, fans, valves, dampers, sensors)
  • Checking the project-specific control functions including any special functions such as volt-free switch contacts
  • Documentation of the device settings and service work in a service report. The service report must be signed by your company or representative as the client.
  • Invoicing is done as a flat rate, derived from the number of units and distance.


 



Commissioning/parameterisation of the decentralised ventilation units with integration into an on-site MCE/BACS



  • Visual inspection of the device connections on site for compliance with the respective installation specifications from the installation and configuration instructions: air connections, heating/cooling connection, electrical connections, integration into the installed outer casing, connections of external components, connections of MCE/BACS
  • Checking and, if necessary, adapting the project parameters pre-set in the factory with regard to customer-specific adaptations
  • Functional test of the individual components (control elements, fans, valves, dampers, sensors)
  • Checking the project-specific control functions including any special functions such as volt-free switch contacts
  • Function test of the communication to the MCE/BACS in cooperation with the controls provider:
    • Checking that the on-site settings comply with the specifications in the installation and configuration instructions
    • Input test of the data points sent on site
    • Output test of the output data points
    • Trial operation of the operating states that can be switched by the MCE/BACS
  • Documentation of the device settings and service work in a service report. The service report must be signed by your company or representative as the client.
  • Invoicing is done as a flat rate, derived from the number of units and distance.


 



Instruction in operation and maintenance



  • One-time instruction for the operation of the decentralised ventilation units consisting of:

    • Description of the equipment functions on the unit that has already been put into operation
    • Description of the room control panel and the room conditions that can be influenced by it
    • Description of the maintenance work
  • Invoicing is done on a flat-rate basis. The instruction is carried out by the responsible sales representative


 

RA-B-ZAB+SEK41KR / 1150 × 670 × 320 / C3MAT / MR / C / Z / A / HVR0.40 / KVR0.40
||||||||||||||||||
123456789101112131415161718

1 Type
RA-B-ZAB+SEK horizontal decentralised sill ventilation unit with 3 fans X-CUBE/ROOMAIR-B-ZAB+SEK

2 Heat exchanger
2 2-pipe
4 4-pipe

3 Heat recovery construction
Specify design (technical design with TROX EPF or TROX CONFIGURATOR)

4 Construction
KR with condensate drain and water connection right

5 Nominal size [mm]
Width × height × depth

1150 × 670 × 320

6 Control system
OR without control system
C3 with FSL-CONTROL III

7 Control function
MA Master
SL Slave

8 Real time clock
Only with control function MA
No entry: without real time clock
T with real time clock

9 Interface
No entry: without interface
MT with Modbus TCP
MR with Modbus RTU (only with control function MA)
BI with BACnet IP
BM with BACnet MS/TP (only with control function MA)

10 Air quality sensor
Only with control function MA
No entry: without air quality sensor
C with CO2 sensor
V with VOC sensor

11 Supply air temperature sensor
Z with supply air temperature sensor

12 Outdoor air temperature sensor
Only with control function MA
No entry: without outdoor air temperature sensor
A with outdoor air temperature sensor

13 Heating valve
HV with thermoelectric actuator

HVE with electromotive actuator

14 Lockshield – heating circuit
R with lockshield

15 kVS value – heating valve
0.25 (straight-way valve)
0.40 (straight-way valve)
0.63 (straight-way valve)
1.00 (straight-way valve)

F0.50 (pressure-independent control valve)

16 Cooling valve
With heat exchanger '4' only
KV with thermoelectric actuator
KVE with electromotive actuator

17 Lockshield – cooling circuit
With heat exchanger '4' only
R with lockshield

18 kVS value – cooling valve
With heat exchanger '4' only
0.25 (straight-way valve)
0.40 (straight-way valve)
0.63 (straight-way valve)
1.00 (straight-way valve)
F0.50 (pressure-independent control valve)


Order example: RA-B-ZAB+SEK-4-1-KR/1150×670×320/C3-MA-T/MR/C/Z/A/HV-R-0.40/KV-R-0.4


Type

RA-B-ZAB+SEK – horizontal decentralised sill ventilation unit with 3 fans X-CUBE/ROOMAIR-B-ZAB+SEK

Heat exchanger
4-pipe
Heat exchanger construction
Heat exchanger type 1
Construction 
with condensate drain and water connection right
Nominal size [mm]
Width 1150, height 670, depth 320
Control system
with FSL-CONTROL III
Control function
Master
Real time clock
with real time clock
Interface
with Modbus RTU
Air quality sensor
with CO2sensor
Supply air temperature sensor
with supply air temperature sensor
Outdoor air temperature sensor
with outdoor air temperature sensor
Heating valve
with thermoelectric actuator
Lockshield – heating circuit 
with lockshield 
kVS value – heating valve
0.40 (straight-way valve)
Cooling valve
with thermoelectric actuator 
Lockshield – cooling circuit
with lockshield 
kVS value – cooling valve
0.40 (straight-way valve)

Downloads

product information

certificates

operation manuals

production {"x-frame-options"=>"SAMEORIGIN", "x-xss-protection"=>"0", "x-content-type-options"=>"nosniff", "x-permitted-cross-domain-policies"=>"none", "referrer-policy"=>"strict-origin-when-cross-origin", "strict-transport-security"=>"max-age=31536000; includeSubDomains", "content-type"=>"text/html; charset=utf-8", "link"=>"</assets/application-efbc495b06ca980ef13dc743756002fce2f413f798fecb64c7f0c81954c16402.css>; rel=preload; as=style; nopush,</assets/print-fec2e47d6d8dcc5d4c101139f17046ba981ca1c12f71e7e403fba50cc7584175.css>; rel=preload; as=style; nopush,</assets/other_js/modernizr.custom.93544-c26374a79d804901074bb4aa6fd3fa44ea22e840389915d2adce16b024021ef3.js>; rel=preload; as=script; nopush,</assets/other_js/js.cookie.min-de103d86d1919b40950f791699b4ce768137fde41af09b35ff92bde369732183.js>; rel=preload; as=script; nopush,</assets/other_js/jquery-3.5.1-2c4ce18a1a3f144c333912efc24a76c9a165a0dba9f88a499985df1af0a196a2.js>; rel=preload; as=script; nopush"}

Share page

Recommend this page

Recommend this page by sending a link by mail.

Fields marked with an (*) are required fields.

Share page

Thank you for your recommendation!

Your recommendation has been sent and should arrive shortly.

Contact

We are here for you

Please specify your message and type of request
Tel.: +49 (0)2845 / 202-0 | Fax: +49 (0)2845/202-265

Attachment (max. 10MB)

Fields marked with an (*) are required fields.

Contact

Thank you for your message!

Your message is send and will be processed shortly.
Our department for Service-Requests will contact you asap.
For general question regarding products or services you can also call:
Tel.: +49 (0)2845 / 202-0 | Fax: +49 (0)2845/202-265

Contact

We are here for you

Please specify your message and type of request
Tel.: +49 (0)2845 / 202-0 | Fax: +49 (0)2845/202-265

Attachment (max. 10MB)

Fields marked with an (*) are required fields.

Contact

Thank you for your message!

Your message is send and will be processed shortly.
Our department for Service-Requests will contact you asap.
For general question regarding products or services you can also call:
Tel.: +49 (0)2845 / 202-0 | Fax: +49 (0)2845/202-265