BUSS_img_01png.png
Bussystem_MP-Bus_imgpng.png.link
Bussystem_BACnet_imgjpg.jpg.link
Bussystem_Modbus_imgpng.png.link
X-AIRCONTROL_img_11psd.psd.link
X-AIR-ZMO-MP

X-AIRCONTROL Zonenmodul MP-Bus

BUSS_img_01png.png
Bussystem_MP-Bus_imgpng.png.link
Bussystem_BACnet_imgjpg.jpg.link
Bussystem_Modbus_imgpng.png.link
X-AIRCONTROL_img_11psd.psd.link

BUSS - VOLUMENSTROM SCHNELLLÄUFER MP/MODBUS/BACNET

Regelkomponente mit statischem Transmitter und separatem schnelllaufendem Stellantrieb für VVS-Regelgeräte

Universale Baueinheit für VVS-Regelgeräte

  • Regler und statischer Wirkdrucktransmitter in einem Gehäuse

  • Separater schnelllaufender Stellantrieb mit einfacher Steckerverbindung

  • Einsatz in raumlufttechnischen Anlagen, bei sauberer und verunreinigter Luft

  • Geeignet für konstante und variable Volumenströme

  • Aktivierung von Zwangssteuerungen durch externe Beschaltung

  • Volumenströme qvmin und qvmax werkseitig parametriert und im Regler gespeichert

  • Änderung von Betriebsparametern über PC-Software sowie Smartphone- und Tablet-App (TROX FlowCheck App)

  • Servicezugang für PC-Konfigurationssoftware

  • Smartphone-Zugriff über NFC-Schnittstelle und Bluetooth

  • Sollwertvorgaben, Zwangssteuerungen und Parameteranpassung über analoge Schnittstelle oder Buskommunikation

  • Hohe Datentransparenz durch standardisierte Buskommunikation MP-Bus, Modbus RTU oder BACnet MS/TP

 

Allgemeine Informationen

Anwendung

  • Regelungstechnische Kompletteinheit für VVS-Regelgeräte

  • Statischer Wirkdrucktransmitter und Reglerelektronik in einem Gehäuse vereinigt

  • Separater schnelllaufender Stellantrieb mit vorgefertigtem Anschlussstecker

  • Für den Einsatzbereich bei sauberer und verunreinigter Luft

  • Unterschiedliche Regelaufgaben durch entsprechende Sollwertvorgabe

  • Raumtemperaturregler, Gebäudeleittechnik, Luftqualitätsregler und andere steuern die variable Volumenstromregelung durch Vorgabe von Sollwerten über Kommunikationsschnittstelle oder Analogsignal

  • Zwangssteuerungen für die Aktivierung von qvmin, qvmax, Absperrung, Offenstellung über MP-Bus-Datenpunkte oder Modbus/BACnet-Register oder Schalter bzw. Relais möglich

  • Volumenstromistwert steht als Netzwerkdatenpunkt oder lineares Spannungssignal zur Verfügung

  • Klappenstellung steht als Netzwerkdatenpunkt zur Verfügung

  • Konfiguration des Reglers und der Kommunikationsparameter mit TROX FlowCheck App und PC-Tool


Regelkonzept

  • Volumenstromregler arbeitet kanaldruckunabhängig

  • Druckschwankungen bewirken keine bleibenden Volumenstromabweichungen

  • Eine Totzone (Hysterese), innerhalb der die Stellklappe nicht bewegt wird, sorgt für stabile Regelung

  • Volumenstrombereich werkseitig im Regler parametriert
    qvmin: minimaler Volumenstrom
    qvmax: maximaler Volumenstrom

  • Betriebsparameter werden per Bestellschlüssel festgelegt und werkseitig parametriert


Schnittstelle

Analoge Schnittstelle

  • Analogschnittstelle mit einstellbarem Signalspannungsbereich

  • Analogsignal für Volmenstromsollwert

  • Analogsignal für Volumenstromistwert


Digitale Kommunikationsschnittstelle (Bus)

  • MP-Bus

  • Modbus RTU, RS485

  • BACnet MS/TP, RS485

  • Datenpunkte siehe Buslisten


Hybridbetrieb

  • Mischbetrieb von analoger und digitaler Schnittstelle


Werkseinstellung

  • Sollwertvorgabe über Analogschnittstelle

  • Istwertausgabe über Analogschnittstelle und Modbus-Kommunikationsschnittstelle


Betriebsarten

Variabler Betrieb (V)

  • Sollwertvorgabe über Analogsignal, Modbus, BACnet oder MP-Bus
    Arbeitsbereich entspricht qvmin – qvmax


Festwert-Betrieb (F)

  • Kein Sollwertsignal erforderlich, Sollwert entspricht qvmin


Betriebsparameter

  • Volumenstrombereich werkseitig im Regler parametriert
    qvmin: minimaler Volumenstrom
    qvmax: maximaler Volumenstrom

  • qvmin = 0 – 100 % vom Nennvolumenstrom qvnenn einstellbar

  • qvmax = 20 – 100 % vom Nennvolumenstrom qvenn einstellbar


Signalspannungsbereiche

  • 0 – 10 V DC

  • 2 – 10 V DC


Bauteile und Eigenschaften

  • Transmitter nach statischem Messprinzip

  • Separater schnelllaufender Stellantrieb mit einfachem Anschlussstecker

  • Steckbare Anschlussklemmen für Zuleitung und Ansteuerungen inklusive Abdeckung

  • Steckbuchse für den Antrieb

  • NFC- und Serviceschnittstelle

  • Entriegelungstaste zur Handbetätigung

  • Kontrollleuchten zur Anzeige des Betriebszustands

  • Adressierungstaste zur Einstellung von Teilnehmeradressen bei Busbetrieb

  • Reglergehäuse vorbereitet mit 4 Durchbrüchen für Verschraubungen, 2 Kabelverschraubungen M16 × 1,5 für Anschlussleitung im Lieferumfang


Ausführung

BUSS mit Antrieb LMQ24A-VST für: 

  • TVR, TVZ, TVA, TVRK, Nenngrößen 100 – 250


BUSS mit Antrieb NMQ24A-VST für: 

  • TVR, TVZ, TVA, TVRK, Nenngrößen 315 – 400

  • TZ-Silenzio, TA-Silenzio

  • TVJ bis Abmessung 1000 × 600

  • TVT bis Abmessung 700 × 200 bzw. 400 × 300


Inbetriebnahme

  • Aufgrund der werkseitig eingestellten Volumenströme ist stets darauf zu achten, dass der Einbau der Regelgeräte nur an den vorgesehenen Stellen erfolgt

  • Modbus/BACnet/MP-Bus-Schnittstelle: zusätzliche Inbetriebnahmeschritte erforderlich

  • Betriebsparameter einstellbar über TROX FlowCheck App


Ergänzende Produkte

  • TROX FlowCheck App für Android und iOS

  • Einstellgerät Typ ZTH-EU (Bestellschlüssel AT-VAV-B) 

  • Belimo PC-Tool

  • NFC-Bluetooth Konverter ZIP-BT-NFC

  • X-AIRCONTROL Zonenmodule für Raumregelung

Technische Information

Funktion, Ausschreibungstext, Bestellschlüssel

  • FUNKTION
  • AUSSCHREIBUNGSTEXT
  • BESTELLSCHLÜSSEL
Funktionsprinzip Universalregler: TVR, TVJ, TVT, TZ-/TA-Silenzio, TVZ, TVA, TVRK

① Differenzdrucktransmitter
② Stellantrieb
③ Volumenstromregler
④ Sollwertsignal

Charakteristisch für Volumenstromregelgeräte ist ein geschlossener Regelkreis zur Regelung des Volumenstroms, das heißt Messen – Vergleichen – Stellen.
Die Erfassung des Volumenstroms erfolgt durch Messung eines Differenzdrucks (Wirkdrucks). Dies geschieht über einen Differenzdrucksensor. Ein integrierter Wirkdrucktransmitter setzt dabei Wirkdruck in ein Spannungssignal um. Der Volumenstromistwert steht als Spannungssignal zur Verfügung. Durch die werkseitige Justage entsprechen 10 V DC am Istwertausgangssignal immer dem Nennvolumenstrom (qvNenn).

Der Volumenstromsollwert wird von einem übergeordneten Regler (z. B. Raumtemperaturregler, Luftqualitätsregler, Gebäudeleittechnik) vorgegeben. Die variable Volumenstromregelung erfolgt zwischen qvmin und qvmax. Die Übersteuerung der Raumtemperaturregelung durch Zwangsschaltungen, beispielsweise Absperrung, ist möglich.
Der Regler vergleicht den Volumenstromsollwert mit dem aktuellen Istwert und steuert der Regelabweichung entsprechend den externen Stellantrieb.

Kategorie

  • Universalregler für Volumenstrom 


Anwendung

  • Regelung eines konstanten oder variablen Volumenstromsollwerts
  • Elektronischer Regler zur Aufschaltung einer Führungsgröße und Abgriff eines Istwertsignals
  • Istwertsignal auf Nennvolumenstrom bezogen, dadurch vereinfachte Inbetriebnahme und nachträgliche Verstellung
  • Standalone-Betrieb oder Einbindung in die Gebäudeleittechnik


Einsatzbereich

  • Statischer Transmitter für verschmutzte Luft in raumlufttechnischen Anlagen


Stellantrieb

  • Stellantrieb schnelllaufend, Laufzeit maximal 4 s für 90°


Einbaulage

  • Beliebig


Anschluss

  • Steckbare Anschlussklemmen, keine zusätzliche Klemmdose erforderlich


Versorgungsspannung

  • 24 V AC/DC


Schnittstelle/Ansteuerung

Analogsignal



  • 0 – 10 V DC oder 2 – 10 V DC


Busschnittstelle



  • MP-Bus
  • Modbus RTU
  • BACnet MS/TP


Schnittstelleninformation

Analog:

  • Volumenstrom Soll- und Istwert


Busschnittstelle: 

  • Volumenstrom Soll- und Istwert
  • Klappenstellung
  • Störungsstatus


Systemanbindung

MP-Bus für optionale Erweiterungen

  • Passend zu TROX X-AIRCONTROL Zonenmodul X-AIR-ZMO-MP
  • Gateways für LonWorks, Modbus, BACnet, KNX z. B. Belimo UK24EIB
  • Fan Optimiser, z. B. Belimo COU24-A-MP


Modbus RTU für optionale Erweiterungen

  • Passend zu TROX X-AIRCONTROL Zonenmodul X-AIR-ZMO-MOD, z. B. in Verbindung mit X-SENS-SPLITTER


Sonderfunktionen

  • Aktivierung qvmin, qVmax, Geschlossen, Offen, Regelungsstopp durch externe Schaltkontakte/Beschaltung oder Buskommunikation


Parametrierung

Für VVS-Regelgerät spezifische Parameter werkseitig parametriert

  • Betriebswerte qvmin, qvmax werkseitig parametriert
  • Signalkennlinie werkseitig parametriert


Nachträgliche Anpassung

  • Über TROX FlowCheck App (NFC oder Bluetooth mit optionalem Adapter)
  • Einstellgerät (kabelgebunden)
  • Über PC-Software


Auslieferungszustand

  • Elektronischer Regler werkseitig auf Regelgerät montiert
  • Werkseitige Parametrierung
  • Funktionsprüfung unter Luft; mit Aufkleber bescheinigt
  • Regler in Offenstellung

TVRD / 200 / D2 / BUSS / V0 / qvminqvmaxm³/h
|||||||||
12567891011
1 Serie
TVR VVS-Regelgerät
 
2 Dämmschale
Keine Eintragung: ohne
D mit Dämmschale
 
3 Material
Verzinktes Stahlblech (Grundausführung)
P1 Oberfläche pulverbeschichtet RAL 7001, silbergrau
A2 Edelstahlausführung
 
4 Luftleitungsanschluss
 
5 Nenngröße [mm]
100, 125, 160, 200, 250, 315, 400
 
6 Zubehör
Keine Eintragung: ohne
D2 Doppellippendichtung beidseitig
G2 Gegenflansch beidseitig

7 Anbauteile (Regelkomponente)
BUSS Universalregler mit statischem Transmitter und schnelllaufendem Antrieb
 
8 Betriebsart
F Festwert (ein Sollwert)
V variabel (Sollwertbereich)
 
9 Signalspannungsbereich
0 0 – 10 V DC
2 2 – 10 V DC
 
10 Betriebswerte zur werkseitigen Einstellung
Volumenströme in m³/h oder l/s
qvkonst (nur bei Betriebsart F)
qvmin (nur bei Betriebsart V)
qvmax (nur bei Betriebsart V)
 
11 Volumenstromeinheit
m³/h
l/s

Bestellbeispiel: TVR/100/D2/BUSS/V0/50-354 m³/h

Dämmschaleohne
Materialverzinktes Stahlblech
Nenngröße100 mm
ZubehörDoppellippendichtung beidseitig
AnbauteilVARYCONTROL Universalregler, statischer Transmitter
Signalspannungsbereich 0 – 10 V DC
Betriebswerteqvmin = 50 m³/h
qvmax = 354 m³/h

Varianten, Produktdetails

  • Varianten
  • PRODUKTDETAILS


Analogschnittstelle 0 – 10 V DC bzw. 2 – 10 V DC

Im Auslieferungszustand hat die Sollwertvorgabe über die analoge Schnittstelle zu erfolgen. Sollte die Sollwertvorgabe über eine digitale Kommunikationsschnittstelle erfolgen, kann dies jederzeit über die TROX FlowCheck App auf Modbus, BACnet oder MP-Bus umgestellt werden. Die Analogschnittstelle kann für den Signalspannungsbereich 0 – 10 V DC oder 2 – 10 V DC durch die TROX FlowCheck App eingestellt werden. Die Zuordnung von Volumenstromsollwert bzw. -istwert zu Spannungssignal ist in den Kennliniendarstellungen abgebildet.



Sollwertvorgabe

Variabler Betrieb

  • In der variablen Betriebsart erfolgt die Sollwertvorgabe mit einem Analogsignal an der Klemme 3. Sollwertvorgaben über das jeweilige Bussystem werden abgewiesen
  • Gewählter Signalspannungsbereich 0 – 10 V bzw. 2 – 10 V DC wird dem eingestellten Volumenstrombereich qvmin – qvmax zugeordnet
  • Volumenstrombereich qvmin – qvmax werkseitig entsprechend Bestellschlüsselangaben voreingestellt
  • Nachträgliche Anpassung von qvmin bzw. qvmax über Einstellgerät, TROX FlowCheck App oder PC-Tool möglich

Festwertbetrieb

  • In der Betriebsart Festwertbetrieb ist kein Analogsignal an der Klemme 3 erforderlich
  • Es wird der durch qvmin eingestellte Volumenstromfestwert geregelt
  • Volumenstrom qvmin werkseitig entsprechend Bestellschlüsselangabe voreingestellt
  • Nachträgliche Anpassung von qvmin über Einstellgerät, TROX FlowCheck App oder PC-Tool möglich



Istwert als Feedback für Überwachung oder Folgeregelung

  • An der Klemme 5 kann der vom Regler gemessene Istvolumenstrom als Spannungssignal abgegriffen werden
  • Gewählter Signalspannungsbereich 0 – 10 V DC bzw. 2 – 10 V DC wird auf den Volumenstrombereich 0 – qvNenn abgebildet
  • Im Analogbetrieb besteht parallel die Möglichkeit, Betriebsdaten über die Modbusschnittstelle abzufragen (Hybridbetrieb)



Zwangssteuerung

Für besondere Betriebssituationen kann der Volumenstromregler in einen speziellen Betriebszustand (Zwangssteuerung) gebracht werden. Möglich sind: Regelung qvmin, Regelung qvmax, Regelklappe in Offenstellung (OFFEN), Regelklappe geschlossen (ZU) oder Regelungsstopp.



Zwangssteuerungen über Signaleingang Y oder Zwangssteuerungseingänge Z1, Z2

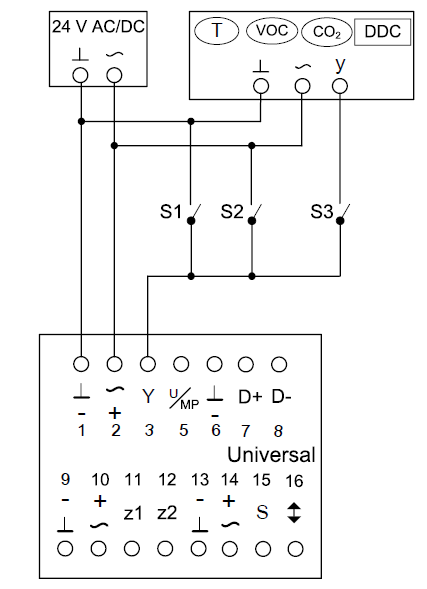
Durch passende Beschaltung der Eingänge Y, Z1, Z2 können die Zwangssteuerungen entsprechend den Anschlussbildern über Beschaltung mit externen Schaltkontakten/Relais aktiviert werden (siehe Verdrahtungsbeispiele).



Zwangssteuerung ZU über Führungssignal am Signaleingang Y

Bei Signalspannungsbereich 0 – 10 V DC und Einstellwert qvmin = 0

  • Klappe ZU = Y < 0,45 V DC
  • Klappe AUF = Y > 0,55 V DC

Bei Signalspannungsbereich 0 – 10 V DC und qvmin > 0

  • Ist über das Führungssignal keine Zwangssteuerung ZU möglich. Der Regelvorgang erfolgt über den gesamten Signalspannungsbereich

Bei Signalspannungsbereich 2 – 10 V DC und Einstellwert qvmin = 0

  • Klappe ZU = Y < 2,36 V DC
  • Klappe AUF = Y > 2,44 V DC

Bei Signalspannungsbereich 2 – 10 V DC und Einstellwert qvmin > 0

  • Klappe ZU = Y < 0,3 V DC
  • Klappe AUF = Y > 0,3 V DC



Zwangssteuerungen im Analogbetrieb über Modbus- oder BACnet-Schnittstelle

Ist im Analogbetrieb die Busschnittstelle zusätzlich angeschlossen, kann über Modbusregister 1 oder BACnet Object MO[1] ebenfalls eine Zwangssteuerung vorgegeben werden.



Zwangssteuerung für Diagnosezwecke

Aktivierung über TROX FlowCheck App



Priorisierung verschiedener Vorgabemöglichkeiten

  • Vorgaben für Zwangssteuerungen über Analog sind gegenüber Modbus/BACnet-Vorgaben priorisiert
  • Höchste Priorität: Vorgabe über eine analoge Zwangssteuerung
  • Mittlere Priorität: Vorgaben über den Servicestecker (Einstellgerät, PC-Software) zu Testzwecken
  • Niedrigste Priorität: Vorgabe über Modbus/BACnet/MP-BUS



Analoger Hybridbetrieb

  • Bei analoger Sollwertvorgabe über Klemme 3 und analoger Rückmeldung über Klemme 5 ist trotzdem eine Rückmeldung über BACnet MS/TP oder Modbus RTU möglich
  • Werkseitig voreingestellt ist für die Busschnittstelle Modbus RTU; dies kann jedoch über TROX FlowCheck App oder PC-Tool umgestellt werden
  • Diverse Betriebsparameter gemäß Busschnittstellenliste über Modbus RTU oder BACnet MS/TP abrufbar
  • Zwangssteuerungen qvmin, qvmax, Regelklappe in Offenstellung (OFFEN) oder Regelklappe geschlossen (ZU) über Busschnittstelle möglich



Digitale Kommunikationsschnittstelle

Für eine Sollwertvorgabe über die Busschnittstelle ist eine bauseitige Umstellung mit der TROX FlowCheck App notwendig. Die Bussschnittstelle kann auf Modbus, BACnet und MP-Bus eingestellt werden. Für den reibungslosen Datenaustausch im bauseitigen Bus-Netzwerk ist die Einstellung der Kommunikationsparameter und der Teilnehmeradresse für die Busschnittstelle erforderlich. Die Kommunikationsparameter der Bussysteme (Adresse, Baudrate ...) können mit der TROX FlowCheck App eingestellt werden. Die Schnittstelle bietet standardisierte Bus-Register/Objekt-Zugriffe auf die verfügbaren Datenpunkte.



Sollwertvorgabe

  • In der Betriebsart Modbus RTU (Werkseinstellung) erfolgt die Sollwertvorgabe durch Vorgabe des Volumenstromsollwerts [%] im Modbusregister 0
  • In der Betriebsart BACnet MS/TP erfolgt die Sollwertvorgabe durch Vorgabe des Volumenstromsollwerts [%] im BACnet-Object AI[1]
  • Der übergebene Prozentwert bezieht sich auf den durch qvmin – qvmax festgelegten Volumenstrombereich
  • Volumenstrombereich qvmin – qvmax werkseitig entsprechend Bestellschlüsselangaben voreingestellt
  • Nachträgliche Anpassung von qvmin bzw. qvmax über Einstellgerät, TROX FlowCheck App, PC-Tool oder über Modbus/BACnet-Schnittstelle möglich



Istwert als Feedback für Überwachung oder Folgeregelung

  • Sowohl im Modbus als auch im BACnet sind die Istwerte in m³/h (Werkseinstellung) ablesbar. Andere Einheiten wie l/s oder cfm sind möglich
  • Neben dem Volumenstromistwert können weitere Informationen über andere Modbusregister/BACnet-Objekte ausgelesen werden
  • Übersicht der Register/Objekte in den Kommunikationstabellen
  • Zu Diagnosezwecken kann im Busbetrieb der Volumenstromistwert an der Klemme 5 abgegriffen werden
  • Der Volumenstrombereich 0 – qvNenn entspricht dabei immer dem Signalspannungsbereich von (0)2 – 10 V DC




Zwangssteuerung

Für besondere Betriebssituationen kann der Volumenstromregler in einen speziellen Betriebszustand (Zwangssteuerung) gebracht werden. Möglich sind: Regelung qvmin, Regelung qvmax, Regelklappe in Offenstellung (OFFEN), Regelklappe geschlossen (ZU) oder Regelungsstopp.



Zwangssteuerung über den Bus

Vorgaben erfolgen über das Modbusregister 1 bzw. über BACnet-Object Type MO[1].



Zwangssteuerung durch Busausfallüberwachung (Modbus)

Bei Ausfall der Modbuskommunikation für einen festgelegten Zeitraum kann ein vordefinierter Betriebszustand qvmin, qvmax, OFFEN oder ZU aktiviert werden.

  • Die Festlegung der bei Busausfall zu aktivierenden Zwangssteuerung erfolgt über Modbusregister 108 oder 109
  • Die Festlegung, nach welcher Busausfallzeit die Zwangssteuerung aktiviert wird, erfolgt über Modbusregister 109 oder 110
  • Jegliche Modbuskommunikation setzt den Timeout der Busausfallüberwachung zurück



Zwangssteuerung durch Busausfallüberwachung (BACnet)

Bei Ausfall der BACnet-Kommunitkation für einen festgelegten Zeitraum kann ein vorderfinierter Betriebszustand aktiviert werden.

  • Die Festlegung des bei Busausfall zu aktivierenden Sollwerts erfolgt über den Reliquish_Default von SpRel (Object AO1)
  • Busausfallzeit wird definiert über BusWatchdog (Objekttyp AV [130])
  • Kommunikation auf die Datenpunkte SpRel (Object AO[1] und Override (Object MO[1]) setzt den Timeout der Busausfallüberwachung zurück




Zwangssteuerungen für Diagnosezwecke

Aktivierung über Bussyteme, extern/bauseitige Schaltkontakte (Brücken), und TROX FlowCheck App.



Priorisierung verschiedener Vorgabemöglichkeiten

Vorgaben für Zwangssteuerungen über Schaltkontakte sind gegenüber Modbus/BACnet-Vorgaben priorisiert.

  • Höchste Priorität: Vorgabe über eine analoge Zwangssteuerung
  • Mittlere Priorität: Vorgaben über den Servicestecker (TROX FlowCheck App) zu Testzwecken
  • Niedrigste Priorität: Vorgabe über Modbus/BACnet/MP-Bus

    Technische Daten

    • TECHNISCHE DATEN

    Universalregler für VVS-Regelgeräte

    Regler

    Stellantrieb

    Bestellschlüsseldetail

    Artikelnummer

    Typ

    Artikelnummer

    Typ

    VVS-Regelgeräte

    BUSSA00000073652VRU-M1-M/B TRA00000073644LMQ24A-VST TR

    BUSSA00000073652VRU-M1-M/B TRA00000073646NMQ24A-VST TR

    ① TVR, TVZ, TVA, TVRK, Nenngrößen 100 – 250

    • TVR, TVZ, TVA, TVRK, Nenngröße 315 – 400
    • TZ-Silenzio, TA-Silenzio
    • TVJ bis Abmessung 1000 × 600
    • TVT bis Abmessung 700 × 200 bzw. 400 × 300

     

    Universalregler, Typ VRU-M1-M/B TR

    Messprinzip

    statischer Transmittertyp, lageunabhängig

    Nennspannung

    AC/DC 24 V
    Nennspannung Frequenz50/60 Hz

    Funktionsbereich

    19,2-28,8 V AC / 21,6 - 28,8 V DC

    Leistungsbedarf (Betrieb/Ruhezustand)

    1,5 W

    Leistungsbedarf Dimensionierung

    2 VA plus angeschlossenem VST-Antrieb

    Leistungsverbrauch Dimensionierung Hinweis

    Imax 20 A @ 5 ms

    Anschluss Antrieb

    AC/DC Versorgung durch Regler, PP-Link VST-Antrieb 

    Busanschluss

    Modbus RTU*, BACnet MS/TP, MP-Bus

    einstellbare Kommunikationsparameter Modbus RTU

    Baudrate: 9600, 19200, 38400*, 76800, 115200;



    Adresse: 1*,2,3 – 247;



    Parity: 1-8-N-2*, 1-8-N-1, 1-8-E-1, 1-8-O-1;



    Anzahl der Knoten: Max. 32 (ohne Repeater)



    Abschlusswiderstand: 120 Ω;

    einstellbare Kommunikationsparameter BACnet MS/TP

    Baudrate: 9600, 19200, 38400*, 76800, 115200;



    Adresse: 1*,2,3 – 127;



    Anzahl der Knoten: Max. 32, (ohne Repeater)



    Abschlusswiderstand: 120 Ω;

    Adressierung

    Bauseits erforderlich: durch TROX FlowCheck App

    Eingang Sollwertsignal (analog optional)

    0 – 10 V, 2 – 10 V
    Eingangswiderstand 100 kΩ
     

    Ausgang Istwertsignal

    0 – 10 V, 2 – 10 V, max. 0,5 mA

    Schutzklasse IEC/ENIII (Schutzkleinspannung)
    SchutzartIP 42

    EMV

    CE gemäß 2014/30/EU

    * Werkseinstellung.


    Stellantrieb mit schnelllaufendem Antrieb LMQ24A-VST TR

    Versorgungsspannungvom Regler
    Leistungsbedarf (Betrieb)

    13 W

    Leistungsbedarf Dimensionierung

    23 VA

    Eigenverbrauch (Ruhezustand)

    2 W

    Drehmoment

    4 Nm

    Laufzeit für 90°

    2,5 s/90°

    Eingang Sollwertsignalvom Regler
    SchutzklasseIII (Schutzkleinspannung)
    Schutzart

    IP 54

    EMV

    EMV nach 2014/30/EU
    Gewicht

    0,56 kg

     


    Stellantrieb mit schnelllaufendem Antrieb NMQ24A-VST TR

    Versorgungsspannungvom Regler
    Leistungsbedarf (Betrieb)

    13 W

    Leistungsbedarf Dimensionierung

    23 VA

    Eigenverbrauch (Ruhezustand)

    2 W

    Drehmoment

    8 Nm

    Laufzeit für 90°

    4 s/90°

    Eingang Sollwertsignalvom Regler
    SchutzklasseIII (Schutzkleinspannung)
    Schutzart

    IP 54

    EMV

    EMV nach 2014/30/EU
    Gewicht

    0,78 kg

     

     


    Inbetriebnahme

    • Aufgrund der werkseitig eingestellten Volumenströme ist stets darauf zu achten, dass der Einbau der Regelgeräte nur an den vorgesehenen Stellen erfolgt
    • Nach Einbau und Verdrahtung ist der Regler über die Analogschnittstelle betriebsbereit
    • Volumenstromregelbereiche der VVS-Regelgeräte beachten, insbesondere minimalen Volumenstrom nicht unterschreiten
    • Klemmenabdeckung der Regelkomponente nur kurzzeitig während der Verdrahtung abnehmen


    Für Busbetrieb sind je nach geforderter Integration der Regelkomponente in das lokale Netzwerk weitere Inbetriebnahmeschritte erforderlich:

    Für Betrieb mit Modbus-Schnittstelle

    • Sollwertvorgabe mit Servicetool auf Bus umstellen
    • Busprotokoll ist werkseitig bereits aus Modbus RTU eingestellt; keine Anpassung erforderlich
    • Modbus-Teilnehmeradresse und Kommunikationseinstellungen anpassen


    Für Betrieb mit BACnet-Schnittstelle

    • Sollwertvorgabe mit Servicetool auf Bus umstellen
    • Busprotokoll mit Servicetool auf BACnet MS/TP umstellen
    • BACnet-Teilnehmeradresse und Kommunikationseinstellungen anpassen


    Für Betrieb mit MP-Bus-Schnittstelle

    • Sollwertvorgabe mit Servicetool auf Bus umstellen
    • Busprotokoll mit Servicetool auf MP-Bus umstellen
    • MP-Bus-Teilnehmeradresse und Kommunikationseinstellungen anpassen
    • Bei Betrieb mit MP-Bus-Schnittstelle in Bestandsanlagen als Ersatz für VRP-M-Regler: Aktivierung des VRP-M-Kompatibilitätsmodus erforderlich


    Funktionsumfang Service-Tools

    Funktion/Parametrierung

    TROX FlowCheck App

    PC-Tool

    ZTH-EU

    Einstellung qvmin, qvmaxR, WR, WR, W

    Istwertsignal 0 - 10 V DC, 2 - 10 V DC

    R, WR, W-
    Sollwertvorgabe analog, BusR, WR, W-
    Modbus, BACnetR, WR, W-
    MP-BusR, WR, W-
    Busparameter einstellenR, WR, W-
    Zwangssteuerungen ausführen

    nein

    NeinNein
    Trendanzeige

    ja

    ja-

    R,W = Funktion ist les- und schreibbar.
    - = Funktion ist für das Service Tool nicht vorhanden.

     


    Kommunikationsschnittstelle Modbus RTU

    NummerRegister-AdresseBeschreibungReichweite AufzählungEinheitSkalierungZugriff
    10

    Sollwert zwischen 


    qvmin/Δpmin (Reg. Adr. 105) und


    qvmax/Δpmax (Reg. Adr. 106).

    (*1) (*2) (*3) (*4)

    0 – 10.000


    Werkseinstellung: 0

    %

    0.01WR
    21

    Zwangssteuerung


     


    Überschreibt den Sollwert mit einer Zwangssteuerung.

    0: keine


    1: AUF


    2: ZU


    3: qvmin/Δpmin


    5: qvmax/Δpmax


    Werkseinstellung: keine

    WR
    32

    Befehlsauslösung 


     


    Auslösen von Funktionen für den Service und für Testzwecke. Befehl endet automatisch mit 0.


     

    0: keine


    1: Adaptieren


    3: Synchronisation


    Werkseinstellung: keine 

    WR
    43

    Antriebstyp


     


    (*5)

    0: Antrieb nicht angeschlossen/nicht bekannt


    1: Stellantrieb Luft/Wasser mit/ohne Sicherheitsfunktion


    2: Volumenstromregler VAV/EPIV


    3: Brandschutzklappe


    4: Energy Valve


    5: 6way EPIV

    RD
    54

    Aktuelle Klappenposition gem. mechanischer Grenzen.


     


    (*5)

    0 – 10.000

    %

    0.01RD
    65

    Klappenwinkel gem. Winkelbereichs.


     


    (*5)

    0 – 9.600

    °

    0.01RD
    76

    Relativer Volumenstrom bezogen auf qvnom (Reg. Adr. 110).


     


    (*6)

    0 – 15.000

    %

    0.01RD
    87

    Absoluter Volumenstrom


     


    (*6)

    0 – qvnom

    m³/h


     

    1RD
    98

    Sensorwert (Spannung, Widerstand, Schalter)


    Wert abhängig von der Einstellung des Sensortyps (Reg. Adr. 107).

    0 – 65.535


     

    mV,


    Ω,


    0/1,

    0.1RD
    109

    -[–]
    1110

    Absoluter Volumenstrom in gewählter Volumenstromeinheit gem. (Reg. Adr. 117).


     


    (Lowword) < 16 von 32 bit.


     


    (*6)

    0 – 500.000.000

    UnitSel

    0.001RD
    1211

    Absoluter Volumenstrom in gewählter Volumenstromeinheit gem. (Reg. Adr. 117).


     


    (Highword) > 16 von 32 bit.


     


    (*6)

    0 – 500.000.000

    UnitSel

    0.001RD
    1312

    Analoger Sollwert 


     


    Zeigt den Sollwert in % bei analoger Ansteuerung an. Ist aktiv, wenn Reg. Adr. 118 = 0 (analog).

    0 – 10.000

    %

    0.01RD
    5150

    Relativer Differenzdruck 


     


    Nach Anwendungsfall. gem. (Reg. Adr. 128.).

    0 – 20.000

    %

    0.01RD
    5251

    Absoluter Differenzdruck

    -1.000 – 15.000

    [Pa]

    0.1RD
    5352

    [–]
    5453

    Absoluter Differenzdruck in gewählter Einheit (Reg. Adr. 145)


    (Lowword) < 16 von 32 bit.

    -10.000.000 – 100.000.000

    UnitSel

    0.001RD
    5554

    Absoluter Differenzdruck in ausgewählter Einheit gem. (Reg. Adr. 145) 


     


    (Highword) > 16 von 32 bit.

    -10.000.000 – 100.000.000 

    UnitSel

    0.001RD
    10099

    Bus Abschlusswiderstand 


     


    Gibt Auskunft, ob der Abschlusswiderstand (120 Ω) aktiv oder deaktiv ist.


    Kann nur über Servicetools eingestellt werden.

    0: nicht aktiv


    1: aktiv


    Werkseinstellung: nicht aktiv

    RD
    101100

    Seriennummer Teil 1


    Beispiel: 00839-31324-064-008.


    1st part: 00839


    2st part: 31324


    3st part: 008

    RD
    102101

    Seriennummer Teil 2

    RD
    103102

    Seriennummer Teil 3

    RD
    104103

    Firmware Version


    Beispiel: 101, Version 01.01.

    RD
    105104

    Fehlfunktionen und Service Information –


    automatischer Reset, wenn Status behoben.

    Bit 0: –


    Bit 1: mechanischer Stellweg überschritten


    Bit 2: Antrieb kann nicht bewegt werden (z. B. mech. Überlast)


    Bit 3: –


    Bit 4: Fehler des dP-Fühlers


    Bit 5: Rückluftstrom erkannt


    Bit 6: Volumenstrom nicht erreicht


    Bit 7: Durchfluss in Geschlossen-Stellung


    Bit 8: interne Aktivität (z. B. Testlauf, Adaption)


    Bit 9: Getriebeausrastung aktiv


    Bit 10: Busüberwachung ausgelöst


    Bit 11: Antrieb passt nicht zur Anwendung


    Bit 12: Drucksensor falsch angeschlossen


    Bit 13: Drucksensor nicht erreicht


    Bit 14: Fehler dP Sensor außerhalb des Messbereichs

    RD
    106105

    Einstellung Arbeitsbereich qvmin/Δpmin 


     


    Bedingungen: qvmin/Δpmin < qvmax/Δpmax.


    Vmax im Bereich 0 – 100 % von qvnom/Δpnenn

    0 – qvmax/Δpmax


     

    %

    0.01WR
    107106

    Einstellung Arbeitsbereich qvmax/Δpmax 


     


    Bedingungen: qvmax/Δpmax < qvmin/Δpmin


    Vmax im Bereich 20 – 100 % von qvnom/Δpnenn

    2.000  10.000  


     

    %

    0.01WR
    108107

    Art des Sensors 


     


    Wenn Reg. Adr. 118 = 0 (Analog), dann Reg. Adr. 107 = 1 (Aktiv) für mV.

    0: kein


    1: aktiv


    2: passiv


    3: –


    4: Schalter


     


    Werkseinstellung: kein

    WR
    109108

    Busausfallüberwachung 


     


    Bei Busausfall fährt der Antrieb in eine hier vorgegebene Position. 


    Die Position ist mech. begrenzt, qvmin/Δpmin und qvmax/Δpmax haben keinen Einfluss.


    Auslösung, wenn in vorgebener Zeit Reg. Adr. 109 keine Änderung in Reg. Adr. 1 oder Reg. Adr. 2 stattfindet.


    Anzeige der Auslösung in Reg. Adr. 104.


    Im Hybrid-Modus ist die Busausfallaktivierung deaktiviert. 


     


     


    Busausfallzeit: gem. Reg. Adr. 109

    0 – 10.000


    Werkseinstellung: 0

    %

    0.01WR
    110109

    Zeit bis zur Auslösung der Busausfallüberwachung


     


    Wenn Reg. 108 ≠ 0, dann ist automatisch zunächst Reg. 108 = 120 s. 

    0 – 3.600 


    0: deaktiv


    Werkseinstellung: deaktiv


     

    s

    1WR
    113112

    Nennvolumenstrom in gewählter Volumenstromeinheit gem. (Reg. Adr. 117)


     


    (Lowword) < 16 von 32 bit.

    0 – 60.000.000

    UnitSel

    0.001RD
    114113

    Nennvolumenstrom in gewählter Volumenstromeinheit gem. (Reg. Adr. 117)


     


    (Highword) > 16 von 32 bit.

    0 – 60.000.000

    UnitSel

    0.001RD
    115114

    [–]
    116115

    [–]
    117116

    Steuerungsmodus

    0: Positionsregelung (Open Loop)


    1: Volumenstromregelung


    Werkseinstellung: Volumenstromregelung 

    [R]
    118117

    Auswahl der Einheit –


     


    Auswahl der Einheit für Reg. Adr. 11 und 12.

    0: –


    1: m³/h


    2: l/s


    3: –


    4: –


    5: –


    6: cfm

    -

    WR
    119118

    Sollwertvorgabe


     


    Wenn Reg. Adr. 118 = 0 (analog), dann Reg. Adr. 12 = aktiv.


    Wenn Reg. Adr. 118 = 1 (Bus), dann Reg. Adr. 1 = aktiv.


     

    0: analog (0 – 10 V, 2 – 10 V)


    1: Bus (Modbus, BACnet, MP-Bus)


    Werkseinstellung: analog 

    WR
    120119

    Druck-Betriebsart 


     


    Nur für VRU-M1R-M/B TR.

    0: negativer Druck


    1: positiver Druck


     

    WR
    121120

     


    [–]
    122121

    [–]
    123122

    [–]
    124123

    Raumdruckkaskadenfreigabe 


     


    Nur verfügbar wenn, Reg. Adr. 124 = 0 (Volumenstromregelung) oder 2 (Raumdruckregelung).


     


     

    0: deaktiv


    1: aktiv


    2: schnell aktiv (nur bei VRU-M1R-M/B TR)

    RD
    125124

    Anwendungen


     


     

    0: Volumenstromregelung


    1: Druckregelung


    2: Raumdruckregelung


    3: Duchflussmessung

    RD
    126125

    Anlagenhöhe 

    0 – 3.000


    Werkseinstellung: 0

    m

    1WR
    127126

    Nenndifferenzdruck in der gewählten Einheit gem. (Reg. Adr. 145)


     


    Mehr Infor. in (Reg. Adr. 128).

    D3: 0 – 50000


    M1: 0 – 60000


    M1R: 0 – 60000

    UnitSel

    RD
    128127

    [–]
    129128

    Nenndifferenzdruck in Pa 


     


    Wenn Reg. Adr. 124 = 0 (Volumenstromregelung), dann Adr. Reg. 110 als qvnom.


    Wenn Reg. Adr. 124 = 1 (Druckregelung) oder 2 (Raumdruckregelung), dann ist das Maximung durch den Diff. Druck gegeben.

    D3: 0 – 500


    M1: 0 – 600


    M1R: 0 – 750

    Pa

    0,1RD
    146145

    Auswahl der Druckeinheit 


     


    Die ausgewählte Einheit wird in (Reg. Adr. 126) angezeigt.

    0: Pascal


    1: –


    2: Wassersäule


    Werkseinstellung: Pascal 

    [–]

    RD = Register nur lesbar
    WR = Register les- und schreibbar



    (*1) Wenn Reg. Adr. 118 = 1 (Bus), dann Reg. Adr. 0 = aktiv

    (*2) Wenn Reg. Adr. 124 = 0 (Volumenstromregelung), dann Reg. Adr. 0 = Volumenstrom

    (*3) Wenn Reg. Adr. 124 = 0 (Volumenstromregelung) und Reg. Adr. 116 = 0 (Positonskontrolle), dann Reg. Adr. = Klappenposition

    (*4) Wenn Reg. Adr. 124 = 1 (Differenzdruckregelung) oder 2 (Raumdruckregelung), dann Reg. Adr. = Druck

    (*5) Wenn Reg. Adr. 124 = 2 (Raumdruckregelung) oder 3 (Volumenstrommessung), dann Reg. Adr. = deaktiv 65.535

    (*6) Wenn Reg. Adr. 124 = 1 (Differenzdruckregelung) oder 2 (Raumdruckregelung), dann Reg. Adr. = deaktiv 65.535

     


    Protocol Implementation Conformance Statement – PICS (General information)

    Date

    11.06.2020

    Vendor NameTrox SE
    Vendor ID

    329

    Product NameVRU-D3-BAC, VRU-M1-BAC, VRU-M1R-BAC
    Product Model NumberVRU – BAC
    Applications Software Version

    01.02.0001

    Firmware Revision

    10.02.0000

    BACnet Protocol Revision

    12

    Product DescriptionController for VAV/CAV and pressure applications
    BACnet Standard Device ProfileBACnet Application Specific Controller (B-ASC)
    BACnet Interoperability Building Blocks supported

    Data Sharing – ReadProperty-B (DS-RP-B)
    Data Sharing – ReadPropertyMultiple-B (DS-RPM-B)
    Data Sharing – WriteProperty-B (DS-WP-B)
    Data Sharing – WritePropertyMultiple-B (DS-WPM-B)
    Data Sharing – COV-B (DS-COV-B)
    Device Management – DynamicDeviceBinding-B (DM-DDB-B)
    Device Management – DynamicObjectBinding-B (DM-DOB-B)
    Device Management – DeviceCommunicationControl-B (DM-DCC-B)

    Segmentation CapabilityNo
    Data Link Layer OptionsMS/TP master, baud rates: 9600, 19200, 38400, 76800, 115200
    Device Address BindingNo static device binding supported
    Networking OptionsNone
    Character Sets SupportedISO 10646 (UTF-8)
    Gateway OptionsNone
    Network Security OptionsNon-secure Device

     


    Object processing

    Object type

    Optional properties

    Writeable properties

    Analog Input [AI]

    Description
    COV Increment

    COV Increment

    Analog Output [AO]

    Description
    COV Increment

    Present Value
    COV Increment
    Relinquish Default

    Analog Value [AV]

    Description



    COV Increment

    Present Value



    COV Increment

    Binary Input [BI]

    Description
    Active Text
    Inactive Text

    Device

    Description
    Location
    Active COV Subscriptions
    Max Master
    Max Info Frames
    Profile Name

    Object Identifier
    Object Name
    Location
    Description
    APDU Timeout (1000 – 60000)
    Number Of APDU Retries (0 – 10)
    Max Master (1 – 127)
    Max Info Frames (1 – 255)

    Multi-state Input [MI]

    Description
    State Text

    Multi-state Output [MO]

    Description
    State Text

    Present Value
    Relinquish Default

    Multi-state Value [MV]

    Description
    State Text

    Present Value (if marked)



    Bearbeitung von Services


    • Das Gerät unterstützt nicht die Services "Objekt erstellen" und "Objekt löschen"

    • Die angegebene maximale Länge der beschreibbaren Zeichenketten basiert auf Einzelbyte-Zeichen

    1. Objektname 32 Zeichen
    2. Standort 64 Zeichen
    3. Beschreibung 64 Zeichen

    • Das Gerät unterstützt die DeviceCommunicationControl-Services, kein Passwort erforderlich

    • Maximal 6 aktive COV-Abonnements mit einer Laufzeit von 1 – 28800 s (maximal 8 h) werden unterstützt

     


    Kommunikationsschnittstelle BACnet MS/TP

    Objekt NameObjekt TypBeschreibungWerteCOV InkrementZugriff
    Device

    Device [Inst.Nr]

    0 – 4.194.302


    Werkseinstellung: 1

    WR
    RelPosAI[1]

    Klappenposition in %


     


    Status Flags: (*1), (*2)

    0 – 100

    0.01 – 100


    Werkseinstellung: 1

    RD
    AbsPosAI[2]

    Absolute Position in ° 


    Winkelstellung entsprechend dem gesamten Rotationsbereich.


     


    Status Flags: (*1), (*2)


     

    0 – max. Winkel

    0.01 – 90


    Werkseinstellung: 1

    RD
    SpAnalogAI[6]

    Analoger Sollwert in %


    Zeigt den analogen Sollwert je nach ausgewählter Anw. Durchfluss, Druck, Klappenstellung gem. ApplicationSel MV[2] an. 
    Wenn Sollwertvorgabe in SpSource MV[122] = 1 (Analog), dann SpAnalog AI[6] = aktiv.
    Der analoge Sollwert wird durch Min AV[97] und Max AV[98] begrenzt.
     


     


    Status Flags: (*1), (*3)


     

    0 – 100

    0.01 – 100


    Werkseinstellung: 1

    RD
    RelDeltaP

    AI[9]

    Relativer Differenzdruck in % bezogen auf DeltaPnom_Pa AV[122]


     


     

    0 – 150

    0.01 – 150


    Werkseinstellung: 1

    RD
    RelFlowAI[10]

    Relativer Volumenstrom in % bezogen auf Vnom_m3h AV[112]


     


    Status Flags: (*4)

    0 – 150

    0.01 – 150


    Werkseinstellung: 1

    RD
    AbsFlow_m3h

    AI[12]

    Absoluter Volumenstrom in m³/h


     


    Status Flags: (*4)

    0 – 60.000


     

    1 – 60.000


    Werkseinstellung: 10

    RD
    DeltaP_UnitSel

    AI[18]

    Absoluter Differenzdruck in ausgewählter Einheit gem. UnitSelPressure MV[127]

    -10.000 – 100.000

    0.001 – 100.000


    Werkseinstellung: 1

    RD
    AbsFlow_UnitSelAI[19]

    Absoluter Volumenstrom in ausgewählter Einheit gem. UnitSelAirFlow MV[121]


     


    Status Flags: (*4)


     

    0 – 500.000

    0.01 – 500.000


    Werkseinstellung: 1

    RD
    Sens1AnalogAI[20]

    Sensor 1 als Analogwert 
     


    Wenn Sensor1Type MV[220] = 2 (aktiv), dann Anzeige = Analogwert in 0 – 10 V.


    Wenn Sensor1Type MV[220] = 3 (passiv), dann Anzeige = Widerstandswert.


    Wenn RmPCaskade MV[10] = 2 (freigegeben) oder 3 (schnell freigegeben), dann ist der Sensoreingang nicht verfügbar. 
     


    Status Flags: (*5)


     

    0 – 65535

    0.01 – 1000


    Werkseinstellung: 1

    RD
    DeltaP_Pa

    AI[29]

    Absoluter Differenzdruck in Pa

    0 – 600

    0.01 – 600


    Werkseinstellung: 10

    RD
    SpRelAO[1]

    Relativer Sollwert in % 


     


    Der rel. Sollwert ist abhängig von der Anwendung (Durchfluss/Druck/Klappenposition).
    Wenn SpSource MV[122] = 2 (Bus), dann SpRel AO[1] = aktiv.
    Der analoge Sollwert wird durch Min AV[97] und Max AV[98] begrenzt.


     


    Status Flags: (*1), (*2)

    0 – 100


    Werkseinstellung: 0

    0.01 – 100


    Werkseinstellung: 1

    C
    MinAV[97]

    Minimaler Sollwert in % (qvmin/Pmin)


     


    Bedingung:


    qvmin/Δpmin < qvmax/Δpmax


    qvmin/Δpmin im Bereich 0 – 100 & qvnom/Δpnom

    0 – qvmax/Δpmax


     

    0.01 – 100


    Werkseinstellung: 1

    WR
    MaxAV[98]

    Maximaler Sollwert in % (qvmax/Pmax)


     


    Bedingung:


    qvmax/Δpmax > qvmin/Δpmin


    qvmax/Pmax im Bereich 20 – 100 % von qvnom/Pnom

    qvmin/Δp – 100


     

    0.01 – 100


    Werkseinstellung: 1

    WR
    Vnom_m3h

    AV[112]

    Nennvolumenstrom in m³/h

    0 – 50.000

    0.01 – 50.000


    Werkseinstellung: 1

    RD
    Vnom_UnitSel

    AV[119]

    Nennvolumenstrom in ausgewählter Einheit gem. UnitSel MV[121]


     

    0 – 250.000

    0.01 – 1.000:


    Werkseinstellung: 1

    RD
    SystemAltitude

    AV[120]

    Anlagenhöhe in Meter über Meeresspiegel

    0 – 3.000


     

    1 – 3.000


    Werkseinstellung: 10

    WR
    DeltaPnom_Pa

    AV[122]

    Nenndifferenzdruck in Pa 


     


    Der Nenndifferenzdruck in abhängig vom ausgewählten Drucksensor (D3, M1, M1R).


    Je nach gewählter Anwendung dient der Nenndifferenzdruck als dp@Vnom oder als max. Druckbegrenzung


    Wenn ApplicationSel MV[2] = 1 (Durchflussregelung), dann Anzeige = Nenndifferenzdruck


    Wenn ApplicationSel MV[2] = 2 (Druckregelung) oder 3 (Raumdruckregelung), dann Anzeige = max Druckbegrenzung


     

    D3: 0 – 500


    M1: 0 – 600


    M1R: 0 – 75

    1 – 600


    Werkseinstellung: 1

    RD
    DeltaPnom_UnitSel

    AV[129]

    Nenndifferenzdruck in ausgewählter Einheit gem. UnitSelPressure MV[127]


     


    Mehr Infos: Siehe AV[122].


     


     

    0.01 – 1000


    Werkseinstellung: 1

    RD
    BusWatchdogAV[130]

    Zeit bis zur Auslösung der Busausfallüberwachung in s 



    Wenn BusWatchdog AV[130] ≠ 0, dann Überwachung von SpRel AO[1] und Override MO[1] auf Änderung.
    Wenn Änderungen bei SpRel AO[1] und Override MO[1], dann Rücksetzen der Busausfallüberwachung. 
    Wenn SpSource MV[122] = 1 (Analog), dann berücksichtigt BusWatchdog AV[130] nur Override MO[1].  

    0 – 3600 s


    Werkseinstellung: 0 (Busausfallüberwachung deaktiviert)

    0.01 – 1000


    Werkseinstellung: 1

    WR
    Sens1SwitchBI[20]

    Schalterzustand des Schalters am Sensoreingang 


     


    Wenn SenType MV[220] = 5 (Schalter), dann ist Sens1Switch BI[20] = aktiv.


     


    Status Flags: (*6)


     


     

    0: Inactive


    1: Active

    RD
    BusTerminationBI[99]

    Abschlusswiderstand 


     


    Zeigt an, ob der Abschlusswiderstand (120 Ω) über die Service Tools aktiviert wurde.


     

    0: deaktiviert


    1: aktiviert

    RD
    SummaryStatusBI[101]

    Sammelstatus 



    Fasst den Status der Objekte zusammen: 

    "StatusSensor" MI[103] 
    "StatusFlow" MI[104] 
    "StatusActuator" MI[106] 
    "StatusPressure" MI[109] 
    "StatusDevice" MI[110]  

    ungleich 1: OK


    1: nicht OK

    RD
    RmPCasacade

    MV [10]

    Raumdruckkaskade 


     


    Wenn RmPCascade MV[10] = 2 (aktiv) oder 3 (aktiv schnell), dann ist Sensor1 Eingang für die Raumkaskade (0 – 10 V).


    Wenn ApplicationSel MV[2] =1 (Volumenstromregelung) oder 3 (Raumdruckregelung), dann RmPCascade MV [10] = aktiv.


     


    Status Flags: (*7)

    1: deaktiv


    2: aktiv


    3: aktiv schnell (nur bei M1R) 

    RD
    InternalActivity

    MI[100]

    Interner Status 


     

    1: keine


    2: –


    3: Adaption


    4: Synchronisation

    RD
    StatusSensor

    MI[103]

    Status des Differenzdrucksensors 

    Wenn Status Ende = automatisches Zurücksetzen

    1: ok


    2: dP Sensor nicht ok


    3: dP Sensor außerhalb des Messbereichs


    4: dP Sensor falsch verbunden

    RD
    StatusFlow

    MI[104]

    Status Volumenstrom 



    Wenn Volumenstrom nicht innerhalb 600 s vorhanden, dann StatusFlow MI[104] = 3.

    1: ok


    2: –


    3: kein Luftstrom erkannt

    RD
    StatusActuator

    MI[106]

    Status des Antriebs 


     


    Status Flags: (*2)

    1: ok


    2: Antrieb kann nicht bewegt werden


    3: Getriebeausrastung aktiv


    4: Mechanischer Stellweg überschritten


    5: Antrieb passt nicht zur Anwendung


     

    RD
    StatusPressure

    MI[109]

    Status Differenzdruckes 


     


    Wenn Differenzdruck nicht innerhalb 180 s vorhanden, dann StatusPressure MI[109] = 3.

    1: ok


    2: –


    3: Druck nicht erreicht

    RD
    StatusDevice

    MI[110]

    Status des Geräts bei Busüberwachung 



    Entsprechend BusWatchdog AV[130].

    1: ok


    2: Busausfallüberwachung aktiviert

    RD
    Override

    MO[1]

    Zwangssteuerung 


     


    Überschreibt den Sollwert mit einem Zwangsbefehl.


     


    Status Flags: (*8)

    1: Keine


    2: AUF


    3: ZU


    4: qvmin/Δpmin


    5: –


    6: qvmax/Δpmax


    Werkseinstellung: Keine (1)

    C
    ApplicationSel

    MV[2]

    Anzeige der Anwendung 


     


    VRU-D3-M/B TR, VRU-M1-M/B TR


    - Durchflussregelung
    - Druckregelung
    - Druchflussmessung


     


    VRU-M1R-M/B TR
    - Raumdruckregelung


     

    1: Durchflussregelung


    2: Druckregelung


    3: Raumdruckregelung


    4: Durchflussmessung

    RD
    ControlMode

    MV[100]

    Steuermodus


     


    Status Flags: (*9)

    1: PosCtrl


    2: FlowCtrl


    Werkseinstellung: FlowCtrl

    RD
    OperationMode

    MV[102]

    Betriebsart 


     


    Nur für VRU-M1R-BAC relevant.


     


    Status Flags: (*10)

    1: negativer Druck


    2: positver Druck

    WR
    Command

    MV[120]

    Testfunktionen auslösen


     


    Status Flags: (*2)

    1: keine


    2: Adaption


    3: –


    4: Zurücksetzen


    Werkseinstellung: keine 

    WR
    UnitSelAirFlow

    MV[121]

    Auswahl der Volumenstromeinheit 


     


    Die ausgewählte Einheit wird in AI[19] und AV[104] angezeigt

    1: –


    2: m³/h


    3: l/s


    4: –


    5: –


    6: –


    7: cfm


     

    WR
    SpSource

    MV[122]

    Auswahl der Sollwertvorgabe 


     


    Wenn SpSource MV[122] = 1 (analog), dann SpAnalog AI[6] = aktiv.


    Wenn SpSource MV[122] = 2 (Bus), dann SpRel AO [1] = aktiv.

    1: analog (0 – 10 V, 2 – 10 V)


    2: Bus (Modbus, BACnet, MP-Bus)


    Werkseinstellung: analog

    WR
    UnitSelPressure

    MV[127]

    Auswahl der Druckeinheit


     


    Die ausgewählte Einheit wird in DeltaP_UnitSel AI[18] und DeltaPnom_UnitSel AV[129] angezeigt.

    1: Pascal


    3: Wassersäule


    Werkseinstellung: Pascal 

    WR
    UnitSelTemp

    MV[128]

    Auswahl Temperatureinheit


    Die gewählte Einheit steht in AI[20].

    1: K


    2: °C


    3: °F


    Werkseinstellung: °C (2)

    W
    Sens1Type

    MV[220]

    Festlegung des Sensortyps 


     


    Wenn Sens1Type MV[220] = 2 (Active) oder 3 (Passive), dann Sens1Analog AI[20] aktiv.


    Wenn Sens1Type MV [220] = 5 (Switch), dann Sens1Schalter BI[20] aktiv. 


     

    1: keine


    2: aktiver Sensor (im Hybridbetrieb)


    3: passiver Sensor 


    4: –


    5: Schalter


    Werkseinstellung: keine 

    WR

    RD = Register nur lesbar
    WR = Register les- und schreibbar
    C = Commendable with priority array


    Status Flags: 

    (*1) Wenn Getriebeausrastung gedrückt, dann Overridden = 1

    (*2) Wenn ApplicationSel MV[2] = 3 (Raumdruckregelung) oder 4 (Durchflussmessung) ist, dann Out of Service = 1

    (*3) Wenn SpSource MV[122] = 2 (Bus), dann Out of Service = 1

    (*4) Wenn ApplicationSel MV[2] = 2 (Druckregelung) oder 3 (Raumdruckregelung) ist, dann Out of Service = 1

    (*5) Wenn Sens1Type MV[220] = 1 (kein), dann Out of Service = 1

    (*6) Wenn Sens1Type MV[220] ≠ 5, dann Out of Service = 1

    (*7) Wenn ApplicationSel MV[2] = 2 (Druckregelung) oder 4 (Durchflussmessung) ist, dann Out of Service = 1

    (*8) Wenn ApplicationSel MV[2] = 4 (Durchflussmessung) ist, dann Out of Service = 1

    (*9) Wenn ApplicationSel MV[2] ≠ 1 (Volumenstromregelung) ist, dann Out of Service = 1

    (*10) Wenn ApplicationSel MV[2] ≠ 3 (Raumdruckregelung), dann Out of Service = 1

    Downloads

    Produktinfos

    Zertifikate

    production {"x-frame-options"=>"SAMEORIGIN", "x-xss-protection"=>"0", "x-content-type-options"=>"nosniff", "x-permitted-cross-domain-policies"=>"none", "referrer-policy"=>"strict-origin-when-cross-origin", "strict-transport-security"=>"max-age=31536000; includeSubDomains", "content-type"=>"text/html; charset=utf-8", "link"=>"</assets/application-efbc495b06ca980ef13dc743756002fce2f413f798fecb64c7f0c81954c16402.css>; rel=preload; as=style; nopush,</assets/print-fec2e47d6d8dcc5d4c101139f17046ba981ca1c12f71e7e403fba50cc7584175.css>; rel=preload; as=style; nopush,</assets/other_js/modernizr.custom.93544-c26374a79d804901074bb4aa6fd3fa44ea22e840389915d2adce16b024021ef3.js>; rel=preload; as=script; nopush,</assets/other_js/js.cookie.min-de103d86d1919b40950f791699b4ce768137fde41af09b35ff92bde369732183.js>; rel=preload; as=script; nopush,</assets/other_js/jquery-3.5.1-2c4ce18a1a3f144c333912efc24a76c9a165a0dba9f88a499985df1af0a196a2.js>; rel=preload; as=script; nopush"}

    Seite teilen

    Diese Seite weiterempfehlen

    Hier haben Sie die Möglichkeit diese Seite als Link weiter zu empfehlen.

    Mit Stern (*) markierte Felder sind Pflichtfelder.

    Kontakt

    Vielen dank für Ihre Nachricht!

    Ihre Empfehlung wurde verschickt und sollte jeden Moment beim Empfänger eingehen.

    Kontakt

    Wir sind für Sie da

    Bitte spezifizieren Sie das Thema Ihrer Anfrage und Ihre Kontaktdaten.
    Tel.: +49 (0)2845 / 202-0 | Fax: +49 (0)2845/202-265

    Anhang (max. 10MB)

    Mit Stern (*) markierte Felder sind Pflichtfelder.

    Kontakt

    Vielen Dank für Ihre Nachricht!

    Ihre Nachricht in ist unserem Service Center eingegangen und wird bearbeitet.
    Unsere Abteilung für Service-Anfragen wird sich in Kürze mit Ihnen in Verbindung setzten.
    Für allgemeine Fragen zu Produkten und Services erreichen Sie uns auch unter:
    Tel.: +49 (0)2845 / 202-0 | Fax: +49 (0)2845/202-265

    Kontakt

    Wir sind für Sie da

    Bitte spezifizieren Sie das Thema Ihrer Anfrage und Ihre Kontaktdaten.
    Tel.: +49 (0)2845 / 202-0 | Fax: +49 (0)2845/202-265

    Anhang (max. 10MB)

    Mit Stern (*) markierte Felder sind Pflichtfelder.

    Kontakt

    Vielen Dank für Ihre Nachricht!

    Ihre Nachricht in ist unserem Service Center eingegangen und wird bearbeitet.
    Unsere Abteilung für Service-Anfragen wird sich in Kürze mit Ihnen in Verbindung setzten.
    Für allgemeine Fragen zu Produkten und Services erreichen Sie uns auch unter:
    Tel.: +49 (0)2845 / 202-0 | Fax: +49 (0)2845/202-265