XS_gc_15png.png
MS-XS_gc_09png.png
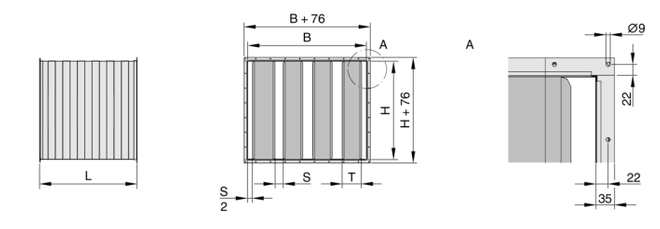
Standard flange 30mm

Standard flange 30 mm

MS-XS_gc_01png.png
Angle section frame 

Angle section frame 35 × 35 × 3 mm

Splitter_frame_SDpng.png
Aerodynamically optimised splitter frame

Aerodynamically optimised splitter frame

VDI6022_gs_01ai.png
Tested to VDI 6022

Tested to VDI 6022

XS_gc_15png.png
MS-XS_gc_09png.png
MS-XS_gc_01png.png
Splitter_frame_SDpng.png
VDI6022_gs_01ai.png

XS     

Splitter sound attenuator with high insertion loss, even in the high-frequency range

Splitter sound attenuator, basically a duct section with integral splitters (type XK), for ventilation and air conditioning systems

  • Attenuation effect due to absorption
  • Energy efficient due to aerodynamically formed frame
    (bullnose radius 20 mm)
  • Sound absorbing material is biosoluble and hence hygienically safe
  • Sound absorbing material faced with glass fibre fabric as a protection against erosion due to airflow velocities up to 20 m/s
  • The sound absorbing material is non-combustible, to EN 13501, fire rating class A1
  • Leakage class C and pressure class 2 according to EN 15727
  • For use in areas with potentially explosive atmospheres (according to EC Directive 2014/34/EU (ATEX)), zones 1, 2, and zones 21 and 22 (outside) according to EC Directive 1999/92/EC
  • Operating temperature up to 100 °C, with expanded metal (variant L) up to 300 °C for a limited period of time

 

Optional equipment and accessories


  • Expanded metal as an additional mechanical protection for the sound absorbing material
  • Stainless steel variant A2 (1.4301), with optional perforated metal facing as an additional protection for the sound absorbing material
  • Other stainless steel and aluminium variants as well as PUR coating upon request

Updating order code
Save configuration
Calculate price
Updating technical data
  • Media
Specification text:
Updating specification text
Show complete text Hide complete text
Initialize order code

General Information

Application

  • Splitter sound attenuators used for the reduction of fan noise and air-regenerated noise in ventilation and air conditioning systems
  • Attenuation effect due to absorption
  • Broadband attenuation even in the high frequency range
  • For use in areas with potentially explosive atmospheres (EC Directive 2014/34/EU (ATEX)), zones 1, 2, 21 and 22 (outside) according to Directive 1999/92/EC



Special characteristics

  • Increased insertion loss even in the high-frequency range
  • Leakage class C and pressure class 2 according to EN 15727
  • Energy savings due to aerodynamically formed splitter frame
    • Up to 30 % lower differential pressure
  • Hygiene tested and compliant with VDI 6022
  • Multi-section construction available for large dimensions


Nominal sizes

  • Width B: 200, 400, 600, 800, 1000, 1200, 1400, 1600, 1800, 2000, 2200, 2400 mm
    • Intermediate sizes: in increments of 1 mm
      • Splitter thickness 100 mm: 150 – 2399 mm
      • Splitter thickness 200 mm: 250 – 2399 mm
      • Splitter thickness 230 mm: 288 – 2399 mm
      • Splitter thickness 300 mm: 375 – 2399 mm
    • Sizes from 2401 – 4800 mm are available with the width subdivided in increments of 1 mm
      • Even no. of splitters: centre division
      • Odd no. of splitters: off-centre division
  • Height H: 300, 400, 500, 600, 700, 800, 900, 1000, 1100, 1200, 1300, 1400, 1500, 1600, 1700, 1800 mm
    • Intermediate sizes 150 – 1799 mm in increments of 1 mm
    • Sizes from 1801 – 3600 mm are available with the height subdivided in increments of 1 mm
      • Centre division
  • Length L: 500, 750, 1000, 1250, 1500 mm
    • Intermediate sizes 501 – 1499 mm in increments of 1 mm
  • Sizes from 1501 – 3000 mm are available with the length subdivided in increments of 1 mm
    • Part L1: 1000, 1250, 1500 mm
    • Part L2: at least 501 mm and ≤ L1, in increments of 1 mm
  • Width and/or height subdivided if B + H > 4200 mm
  • Airway width S
    • Minimum: splitter thickness T × 0.25, but not < 40 mm
    • Maximum: splitter thickness T × 2


Variants

  • XS with splitter type XK
    • Splitter thickness 100 mm
    • Splitter thickness 200 mm
    • Splitter thickness 230 mm
    • Splitter thickness 300 mm



Construction

Duct

  • No entry: with duct
  • OL: without duct (set of XK splitters only)


Splitter surface

  • F: Glass fibre fabric
  • L: Glass fibre fabric faced with expanded metal cover for additional mechanical protection of the sound absorbing material
    • Stainless steel construction with perforated metal facing


Materials and surfaces

  • No entry: galvanised steel 1.0917
  • A2: Stainless steel 1.4301
  • P1: splitters powder-coated RAL 7001, silver grey


Air duct connection

  • No entry: without air duct profile (set of splitters only)
  • P: air duct profile 30 mm, galvanised steel or stainless steel
  • W: angle section frame 35 × 35 × 3 mm, galvanised steel
  • T: air duct profile 20 mm, galvanised steel


Matching frame

  • No entry: none
  • G: matching frame (only for angle section frame, W)


Parts and characteristics

Duct
  • Leakage class C and pressure class 2 according to EN 15727
  • Various duct connections available


Matching frame
  • Angle section frame with the same pattern as the requested sound attenuator
  • For installation onto a duct (duct by others)
    • Aerodynamically formed frame
      • Covers the edges of the sound absorbing material
      • Reduces the pressure loss
      • Helps to optimise the airflow, hence reducing the air-regenerated noise
      • Increased rigidity due to special profile

Construction features


  • Bent duct with grooves for increased rigidity
  • Sound attenuators with angle section frame, width or height subdivided
    • Galvanised construction only
  • Aerodynamically formed splitter frame (bullnose radius 20 mm) that helps to reduce turbulence on both the upstream and downstream sides; frame with grooves for increased rigidity
  • Frame edges with bullnose for increased rigidity
  • Operating temperature up to 100 °C; variant L up to 300 °C for 8h max.



Material and surfaces


  • Duct, flange in galvanised sheet steel 1.0917 or stainless steel 1.4301
  • Angle section frame in galvanised L steel S235JRC2
  • Splitter frame and centre mullion made of galvanised sheet steel 1.0917 or stainless steel 1.4301
    • Expanded metal cover made of galvanised steel 1.0917
    • Perforated metal facing made of stainless steel 1.4301
    • Sound absorbing material mineral wool
      • According to EN 13501, fire rating class A1, non-combustible
      • RAL quality mark RAL-GZ 388
      • Non-hazardous thanks to high biosolubility according to the German Ordinance on Hazardous Substances and Note Q of the European Regulation (EC) No. 1272/2008
      • Faced with glass fibre fabric, as a protection against erosion from airflow velocities of up to 20 m/s
      • Inert to fungal and bacterial growth according to EN 846


Standards and guidelines

  • Insertion loss and sound power of air-regenerated noise tested according to ISO 7235
  • Meets the hygiene requirements of VDI 6022, VDI 3803 Part 1 and DIN 1946 Part 4
  • EC Directive 2014/34/EC (ATEX): Equipment and protective systems intended for use in areas with potentially explosive atmospheres
  • EC Directive 1999/92/EC (ATEX): Improvement of the safety and health protection of workers potentially at risk from explosive atmospheres
  • Leakage class and pressure class according to EN 15727


Maintenance

  • Low-maintenance as construction and materials are not subject to wear
  • Regular cleaning intervals according to VDI6022


Disclosure of Chemicals

  • RoHS EU Directive 2011/65/EU (RoHS)
    • This product or single variants comply with EU Directive 2011/65/EU (RoHS) on the restriction of the use of certain hazardous substances in electrical and electronic equipment. For more information, please refer to our Environmental Product Declarations
  • REACH 1907/2006 (EC Regulation REACH)
    • This product or single variants comply with the provisions of EC Regulation No. 1907/2006, also known as REACH (Registration, Evaluation, Authorisation and Restriction of Chemicals). For more information, please refer to our Environmental Product Declarations




Technical information

  • FUNCTION
  • TECHNICAL DATA
  • QUICK SIZING
  • SPECIFICATION TEXT
  • ORDER CODE

Splitter sound attenuators type XS contain splitters type XK. The attenuation effect of the XK splitters is due to absorption. The splitters have a mineral wool infill as sound absorbing material.


Splitter thickness100, 200, 230, 300 mm
Nominal sizes (B × H × L)Type XS 100: 150 × 150 × 500 mm – 2400 × 1800 × 1500 mm
Type XS 200: 250 × 150 × 500 mm – 2400 × 1800 × 1500 mm
Type XS 230: 288 × 150 × 500 mm – 2400 × 1800 × 1500 mm
Type XS 300: 375 × 150 × 500 mm – 2400 × 1800 × 1500 mm
Width subdivided2401 – 4800 mm
Height subdivide1801 – 3600 mm
Length subdivided1501 – 3000 mm
Intermediate sizesIn increments of 1 mm
Operating temperature

Up to 100 °C, variant L up to 300 °C for 8 h max.

Quick sizing tables provide a good overview of the insertion loss and of differential pressures for different airway widths and airflow velocities. Intermediate values can be calculated with our Easy Product Finder design program. The differential pressures apply to sound attenuators with a height of 1 m.

XK100, XS100, insertion loss De [dB] and differential pressure Δpt [Pa]

L

Airway width

Centre frequencyfm [Hz]

vs [m/s]

63125250500100020004000800061014
500504861835402722102956

500

100444152722151082345
100050610142844483529133772

1000

8057102438382720102855

1000

100558233633231592651
1500507132138

> 50

> 50

4337164487

1500

8069163348483526123263

1500

10067133045453121102956
2000508162948

> 50

> 50

> 50

451952102

2000

807102141

> 50

> 50

4333133670

2000

100781838

> 50

> 50

3927113262
250050101836

> 50

> 50

> 50

> 50

> 50

2260118

2500

808122749

> 50

> 50

> 50

39144078

2500

100892245

> 50

> 50

4833123467
300050112144

> 50

> 50

> 50

> 50

> 50

2468133

3000

80101433

> 50

> 50

> 50

> 50

45164485

3000

10091027

> 50

> 50

> 50

> 50

38133773

XK200, XS200, insertion loss De [dB] and differential pressure Δpt [Pa]

L

Airway width

Centre frequencyfm [Hz]

vs [m/s]

63125250500100020004000800061014
50050491427423825192158114

500

10025101928241612113161
1000505142143

> 50

> 50

36252467131

1000

80410183546412719154384

1000

10049163241352316133569
15005071929

> 50

> 50

> 50

47312775147

1500

806142449

> 50

> 50

3523174894

1500

1005122244

> 50

463019144078
20005092436

> 50

> 50

> 50

> 50

373083164

2000

8071931

> 50

> 50

> 50

44271953105

2000

10061628

> 50

> 50

> 50

3723164486

2000

200391940443116992550
250050112944

> 50

> 50

> 50

> 50

423392180

2500

8092337

> 50

> 50

> 50

> 50

322159115

2500

10082034

> 50

> 50

> 50

4427174894

2500

2004112449

> 50

381911102854
3000501334

> 50

> 50

> 50

> 50

> 50

4836100197

3000

80102744

> 50

>50

> 50

> 50

362364126

3000

10092340

> 50

> 50

> 50

> 50

301953103

3000

20051329

> 50

> 50

452212113059

XK230, XS230, insertion loss De [dB] and differential pressure Δpt [Pa]

L

Airway width

Centre frequencyfm [Hz]

vs [m/s]

63125250500100020004000800061014
5008036112230221615154384

500

10035101926191414133569
100080410183242342319184997

1000

10049172938302017144078

1000

2003612202317111082344
1500805142541

> 50

4730222056109

1500

100513233849412620164588

1500

2004818273223141292549
20008061832

> 50

> 50

> 50

37262262121

2000

1006163047

> 50

> 50

3223185098

2000

200411233540281714102854
25008072239

> 50

> 50

> 50

43292568134

2500

10072037

> 50

> 50

> 50

38262055108

2500

200513284248342016113059
30008082646

> 50

> 50

> 50

50322774146

3000

10082443

> 50

> 50

> 50

44292260117

3000

2006163350

> 50

402418123364

XK300, XS300, insertion loss De [dB] and differential pressure Δpt [Pa]

L

Airway width

Centre frequency fm [Hz]

vs [m/s]

63125250500100020004000800061014
50080371522292618122158113

500

10036132026231611174691
1000805122334423724162365127

1000

1004112131383322141851101

1000

20038162225211310102753
1500806173245

> 50

4730202672141

1500

1005162942504227182056111

1500

200312222933271711112957
20008072340

> 50

> 50

> 50

36232879154

2000

10062137

> 50

> 50

> 50

32212262121

2000

200415283741332013113161
25008092849

> 50

> 50

> 50

42273186168

2500

10082645

> 50

> 50

> 50

37242467131

2500

200519344550392415123365
3000801034

> 50

> 50

> 50

> 50

48303393182

3000

100931

> 50

> 50

> 50

> 50

43272672141

3000

20062340

> 50

> 50

452717133569

Specification text

Splitter sound attenuators used for the reduction of fan noise and air-regenerated noise in ventilation and air conditioning systems. Attenuation effect due to absorption. Energy-saving as well as hygiene tested and certified. Splitter sound attenuator that consist of a duct with connections and integral type XK splitters or a splitter set. Splitters consist of an aerodynamically formed frame (bullnose radius 20 mm) and absorbing material. The splitter frame reduces pressure losses and air-regenerated noise. The profiled frame with bullnose edges increase the rigidity of the splitter. Insertion loss and sound power level of air-regenerated noise measured according to EN ISO 7235. For requirements in areas with potentially explosive atmospheres (ATEX), zones 1, 2, 21 and 22 (outside) according to Directive 1999/92/EC. The duct meets leakage class C and pressure class 2 according to EN 15727.


Special characteristics

  • Increased insertion loss even in the high-frequency range
  • Leakage class C and pressure class 2 according to EN 15727
  • Energy savings due to aerodynamically formed splitter frame
    • Up to 30 % lower differential pressure
  • Hygiene tested and compliant with VDI 6022
  • Multi-section construction available for large dimensions



Material and surfaces

  • Duct, flange in galvanised sheet steel 1.0917 or stainless steel 1.4301
  • Angle section frame in galvanised L steel S235JRC2
  • Splitter frame and centre mullion made of galvanised sheet steel 1.0917 or stainless steel 1.4301
    • Expanded metal cover made of galvanised steel 1.0917
    • Perforated metal facing made of stainless steel 1.4301
    • Sound absorbing material mineral wool
      • According to EN 13501, fire rating class A1, non-combustible
      • RAL quality mark RAL-GZ 388
      • Non-hazardous thanks to high biosolubility according to the German Ordinance on Hazardous Substances and Note Q of the European Regulation (EC) No. 1272/2008
      • Faced with glass fibre fabric, as a protection against erosion from airflow velocities of up to 20 m/s
      • Inert to fungal and bacterial growth according to EN 846

Construction

Duct

  • No entry: with duct
  • OL: without duct (set of XK splitters only)

Splitter surface

  • F: Glass fibre fabric
  • L: Glass fibre fabric faced with expanded metal cover for additional mechanical protection of the sound absorbing material
    • Stainless steel construction with perforated metal facing


Materials and surfaces

  • No entry: galvanised steel 1.0917
  • A2: Stainless steel 1.4301
  • P1: splitters powder-coated RAL 7001, silver grey


Air duct connection

  • No entry: without air duct profile (set of splitters only)
  • P: air duct profile 30 mm, galvanised steel or stainless steel
  • W: angle section frame 35 × 35 × 3 mm, galvanised steel
  • T: air duct profile 20 mm, galvanised steel


Matching frame

  • No entry: none
  • G: matching frame (only for angle section frame, W)

Technical data

  • Splitter thickness: 100, 200, 230, 300 mm
  • Dimensions B × H × L: XS 100: 150 × 150 × 500 mm, XS 200: 250 × 150 × 500 mm, XS 230: 288 × 150 × 500 mm, XS 300: 375 × 150 × 500 mm
  • Undivided construction up to 2400 × 1800 × 1500 mm
  • Width subdivided: 2401 – 4800 mm
  • Height subdivided: 1801 – 3600 mm
  • Length subdivided: 1501 – 3000 mm
  • Intermediate sizes: in increments of 1 mm
  • Operating temperature: up to 100 °C, variant L up to 300 °C for 8 h max.

 

The length (L) of splitter sound attenuators refers to the airflow direction.

Sizing data

  • B [mm]
  • H [mm]
  • L (in airflow direction) [mm]
  • qv  (m³/h)
  • De at 250 Hz [dB]
  • Δpt [Pa]

XSFA2/900×600×1500/3×200/P/G
|||||| | | | | |
123456 7 8 9 10 11
1 Type
XS
Splitter sound attenuator 


2 Duct

No entry: with duct
OL Without duct (set of XK splitters only) 


3 Splitter surface
F
Glass fibre fabric
L Glass fibre fabric and expanded metal 


4 Material - duct and splitters
No entry: galvanised steel (1.0917)
A2 Stainless steel (1.4301)
P1 Powder-coated RAL 7001, silver grey (with duct OL) 


5 Width [mm]
150 – 4800 (with duct casing)
150 – 100000 (without duct casing) 


6 Height [mm]
150 – 3600 (with duct casing)
150 – 5000 (without duct casing) 


7 Length in airflow direction [mm]
500 – 3000 (with duct casing)
150 – 5000 (without duct casing) 


8 No. of splitters 
Specify


9 Splitter thickness [mm]
100, 200, 230, 300 


10 Duct connection
No entry: none (set of XK splitters only)
P Flange, 30 mm, galvanised steel or stainless steel
W Angle section frame, 35 × 35 × 3 mm, galvanised steel S235JRC2 only (sound attenuators with the width or height subdivided have to have an angle section frame)
T Flange, 20 mm, galvanised steel only 


11 Matching frame
No entry: none
G Matching frame (only for angle section frame)


Order example: XS-L/900×1500×1000/3×230/P

Air ductWith air duct
Splitter surfaceGlass fibre fabric and expanded metal
Materialgalvanised steel 1.0917
Width900 mm
Height1500 mm
Length1000 mm
No. of splitters3
Splitter thickness230 mm
Duct connectionStandard flange 30 mm

 
Order example: XS-OL-L-A2/800×1500×1500/3×200


Air ductWithout air duct (only set of splitters Type XK)
Splitter surfaceGlass fibre fabric and perforated sheet metal
MaterialStainless steel 1.4301
Width800 mm
Height1500 mm
Length1500 mm
No. of splitters3
Splitter thickness200 mm

Downloads

product information

certificates

operation manuals

production {"x-frame-options"=>"SAMEORIGIN", "x-xss-protection"=>"0", "x-content-type-options"=>"nosniff", "x-permitted-cross-domain-policies"=>"none", "referrer-policy"=>"strict-origin-when-cross-origin", "strict-transport-security"=>"max-age=31536000; includeSubDomains", "content-type"=>"text/html; charset=utf-8", "link"=>"</assets/application-efbc495b06ca980ef13dc743756002fce2f413f798fecb64c7f0c81954c16402.css>; rel=preload; as=style; nopush,</assets/print-fec2e47d6d8dcc5d4c101139f17046ba981ca1c12f71e7e403fba50cc7584175.css>; rel=preload; as=style; nopush,</assets/other_js/modernizr.custom.93544-c26374a79d804901074bb4aa6fd3fa44ea22e840389915d2adce16b024021ef3.js>; rel=preload; as=script; nopush,</assets/other_js/js.cookie.min-de103d86d1919b40950f791699b4ce768137fde41af09b35ff92bde369732183.js>; rel=preload; as=script; nopush,</assets/other_js/jquery-3.5.1-2c4ce18a1a3f144c333912efc24a76c9a165a0dba9f88a499985df1af0a196a2.js>; rel=preload; as=script; nopush"}

Share page

Recommend this page

Recommend this page by sending a link by mail.

Fields marked with an (*) are required fields.

Share page

Thank you for your recommendation!

Your recommendation has been sent and should arrive shortly.

Contact

We are here for you

Please specify your message and type of request
Tel.: +49 (0)2845 / 202-0 | Fax: +49 (0)2845/202-265

Attachment (max. 10MB)

Fields marked with an (*) are required fields.

Contact

Thank you for your message!

Your message is send and will be processed shortly.
Our department for Service-Requests will contact you asap.
For general question regarding products or services you can also call:
Tel.: +49 (0)2845 / 202-0 | Fax: +49 (0)2845/202-265

Contact

We are here for you

Please specify your message and type of request
Tel.: +49 (0)2845 / 202-0 | Fax: +49 (0)2845/202-265

Attachment (max. 10MB)

Fields marked with an (*) are required fields.

Contact

Thank you for your message!

Your message is send and will be processed shortly.
Our department for Service-Requests will contact you asap.
For general question regarding products or services you can also call:
Tel.: +49 (0)2845 / 202-0 | Fax: +49 (0)2845/202-265