X-CUBE ROOMAIR-V-ZAB/SEK
Energielabel

Energielabel 

Plattenwärmeübertrager
Plattenwärmeübertrager
Wärmeübertrager
Wärmeübertrager
Justierfuß
Justierfuß
Energielabel
Plattenwärmeübertrager
Wärmeübertrager
Justierfuß

X-CUBE ROOMAIR-V-ZAB/SEK

Zu- und Abluftgerät mit Umschaltmöglichkeit auf Sekundärluftbetrieb, inklusive Wärmerückgewinner und Wärmeübertrager zum vertikalen Einbau vor der Brüstung

 Anschlussfertiges dezentrales Lüftungsgerät zur komfortablen Raumtemperierung und Belüftung von Räumen

  • Akustisch optimierte EC-Ventilatoren mit niedriger spezifischer Ventilatorleistung, nach DIN EN 16798-3 SFP = 0
  • Kreuzstrom-Wärmerückgewinner (Rückwärmzahl 61 %)
  • Hocheffizienter Wärmeübertrager zum Heizen und Kühlen als 2- oder 4-Leiter-System
  • Anschluss des Wärmeübertragers raumseitig rechts
  • Kondensatwanne mit Kondensatanschluss
  • Ganzjährige Nutzung der Wärmerückgewinnung möglich (Kondensatanschluss bauseits notwendig)
  • Gerätegrundfläche ~ 0,13 m²
  • Reduzierung der Feinstaub- und Pollenbelastung durch integrierte Luftfilter gemäß VDI 6022 – Filterklasse ISO ePM1 65 % / ISO Coarse 75 %
  • Servicefreundlicher Wartungsdeckel für Filterwechsel und Reinigung der Wärmerückgewinnung
  • Motorisierte Absperrklappen, stromlos geschlossen
  • Automatische Umschaltung auf Sekundärluftbetrieb (luftqualitätsabhängig)


Optionale Ausstattung und Zubehör

  • Speziell auf dezentrale Lüftungsgeräte ausgelegte und modular aufgebaute Regelung FSL-CONTROL III
  • Holzverkleidung als Raumlösung in diversen Farben inklusive TROX Lüftungsgittern für Zu- und Abluft (Selbstbausatz)

Technische Information

Funktion, Technische Daten, Schnellauslegung, Bestellschlüssel

  • FUNKTION
  • TECHNISCHE DATEN
  • SCHNELLAUSLEGUNG
  • BESTELLSCHLÜSSEL

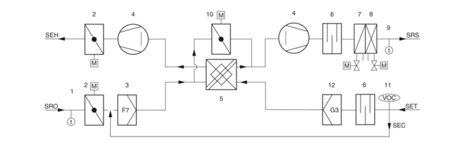
Dezentrale Zu- und Abluftgeräte be- und entlüften den Raum und decken die Kühl- und Heizlast gemäß den technischen Daten ab. Die Außenluft wird von einem EC‑Radialventilator angesaugt und strömt durch die motorisierte Absperrklappe sowie durch den Außenluftfilter. Danach strömt die Außenluft durch den Kreuzstrom-Wärmerückgewinner, der in energetisch sinnvollen Betriebssituationen und zum Geräteschutz umgangen werden kann. Bevor die Zuluft quellluftartig in den Raum strömt, wird sie bei Bedarf im Wärmeübertrager noch geheizt oder gekühlt. Die Abluft strömt durch den Abluftfilter, bevor sie durch den Wärmerückgewinner, den Abluftventilator und die motorisierte Absperrklappe als Fortluft ins Freie gefördert wird. Bei ausreichend guter Raumluftqualität schaltet die FSL‑CONTROL III Regelung durch Schließen der Außenluftklappen in den energetisch sinnvollen Sekundärluftbetrieb. Die Regelung vergleicht dabei die Sollwerte der Raumluftqualität mit den am CO2‑Sensor gemessenen Istwerten und schaltet automatisch zwischen Außenluft- und Sekundärluftbetrieb um. Zum Brandschutz, Frostschutz und zur Vermeidung von Zugluft werden bei Stromausfall die Außenluftund Fortluftklappe zugefahren. Hierzu besitzen die Stellantriebe einen Energiespeicher.Die Zuluft strömt mit mittlerer Geschwindigkeit von 0,5 – 0,8 m/s fassadennah in den Raum. Durch die Induktionswirkung werden die Geschwindigkeiten bereits kurz nach dem Lufteintritt in den Raum abgebaut. Dadurch breitet sich die Zuluft im Kühlfall über die gesamte Bodenfläche quellluftartig aus. An Wärmequellen wie Menschen und Geräten bildet sich durch natürliche Konvektion eine Auftriebsströmung, so dass primär in diesen Bereichen die Luft ausgetauscht wird.

Breite

400 mm

Höhe

1800 mm

Tiefe

320 mm

Volumenstrom

75, 90, 120 m³/h (Boost 150 m³/h)

Nennvolumenstrom

120 m³/h

Schalldruckpegel bei Nennvolumenstrom und 8 dB

Raumdämpfung

32 dB(A)

Schallleistungspegel

30 – 44 dB(A)

Wärmerückgewinnungsgrad

61%

maximaler Betriebsdruck wasserseitig

6 bar

maximale Betriebstemperatur

75 °C

Versorgungsspannung

230 V AC ±10 %, 50/60 Hz

Anschlussleistung

240 VA

Gewicht

60 kg


X-CUBE/ROOMAIR-V-ZAB/SEK (Auslegungsbeispiel 4-Leiter-Ausführung kondesatfrei)

Zuluftvolumenstrom

m³/h

75

90

120

150

Gesamtkühlleistung

W

350

420

550

690

Raumkühlleistung

W

205

243

325

401

Temperatur der Luft im Gerät

°C

32

32

32

32

relative Feuchte

%

40

40

40

40

Wassergehalt der trockenen Luft

g/kg

11,9

11,9

11,9

11,9

Zulufttemperatur

°C

17,8

17,9

17,9

18

Kondensat

g/h

0

0

0

0

Kaltwassermenge

l/h

50

70

110

150

Wassereintrittstemperatur

°C

16

16

16

16

Wasseraustrittstemperatur

°C

22

21,1

20,3

19,9

Druckverlust wasserseitig

kPa

2,1

3,7

8,2

14,1

Gesamtheizleistung

W

1480

1740

2280

2770

Raumheizleistung

W

383

433

545

611

Temperatur der Luft im Gerät

°C

-16

-16

-16

-16

Zulufttemperatur

°C

35,3

34,4

33,6

32,2

Warmwassermenge

l/h

40

50

80

110

Wassereintrittstemperatur

°C

60

60

60

60

Wasseraustrittstemperatur

°C

27,9

29,8

35,2

38

Druckverlust wasserseitig

kPa

2,6

3,8

8,5

14,7

Schallleistungspegel LWA

dB(A)

30

33

39

44

Schalldruckpegel inklusive

8 dB Systemdämpfung

dB(A)

22

25

31

36

Wirkleistung Pel

W

20

23

27

35

Luftseitige Daten Kühlbetrieb:

Temperatur/relative Feuchte Außenluft: 32 °C/40 %

Temperatur/relative Feuchte Raumluft: 26 °C/50 %

Luftseitige Daten Heizbetrieb:

Temperatur/relative Feuchte Außenluft: -16 °C/90 %

Temperatur/relative Feuchte Raumluft: 20 °C/35 %


X-CUBE/ROOMAIR-V-ZAB/SEK (Auslegungsbeispiel 4-Leiter-Ausführung mit ganzjähriger Wärmerückgewinnungsnutzung)

Zuluftvolumenstrom

m³/h

75

90

120

150

Gesamtkühlleistung

W

320

390

520

660

Raumkühlleistung

W

200

240

321

401

Temperatur der Luft im Gerät

°C

28

28,1

28,3

28,4

relative Feuchte

%

50,2

50

49,5

49,3

Wassergehalt der

trockenen Luft

g/kg

11,9

11,9

11,9

11,9

Zulufttemperatur

°C

18

18

18

18

Kondensat

g/h

104

133

162

207

Kaltwassermenge

l/h

40

55

88

112

Wassereintrittstemperatur

°C

12

12

12

12

Wasseraustrittstemperatur

°C

18,8

18

17,1

17,1

Druckverlust wasserseitig

kPa

1,4

2,4

5,5

8,4

Gesamtheizleistung

W

620

780

1030

1290

Raumheizleistung

W

318

388

493

541

Temperatur der Luft im Gerät

°C

9,8

9,2

8,8

7,4

Zulufttemperatur

°C

33,7

33,9

33,3

31,8

Kondensat

g/h

200

200

200

300

Warmwassermenge

l/h

35

50

80

100

Wassereintrittstemperatur

°C

45

45

45

45

Wasseraustrittstemperatur

°C

29,5

31,5

33,8

33,8

Druckverlust wasserseitig

kPa

2

3,6

8,2

12,2

Schallleistungspegel Lw,a

dB(A)

30

33

39

44

Schalldruckpegel inklusive 8 dB Raumdämpfung


dB(A)


22


25


31


36

Wirkleistung Pel

W

20

23

27

35

Luftseitige Daten Kühlbetrieb:

Temperatur/relative Feuchte Außenluft: 32 °C/40 %

Temperatur/relative Feuchte Raumluft: 26 °C/50 %


Luftseitige Daten Heizbetrieb:

Temperatur/relative Feuchte Außenluft: -12 °C/90 %

Temperatur/relative Feuchte Raumluft: 21 °C/40 %

RA-V-ZAB/SEK
41 / KR / 400 × 1800 × 320 / C3MAT / MR / C / Z / A / HVR0,40 / KVR0,40
|||||||||||||||||||
12345678910111213141516171819

1 Serie
RA-V-ZAB/SEK vertikales dezentrales Lüftungsgerät X-CUBE/ ROOMAIR-V-ZAB/SEK

2 Variante
Keine Eintragung: Standard

3 Wärmeübertrager
2
2-Leiter
4 4-Leiter

4 Wärmeübertragerausführung 
Ausführung angeben (technische Auslegung mit TROX EPF oder TROX CONFIGURATOR)

5 Ausführung
KR mit Kondensatablauf rechts (nur mit Variante HE)

6 Nenngrößen [mm]
Breite × Höhe × Tiefe
400 × 1800 × 320 

7 Regelung
OR 
ohne Regelung
C3 mit FSL-CONTROL III

8 Regelungsfunktion
MA
Master
SL Slave

9 Echtzeituhr
Nur mit Regelungsfunktion MA
Keine Eintragung: ohne Echtzeituhr
mit Echtzeituhr

10 Schnittstelle
Keine Eintragung: ohne Schnittstelle
MT mit Modbus TCP
MR mit Modbus RTU (nur mit Regelungsfunktion MA)
BI mit BACnet IP
BM mit BACnet MS/TP (nur mit Regelungsfunktion MA)

11 Luftqualitätsfühler
Nur mit Regelungsfunktion MA
Keine Eintragung: ohne Luftqualitätsfühler
C mit CO2-Sensor
V mit VOC-Sensor

12 Zulufttemperaturfühler
Z
 mit Zulufttemperaturfühler

13 Außenlufttemperaturfühler
Nur mit Regelungsfunktion MA
Keine Eintragung: ohne Außenlufttemperaturfühler
A mit Außenlufttemperaturfühler

14 Heizventil
HV 
mit Heizventil

HVE mit elektromotorischem Antrieb

15 Rücklaufverschraubung Heizkreis
R mit Rücklaufverschraubung

16 kVS-Wert Heizventil
0,25
 
(Durchgangsventil) 
0,40 (Durchgangsventil) 
0,63 (Durchgangsventil) 
1,00 (Durchgangsventil) 
F0,50 (druckunabhängiges Regelventil)

17 Kühlventil
Nur mit Wärmeübertrager 4
KV mit thermoelektronischem Antrieb 

KVE mit elektromotorischem Antrieb 

18 Rücklaufverschraubung Kühlkreis
Nur mit Wärmeübertrager 4
R mit Rücklaufverschraubung

19 kVS-Wert Kühlventil
0,25
(Durchgangsventil) 
0,40 (Durchgangsventil) 
0,63 (Durchgangsventil) 
1,00 (Durchgangsventil) 
F0,50 (druckunabhängiges Regelventil)


Bestellbeispiel: RA-V-ZAB/SEK-4-1-KR/400×1800×320/C3-MA-T/MR/C/Z/A/HV-R-0,40/KV-R-0,4

SerieSA-V-ZAB/SEKvertikales dezentrales Lüftungsgerät X-CUBE/ROOMAIR-V-ZAB/SEK
Variante-Standard
Wärmeübertrager44-Leiter
Wärmeübertragerausführung1Wärmeübertrager Typ 1
AusführungKRmit Kondensatablauf, Abluft raumseitig rechts
Nenngröße [mm]400×1800×320Breite 400, Höhe 1800, Tiefe 320
RegelungC3mit FSL-CONTROL III
RegelungsfunktionMAMaster
EchtzeituhrTmit Echtzeituhr
SchnittstelleMRmit Modbus RTU
LuftqualitätsfühlerCmit CO2-Sensor
ZulufttemperaturfühlerZmit Zulufttemperaturfühler
AußenlufttemperaturfühlerAmit Außentemperaturfühler
HeizventilHVmit thermoelektrischem Antrieb
Rücklaufverschraubung HeizkreisRmit Rücklaufverschraubung
kVS-Wert Heizventil0,400,40 (Durchgangsventil)
KühlventilKVmit thermoelektrischem Antrieb
Rücklaufverschraubung Kühlkreis Rmit Rücklaufverschraubung
kVS-Wert Kühlventil0,400,40 (Durchgangsventil)


Bestellbeispiel: RA-V-ZAB/SEK-4-1-KR/400×1800×320/C3-SL/MT/Z/HV-R-0,40/KV-R-0,25

SerieSA-V-ZAB/SEKvertikales dezentrales Lüftungsgerät X-CUBE/ROOMAIR-V-ZAB/SEK
Variante-Standard
Wärmeübertrager44-Leiter
Wärmeübertragerausführung1Wärmeübertrager Typ 1
AusführungKRmit Kondensatablauf, Abluft raumseitig rechts
Nenngröße [mm]400×1800×320Breite 400, Höhe 1800, Tiefe 320
RegelungC3mit FSL-CONTROL III
RegelungsfunktionSLSlave
Echtzeituhr--
SchnittstelleMTmit Modbus TCP
Luftqualitätsfühler--
ZulufttemperaturfühlerZmit Zulufttemperaturfühler
Außenlufttemperaturfühler--
HeizventilHVmit thermoelektrischem Antrieb
Rücklaufverschraubung HeizkreisRmit Rücklaufverschraubung
kVS-Wert Heizventil0,400,40 (Durchgangsventil)
KühlventilKVmit thermoelektrischem Antrieb
Rücklaufverschraubung Kühlkreis Rmit Rücklaufverschraubung
kVS-Wert Kühlventil0,250,25 (Durchgangsventil)

Ausschreibungstext

  • AUSCHREIBUNGSTEXT
X-CUBE/ROOMAIR-V-ZAB/SEK-4-KM/400×1800×320/C3
Brüstungsgeräte für die Montage vertikal an der Fassade

Bitte beachten:

Die beschriebene vertikale dezentrale Lüftungsgerätevariante ist mit einer im Gerät integrierten Einzelraumregelung für autarken Raumbetrieb ausgestattet. Die gelieferten Regler beinhalten die Parameter der Standardregelung für einen Betrieb gemäß unserer Regelungsbeschreibung X-CUBE/ROOMAIR-V-ZAB/SEK mit selbsttätiger Sekundärluftumschaltfunktion – Mastergerät Vertikales dezentrales Lüftungsgerät TROX X-CUBE/ROOMAIRV-ZAB/SEK mit Zu- und Abluftfunktion und Umschaltmöglichkeit auf Sekundärluftbetrieb (luftqualitätsabhängig), Wärmerückgewinnung sowie Heiz- und Kühlfunktion zur Montage an bauseitiger Fassadenkonstruktion:

  • Gerätegehäuse aus verzinktem Stahlblech, Deckel und Blechverbindungen über Gewindetiefzüge und Edelstahlkreuzschlitzschrauben, alle notwendigen internen Luftkanalführungen abgedichtet und ausgekleidet, interne Elektrokabeldurchführungen abgedichtet, Sichtflächen pulverbeschichtet (RAL 9005, tiefschwarz)
  • Zur bauseitigen Befestigung verstellbarer L-Winkel an der Geräteoberseite mit 2 Stück Langlöchern sowie im unteren Gerätebereich Langlöcher hinter dem Wärmeübertrager
  • Raumseitig im oberen Bereich Öffnung für die Abluft- und Sekundärluftansaugung, ohne Dichtband, Andichtung zur Brüstungsverkleidung durch geschlossenporiges Dichtband zur Luftkurzschlussvermeidung (Dichtband nicht Lieferumfang TROX) ist erforderlich
  • Schall- und wärmedämmende Auskleidung auf Saug- und Druckseite aus glasseidenkaschierter Mineralwolle (Baustoffklasse A, nicht brennbar nach DIN 4102, T1), abriebfest bis Luftgeschwindigkeiten von 20m/s, oder geschlossenporigem Dämmstoff
  • Das Gerät entspricht den hygienischen Anforderungen der VDI 6022
  • Höhenverstellbaren Stellfüße, +40 mm, zum Ausgleich von Rohbautoleranzen
  • Anschluss an die bauseitigen Außenluft- und Fortluftöffnungen der Fassade durch umlaufendes geschlossenporiges Dichtband auf der Geräterückseite, b × d = 50 × 10 mm, der Ansaug- und Ausblaswiderstand der bauseitigen Konstruktion sollte bei Nennvolumenstrom 20 Pa nicht überschreiten. Der Wetterschutz muss fassadenseitig erbracht werden und dient zum Gerätschutz (Wetterschutz nicht im Lieferumfang der Firma TROX)
  • Einsatz von 2 energiesparenden EC-Radialgebläsen, Zu- und Abluftventilator eingestuft in Kategorie SFP 0 (< 500 W/(m³/s) nach DIN EN 16798-3: elektrische Leistungsaufnahme des gesamten Gerätes bei Nennvolumenstrom 120 m³/h < 27 W, zur Dimensionierung der Anschlussleitung ist eine Anschlussleistung von 240 VA zu berücksichtigen Geeignet für 4 Drehzahlstufen (z. B. 60, 90, 120 und 150 m³/ h), Ansteuerung über geräteinterne Einzelraumregelung, Volumenstromstufenkorrektur durch Anpassung der Steuerspannung nachträglich möglich
  • Erfüllt alle Anforderungen der EU-Verordnung 1253/2014 (Erp-Richtlinie)
  • Schallleistungspegel im Zu-/Abluftbetrieb bei 60/90/120/150 m³/h = 30/33/39/44 dB(A) (entspricht bei einer Raumdämpfung von 8 dB einem Schalldruckpegel von = 22/25/31/36 dB(A)). Die Angaben der Messungen beziehen sich auf Schallleistungsmessungen eines Einzelgerätes in einem Hallraum entsprechend der Genauigkeitsklasse 1. Je nach Einbausituation sind Abweichungen möglich
  • Integrierter rekuperativer, Kreuzstrom-Wärmeübertrager zur Wärmerückgewinnnung in seewasserbeständiger Aluminiumausführung, mit hohem Wirkungsgrad aufgrund spezieller Plattenstruktur, Plattenabständen und Paketlänge, inklusive Kondensatwanne und Ableitung in die Kondensatwanne des Wärmeübertragers. Zugänglichkeit zu Wartungszwecken über separaten Servicedeckel ohne Entfernen des Gerätedeckels möglich
  • Mit elektromotorischem Bypass, der den Luftvolumenstrom an der Wärmerückgewinnung vorbeiführt, Antrieb 24 V (stetig), 100 % Auf – Zu, Ansteuerung über geräteinterne Einzelraumregelung
  • Motorische Absperrklappen in Außen-/und Fortluftbereich, stromlos geschlossen im inaktiven Zustand über Energiespeicher, Antrieb 230 V, Auf – Zu, Ansteuerung über geräteinterne Einzelraumregelung
  • Automatische Umschaltung auf Sekundärluftbetrieb (nur in Verbindung mit Luftqualitätssensor) erfolgt, sofern die Raumluftqualität (gemessen am z. B. geräteinternen CO2-Sensor) innerhalb der zuvor definierten Grenzwerte liegen. Dazu werden die Außenluftklappen zugefahren, die selbsttätige Sekundärluftklappe öffnet sich und der Abluftventilator wird abgeschaltet
  • Im Gerät enthaltene elektrische Komponenten komplett verdrahtet mit FSL-CONTROL III, Regelkomponenten werden im Gerät integriert. Kabel zum bauseitigen Anschluss (Anschluss nicht Lieferumfang TROX) der Spannungsversorgung (L, N, PE) mit Aderendhülsen ca. 1 m aus dem Gerät herausgeführt, als Übergabestelle zum bauseitigen Gewerk Elektro:
    • Spannungsversorgung (230 V): 3 Adern, 3 × 1,5 mm² (L, N, PE)
  • Anschlussmöglichkeit für Buskommunikation (optional), Anschluss Raumbediengerät etc. nach Öffnung des Kundenbereichs der Regelung. Als Übergabestelle zum bauseitigen Gewerk Messen/Steuern/Regeln:
    • Reihenklemmen Typ Wago 260 für den bauseitigen Anschluss von
      • Digitalen Eingängen DI
      • Digitalen Ausgängen DO
      • Master-Slave-Verbindung RS485
      • Optionale Integration in MBE/GA via RS485 (Modbus/ BACnet)
      • Raumbediengerät
      • RJ45-Buchse als Servicezugang zur Bedienoberfläche
      • Optionale Integration in eine bauseitige MBE/GA via Ethernet (Modbus/BACnet)

Folgende Fühler werden zur Steuerung der Einzelraumregelung im Gerät angeordnet (die Raum-IstTemperatur wird am Raumbediengerät erfasst):

  • Raumluftqualitätssensor CO2
  • Zulufttemperaturerfassung nach dem Wärmeübertrager
  • Außenlufttemperaturerfassung in der Außenluftansaugung 4-Leiter-Aluminium-Kupferrohr-Wärmeübertrager zur Lufterwärmung oder Luftkühlung, abgestimmt auf die projektspezifischen Daten, zur Reinigung leicht abnehmbar (entscheidend ist die bauseitige Anbindung an die Hauptverrohrung, nicht im Lieferumfang der Firma TROX), Entleerungs- und Entlüftungsmöglichkeit pro Heiz-/ Kühlkreislauf, Anordnung raumseitig rechts. Wir empfehlen eine Anbindung an das bauseitige Rohrnetz mit flexiblen Schläuchen (nicht im Lieferumfang der Firma TROX), um den Wärmeübertrager zur Reinigung leicht entnehmen zu können Übergabepunkte sind die handfest vormontierten Regelungskomponenten
  • Im Rücklauf Ventile: Übergabe mit G ½"-Außengewinde flach dichtend
  • Im Vorlauf Rücklaufverschraubungen: Übergabe mit G ½"-Außengewinde flach dichtend


Leicht reinigbare Kondensatwanne aus verzinktem Stahlblech, pulverbeschichtet RAL 9005, mit Kondensatableitung Ø 12 × 1 [mm] Außenluftfilter als Plisseefilter Klasse ePM1 (Feinstaubfilter):

  • Filterklasse nach ISO16890: ISO ePM1 65 %
  • Eurovent-zertifiziert
  • ePM1-Filtermedien aus hochwertigem, nassfestem Glasfaserpapier sind in enge Falten gelegt, die Abstandshalter sind aus thermoplastischen Schmelzkleber und sorgen für einen gleichmäßigen Abstand (4mm) der Falten zueinander
  • Der Rahmen ist aus feuchtigkeitsbeständigem Vlies mit Auszuglaschen und darf den Durchströmquerschnitt nicht verkleinern (Filtergröße = Durchströmquerschnitt)
  • Filterfläche ≥ 1,8 m²


Abluftfilter Klasse G3 (Grobstaubfilter) als Flachfiltermedium, Filterklasse nach ISO16890: ISO coarse 75 % Einfache Revision der Filter und des Wärmerückgewinners aufgrund der kompakten Anordnung der Bauteile hinter dem Servicedeckel. Der Servicedeckel lässt sich werkzeugfrei über bedienerfreundliche Vierteldrehverschlüsse öffnen. Die Zugänglichkeit darf von der bauseitigen Brüstungsverkleidung nicht eingeschränkt werden Geschlossenporige Dichtbänder zur Abdichtung und Anpassung an die bauseitige Verkleidung nicht Lieferumfang der Firma TROX Die bauseitige Brüstungsverkleidung erhält Perforationen in festzulegenden Bereichen des Wärmeübertragers für die Zulufteinbringung in den Raum und darf auf der Gerätevorderseite Wartungsarbeiten sowie Gerätemontage/- Demontage nicht einschränken. Im oberen Bereich der Verkleidung muss auch eine Öffnung zur Abluftansaugung angeordnet werden

  • Lichter Abstand Vorderkante Gerät zur Innenkante der Brüstungsverkleidung ca. 30 mm
  • Die Gerätefront muss nach Demontage der bauseitigenVerkleidung komplett zugänglich sein


Geräte Abmessungen und Gewicht:
Breite: ca. 400 mm
Höhe: ca. 1800 mm (ohne Befestigungswinkel oben, ohne
Höhenverstellung)
Tiefe: ca. 320 mm (ohne komprimierbare Fassadenandichtung an der Geräterückseite)
Gewicht: ca. 60 kg


FSL-CONTROL III Regler

Inklusive Regelsystem FSL-CONTROL III, wie nachfolgend beschrieben:

FSL-CONTROL III ist als autarke Einzelraumregelung mit einfachem Zeitprogramm beschrieben. Optionale Erweiterungen, wie z. B. Integration in eine bauseitige MBE/GA via Modbus TCP, Modbus RTU, BACnet MS/TP oder BACnet IP, Feuchtesensorik, Rücklauftemperaturfühler, elektromotorische Ventilantriebe oder druckunabhängige Regelventile, sind im Lieferprogramm enthalten, müssen aber in der folgenden Beschreibung gegen die Standardkomponenten ausgetauscht werden. Zudem wird ein Raumtemperatursignal benötigt. Dazu stehen verschiedene Raumbediengeräte und Fühler zur Auswahl. Die zugehörigen optionalen Ausstattungstextbausteine finden Sie im Anhang der nachfolgenden Standardausstattung für raumautarken Betrieb. Wir empfehlen eine Inbetriebnahme durch TROX. Zugehörige Textbausteine finden Sie weiter unten.

TROX Regelmodul FSL-CONTROL III (Bestellschlüssel ...-C3- MA ...):

  • Einzelraumregler zur DIN-Schienen-Montage im Gerät oder in separatem Regelungsgehäuse
  • 42 digitale bzw. analoge Ein- und Ausgänge
  • Als Flashspeichermedium ist eine microSD-Karte mit mindestens 2 GB Speicherplatz integriert. Dort werden die Trenddaten gespeichert und sind über die RJ45-Buchse abrufbar
  • Werkseitig mit speziell für dezentrale Lüftungsgeräte entwickeltem Softwarepaket für Mastergeräte ausgestattet. Die Software ermöglicht eine einfache Master-Slave- Kommunikation über Modbus RTU
  • Es können bis zu 10 Slavegeräte an ein Mastergerät angeschlossen werden
  • Die Software stellt 3 Betriebsmodi (Aus, Automatik und Handbetrieb), 3 Betriebsarten (Anwesend, Abwesend und Standby) und 4 Betriebsartenübersteuerungen (Boost, Klausur, Nachtlüftung und Lüfterzwangsschaltung) zur Verfügung
  • Grundsätzliche Unterscheidung zwischen Raumtemperaturregelung durch Ansteuerung von Heiz- und Kühlventilen bzw. stetiger Bypassklappe oder Zulufttemperaturregelung für isothermen Lüftungsbetrieb
  • CO2-geführte Luftqualitätsregelung
  • Ganzjährige WRG-Nutzung
  • Filterüberwachung
  • Konfigurierbare DI für bauseitigen Anschluss von Präsenzmeldern, Fensterkontakten, Ferienschaltung etc.
  • Alarmmeldungen: Typ A (Abschaltungen) und Typ B (Benachrichtigungen)


RTC Echtzeituhr

Real-Time-Clock (RTC/Echtzeituhr) (Bestellschlüssel ...-T/...):
Bestandteil des Master-Software-Pakets
Ermöglicht ein einfaches Zeitprogramm

  • 7 Tage mit jeweils 10 Schaltpunkten
  • Automatische Sommer-/Winterzeitumschaltung
  • Zeitliche Aktivierung der Nachtauskühlung


CO2-Sensor

CO2-Sensor (Bestellschlüssel .../C/...):

  • In der Abluftansaugung des Mastergerätes angeordneter Sensor zur Erfassung der Raumluftqualität und entsprechender Steuerung des Außenluftvolumenstroms
  • Messung über einen NDIR-Sensor, der auf Infrarotbasis arbeitet und durch sein 2-Strahl-Messprinzip etwaige Verschmutzungen kompensiert
  • Messbereich 0 – 2000 ppm


Zulufttemperaturfühler

Zulufttemperaturfühler (Bestellschlüssel .../Z/...):

  • Zulufttemperaturfühler mit NTC-Thermistor als Fühlerelement, Widerstand 10 kΩ bei 25 °C, Messbereich -35 – 105 °C
  • Besonders schnelle Reaktionszeit durch gelochte Messspitze


Außenlufttemperaturfühler

Außenlufttemperaturfühler (Bestellschlüssel .../A/...):

  • Außenlufttemperaturfühler mit NTC-Thermistor als Fühlerelement, Widerstand 10 kΩ bei 25 °C, Messbereich -35 – 105 °C


Wasserseitige Komponenten

Wasserseitige Komponenten (Bestellschlüssel…/HV-R-…/KV-R-…):

Ventilstellantriebe:

  • 2 × thermoelektrische Stellantriebe zum Öffnen und Schließen von Ventilen, mit Stellungsanzeige, inklusive steckbarer Anschlussleistung, Betriebsspannung 24 V DC, Steuerspannung 0 – 10 V DC, Leistungsaufnahme 1 W, Schutzart: IP 54


Durchgangsventile:

  • 2 × Durchgangskleinventile ½" Standard, handfest vormontiert, PN 16, DN 10, kvs 0,4 (alternativ 0,25, 0,63 oder 1,0 m³/h – bitte nennen Sie uns den benötigten kvs-Wert), Ventilgehäuse Durchgangsform mit Außengewinde beidseitig ½" flach dichtend, Medientemperatur 1 – 110 °C


Rücklaufverschraubungen:

  • 2 × Rücklaufverschraubungen beidseitig ½", handfest vormontiert, Nennweite DN 15; Ventilgehäuse Durchgangsform mit Außengewinde beidseitig ½" flach dichtend, zur Regulierung und Absperrung, Medientemperatur maximal 120 °C


Optionales Regelungszubehör

Optionale Ausstattungsmöglichkeiten zur Komfortsteigerung der Regelung FSL-CONTROL III:

TROX Raumbediengeräte für FSL-CONTROL III:

Je Raum wird mindestens ein Raumtemperatursignal benötigt. Es stehen von TROX diverse Varianten an Raumbediengeräten zur Verfügung, wahlweise mit oder ohne Stufenschaltung.
Zusätzlich bieten wir einen Raumtemperaturfühler RTF ohne Bedienelemente an. Alternative bauseitige Raumbediengeräte müssen über eine Buskommunikation aufgeschaltet werden.

Digitale Raumbediengeräte für Aufputzmontage:
Für die Bedienung und Einstellung der Lüftungsgeräte.

  • Lose als Beistellteil mitgeliefert. Anbindung an Mastergerät über Modbus Serial line. Projektspezifische Software inklusive Sollwertsteller, diverser Statusanzeigen, Stufenschalter, CO2-Ampel. Berührungsempfindliches Farbdisplay 3,5", 320 × 240 Pixel. Sensor: NTC 10 kΩ. Schutzart: IP 20. Typ: Schneider TM172DCLWT. Abmessungen (H × B × T): 120 × 86 × 25 mm. Gewicht: 340 g. Farbe: weiß. Montage: Wandaufbau oder auf Standard- Unterputzdose. Versorgung: 24 V DC (inklusive passendem Schaltnetzteil für Unterputzmontage). Leistungsaufnahme: 3,2 VA/1,3 W. Optional weitere Designrahmen gegen Mehrpreis auf Anfrage erhältlich


Raumbediengeräte mit Stufenschalter für Aufputzmontage Raumbediengerät mit Stufenschaltung, Typ Thermokon, Aufputzmontage:

  • Lose als Beistellteil mitgeliefert, mit Raumtemperaturfühler, Sollwertversteller, Übersteuerungstaste, LED und 3- Stufenschalter sowie Aus und Automatik, Gehäuse aus PVC0 reinweiß (RAL 9010), Montage auf 60 mm Unterputzdose oder direkt auf der Wand, NTC-Thermistor als Fühlerelement, Widerstand 20 kΩ bei 25 °C, Abmessungen (B × H × T): 84,5 × 84,5 × 25 mm, Betriebstemperatur: -35 – 70 °C


Raumbediengeräte ohne Stufenschalter für Aufputzmontage Raumbediengerät ohne Stufenschalter, Typ Thermokon, Aufputzmontage:

  • Lose als Beistellteil mitgeliefert, mit Modusanzeige, Taster und Sollwertverstellung, Sensor NTC 20 kΩ, Schutzart: IP 20, Abmessungen (B × H × T) 84,5 × 84,5 × 25 mm


Raumtemperaturfühler für Aufputzmontage Raumtemperaturfühler TROX RTF, Aufputzmontage:

  • Lose als Beistellteil mitgeliefert, Raumfühler ohne Bedienelemente, Messbereich: -35 – 70 °C, Sensor NTC 10 kΩ, Anschlussklemme Schraubklemme, Kabelquerschnitt 1,5 mm2, Schutzart IP 20, Montage Wandaufbau oder auf 70 mm Unterputzdose, Abmessungen (B × H × T) 85 × 85 × 30 mm, Gehäuse ABS in RAL 9010


Raumbediengeräte ohne Stufenschalter für Unterputzmontage:

Manuelle Bedienung der Lüftungsgeräte, hochwertige Optik, passende Designrahmen aus verschiedenen Schalterprogrammen. Die Geräte eignen sich besonders für designorientierte Einrichtungen.

Raumbediengerät ohne Stufenschalter, Typ Thermokon, Unterputzmontage, Schalterprogramm Berker S.1 polarweiß

  • Lose als Beistellteil mitgeliefert, mit Modusanzeige, Taster und Sollwertverstellung, Sensor NTC 20 kΩ, Schutzart: IP 20

Raumbediengerät ohne Stufenschalter, Typ Thermokon, 

Unterputzmontage, Schalterprogramm Berker Q.3, weiß

  • Lose als Beistellteil mitgeliefert, mit Modusanzeige, Taster und Sollwertverstellung, Sensor NTC 20 kΩ, Schutzart: IP 20


Raumbediengerät ohne Stufenschalter, Typ Thermokon, Unterputzmontage, Schalterprogramm Busch Jäger future linear, weiß

  • Lose als Beistellteil mitgeliefert, mit Modusanzeige, Taster und Sollwertverstellung, Sensor NTC 20 kΩ, Schutzart: IP 20
  • Weitere Schalterprogramme auf Anfrage


Raumbediengeräte ohne Stufenschalter und ohne Sollwertsteller für Unterputzmontage:

Raumbediengerät ohne Stufenschalter und ohne Sollwertsteller, Typ Thermokon, Unterputzmontage, Schalterprogramm Gira E2

  • Lose als Beistellteil mitgeliefert, mit Modusanzeige und Taster, Sensor NTC 20 kΩ, Schutzart: IP 20
  • Weitere Schalterprogramme auf Anfrage


Elektromotorische Ventilstellantriebe als Alternative zum standardmäßig installierten thermoelektrischen Stellantrieben:

  • 2 × elektromotorische Stellantriebe zum Öffnen und Schließen von Ventilen, Betriebsspannung AC/DC 24 V, maximale Leistungsaufnahme 2,5 VA, Ansteuerung Stellsignal 3-Punkt DC 0 – 10 V, zulässige Medientemperatur 1 – 110 °C


Druckunabhängige Regelventile als Alternative zu den standardmäßig installierten Durchgangskleinventilen:

  • 2 × druckunabhängige Regelventile, handfest vormontiert mit modulierender Auf/Zu-Regelung in Kombination mit einem von außen einstellbaren, dynamischen Volumenstromregler, mit voller Ventilautorität, Nennweite DN 10, Ventilgehäuse Durchgangsform mit Außengewinde beidseitig ½" flach dichtend, Medientemperatur 0 – 120 °C


Schnittstelle zur Integration in eine bauseitige MBE/GA:

Modbus TCP-Schnittstelle inklusive Webserver (Bestellschlüssel .../MT/...):

Zur Komfortsteigerung empfehlen wir die Integration in eine bauseitige MBE/GA oder die Visualisierung mit X-TAIRMINAL. FSL-CONTROL III bietet die Möglichkeit, via Modbus TCPProtokoll in eine bauseitige MBE/GA integriert zu werden. Zusätzlich inklusive Webserver zur vereinfachten Konfiguration, Inbetriebnahme und Fernüberwachung des Gerätes. Die MBE/ GA ist nicht im Lieferumfang TROX enthalten, hier sind lediglich die zuvor aufgeführten Schnittstellen verfügbar.

  • Modbus TCP-Schnittstelle (Ethernet)


BACnet IP-Schnittstelle inklusive Webserver (Bestellschlüssel .../BI/...):

Zur Komfortsteigerung empfehlen wir die Integration in eine bauseitige MBE/GA. FSL-CONTROL III bietet die Möglichkeit, via BACnet-IP-Protokoll in eine bauseitige MBE/GA integriert zu werden. Zusätzlich inklusive Webserver zur vereinfachten Konfiguration, Inbetriebnahme und Fernüberwachung des Gerätes. Die MBE/GA ist nicht im Lieferumfang TROX enthalten, hier sind lediglich die zuvor aufgeführten Schnittstellen verfügbar.

  • BACnet IP-Schnittstelle (Ethernet)


Modbus RTU (Bestellschlüssel .../MR/...):

Zur Komfortsteigerung empfehlen wir die Integration in eine bauseitige MBE/GA. FSL-CONTROL III bietet die Möglichkeit, via Modbus RTU in eine bauseitige MBE/GA integriert zu werden. Die MBE/GA ist nicht im Lieferumfang TROX enthalten, hier sind lediglich die zuvor aufgeführten Schnittstellen verfügbar.

  • Modbus RTU-Schnittstelle (RS485)


BACnet MS/TP (Bestellschlüssel .../BM/...):

Zur Komfortsteigerung empfehlen wir die Integration in eine bauseitige MBE/GA. FSL-CONTROL III bietet die Möglichkeit, via BACnet MS/TP in eine bauseitige MBE/GA integriert zu werden. Die MBE/GA ist nicht im Lieferumfang TROX enthalten, hier sind lediglich die zuvor aufgeführten Schnittstellen verfügbar.

  • BACnet MS/TP-Schnittstelle (RS485)


Ersatzfilterset passend zur Geräteausführung 

  • Abluftfilter als Filtermattenzuschnitt
  • Außenluftfilter als Plisseefilter


Inbetriebnahme der dezentralen Lüftungsgeräte

Inbetriebnahme/Parametrisierung der dezentralen Lüftungsgeräte ohne Integration in eine bauseitige MBE/GA

  • Sichtprüfung der bauseits vorgenommenen Geräteanschlüsse auf Übereinstimmung mit den jeweiligen Einbauvorgaben aus der Installations- und Konfigurationsanleitung: Luftanschlüsse; Heizungs-/ Kälteanbindung; Elektroanschlüsse; Einbindung in die installierte Geräteverkleidung; Anschlüsse externer Teilnehmer
  • Prüfung und gegebenenfalls Anpassung der im Werk voreingestellten Projektparameter im Hinblick auf kundenspezifische Anpassungen
  • Funktionsprüfung der einzelnen Komponenten (Stellglieder, Ventilatoren, Ventile, Klappen, Sensoren)
  • Überprüfung der projektspezifischen Regelfunktionen inklusive eventueller Sonderfunktionen wie z. B. potentialfreier Schaltkontakte
  • Dokumentation der Geräteeinstellungen und des Einsatzes in einem Servicebericht. Der Servicebericht ist von Ihrem Unternehmen als Auftraggeber oder Ihrem Vertreter zu unterzeichnen
  • Die Abrechnung erfolgt als Pauschale, abgeleitet aus Geräteanzahl und Entfernung


Inbetriebnahme/Parametrisierung der dezentralen Lüftungsgeräte mit Integration in eine bauseitige MBE/GA

  • Sichtprüfung der bauseits vorgenommenen Geräteanschlüsse auf Übereinstimmung mit den jeweiligen Einbauvorgaben aus der Installations- und Konfigurationsanleitung: Luftanschlüsse; Heizungs-/ Kälteanbindung; Elektroanschlüsse; Einbindung in die installierte Geräteverkleidung; Anschlüsse externer Teilnehmer; Anschlüsse der MBE/GA
  • Prüfung und gegebenenfalls Anpassung der im Werk voreingestellten Projektparameter im Hinblick auf kundenspezifische Anpassungen
  • Funktionsprüfung der einzelnen Komponenten (Stellglieder, Ventilatoren, Ventile, Klappen, Sensoren)
  • Überprüfung der projektspezifischen Regelfunktionen inklusive eventueller Sonderfunktionen wie z. B. potentialfreier Schaltkontakte
Funktionsprüfung der Kommunikation zur MBE/GA in Zusammenarbeit mit der bestellten MSR-Firma:
  • Überprüfung der bauseitig vorzunehmenden Einstellungen auf Übereinstimmung mit den Vorgaben aus der Installations- und Konfigurationsanleitung

  • Eingangsprüfung der bauseitig gesendeten Datenpunkte
  • Ausgangsprüfung der ausgegebenen Datenpunkte
  • Probebetrieb der von der MBE/GA schaltbaren Betriebszustände
  • Dokumentation der Geräteeinstellungen und des Einsatzes in einen Servicebericht. Der Servicebericht ist von Ihrem Unternehmen als Auftraggeber oder Ihrem Vertreter zu unterzeichnen
  • Die Abrechnung erfolgt als Pauschale, abgeleitet aus Geräteanzahl und Entfernung


Einweisung in Bedienung und Wartung

  • Einmalige Unterweisung zur Bedienung der dezentralen Lüftungsgeräte bestehend aus:
    • Beschreibung der Gerätefunktionen am bereits in Betrieb genommenem Gerät
    • Beschreibung der Raumbedieneinheit und der damit beeinflussbaren Raumkonditionen
    • Beschreibung der Wartungsarbeiten
  • Die Abrechnung erfolgt als Pauschale und wird durch den verantwortlichen Vertriebsmitarbeiter durchgeführt

DOWNLOADS

Produktinfos

Zertifikate

Betriebsanleitungen

Referenzen

Einbaubeispiel FSL-V-ZAB

slide_1
production {"x-frame-options"=>"SAMEORIGIN", "x-xss-protection"=>"1; mode=block", "x-content-type-options"=>"nosniff", "x-download-options"=>"noopen", "x-permitted-cross-domain-policies"=>"none", "referrer-policy"=>"strict-origin-when-cross-origin", "strict-transport-security"=>"max-age=31536000; includeSubDomains", "content-type"=>"text/html; charset=utf-8"}

Seite teilen

Diese Seite weiterempfehlen

Hier haben Sie die Möglichkeit diese Seite als Link weiter zu empfehlen.

Mit Stern (*) markierte Felder sind Pflichtfelder.

Kontakt

Vielen dank für Ihre Nachricht!

Ihre Empfehlung wurde verschickt und sollte jeden Moment beim Empfänger eingehen.

Kontakt

Wir sind für Sie da

Bitte spezifizieren Sie das Thema Ihrer Anfrage und Ihre Kontaktdaten.
Tel.: +49 (0)2845 / 202-0 | Fax: +49 (0)2845/202-265

Mit Stern (*) markierte Felder sind Pflichtfelder.

Kontakt

Vielen Dank für Ihre Nachricht!

Ihre Nachricht in ist unserem Service Center eingegangen und wird bearbeitet.
Unsere Abteilung für Service-Anfragen wird sich in Kürze mit Ihnen in Verbindung setzten.
Für allgemeine Fragen zu Produkten und Services erreichen Sie uns auch unter:
Tel.: +49 (0)2845 / 202-0 | Fax: +49 (0)2845/202-265

Kontakt

Wir sind für Sie da

Bitte spezifizieren Sie das Thema Ihrer Anfrage und Ihre Kontaktdaten.
Tel.: +49 (0)2845 / 202-0 | Fax: +49 (0)2845/202-265

Anhang (max. 10MB)

Mit Stern (*) markierte Felder sind Pflichtfelder.

Kontakt

Vielen Dank für Ihre Nachricht!

Ihre Nachricht in ist unserem Service Center eingegangen und wird bearbeitet.
Unsere Abteilung für Service-Anfragen wird sich in Kürze mit Ihnen in Verbindung setzten.
Für allgemeine Fragen zu Produkten und Services erreichen Sie uns auch unter:
Tel.: +49 (0)2845 / 202-0 | Fax: +49 (0)2845/202-265