JFZ mit Stellantrieb
JFZ mit Stellantrieb
JFZ mit Stellantrieb

JFZ 

Zur Lüftung und Entrauchung unterirdischer Verkehrsanlagen


Tunnelklappen sind speziell für unterirdische Verkehrsanlagen konstruierte Sicherheitsbauteile, die besonderen Anforderungen entsprechen

  • Zertifizierte Ausführung und Fertigung nach ISO 9001
  • Temperaturbeständigkeit bis 400 °C über 120 min
  • Ausführung Stahl verzinkt
  • Kompensation der Längenausdehnung und Dichtigkeit bei hohen Temperaturen durch federnde Dichtelemente aus Edelstahl
  • Lamellen gleichläufig oder gegenläufig gekuppelt
  • Betätigung über elektrische Antriebe inklusive wärmedämmender Schutzkapselung (optional)
  • Gehäuse-Leckluftstrom nach EN 1751, Klasse C
  • Geringe Druckdifferenz und Schallleistung
  • Einbaulage unabhängig von der Luftstromrichtung


Optionale Ausstattung und Zubehör

  • Einbaurahmen zur Montage
  • Unterkonstruktionen zur Montage als Wandklappen bei geteilter Ausführung

Allgemeine Informationen

Anwendung

  • Speziell für unterirdische Verkehrsanlagen konstruierte Sicherheitsbauteile
  • Zum Öffnen und Verschließen von Rauchabzugsöffnungen
  • Bestandteil der Lüftungs- und Entrauchungsanlagen in unterirdischen Verkehrsanlagen
  • Können als Ventilatorabsperrklappen verwendet werden


Klassifizierung

  • Prüfbericht Nr. 15/11160-2708 – Applus (Spain)
  • Gehäuse-Leckluftstrom gemäß EN 1751, Klasse C
  • Prüfbericht Nr. 210006732-02 – MPA NRW (Germany)
  • Dauerfunktionsprüfung: 10.000 Auf/Zu-Zyklen 


Ausführungen

Standardmaßreihe

  • B = 400 – 2000 mm
  • H = 345 – 1995 mm


Zwischenmaße

  • B- und H-Maße in jedem Millimeterschritt lieferbar
  • Große Abmessungen über Einheiten realisierbar, die aus mehreren Klappen und einer Unterkonstruktion bestehen


Optionale Ausstattung

  • Einbaurahmen
  • Unterkonstruktion
  • Klemmplatten


Zubehör

  • Antriebsmotor
  • Kapselung
  • Feststellvorrichtung


Besondere Merkmale

  • Geringe Druckdifferenz und Schallleistung
  • Strömungsgerechte Lamellen
  • Wartungsarme Konstruktion
  • Keine silikonhaltigen Bauteile
  • Leckluftstrom bei geschlossener Tunnelklappe und einer Druckdifferenz von 40 Pa = 200 m³/h pro m²
  • Fernbetätigt mit Stellantrieb (optional)


Bauteile und Eigenschaften

  • Rahmen
  • Lamelle
  • Stellantrieb
  • Außenliegendes Gestänge
  • Anschlagwinkel (auf den B-Seiten angeordnet)
  • Dichtblech (an den H-Seiten angeordnet)
  • Elektrischer Auf/Zu- oder Federrücklaufantrieb inklusive Endschalter 


Konstruktionsmerkmale

  • Rechteckiges geschweißtes Gehäuse, Materialdicke 1,25 mm
  • Lamellen, Materialdicke 1 mm, gegenläufig oder parallel gekuppelt
  • Beidseitig mit Flansch, für Luftleitungsprofile, mit Flanschlochung
  • Anordnung des Stellantriebs an der 2. Lamelle (größenunabhängig)
  • Außenliegendes, robustes und verschleißarmes Hebelgestänge, bestehend aus Kupplungsstange und Klemmhebeln
  • Klappenachsen, Ø12 mm, mit Kerbung zur Kennzeichnung der Klappenstellung
  • Tunnelklappe wird über einen Stellantrieb fernbetätigt, der zusätzlich je nach Anwendung durch eine wärmedämmende Kapselung geschützt wird
  • Seitliche Dichtbleche zur Abdichtung zwischen Lamellenfeld und H-Rahmenteil
  • Anschlagwinkel zur Abdichtung der Lamellen gegen das Gehäuse


Materialien und Oberflächen

  • Gehäuse, Lamellen und Anschlagwinkel aus profiliertem, verzinktem Stahlblech, Rahmenflansche beidseitig in den Ecken gelocht
  • Lagerachsen, Antriebshebel und außenliegendes Hebelgestänge aus Stahl verzinkt
  • Dichtblende aus Edelstahl
  • Lagerbuchsen aus Messing


Einbau und Inbetriebnahme

  • Einbaulage unabhängig von Luftstromrichtung
  • Mit waagerechten Lamellen
  • Zwischen Lüftungsleitungen
  • Verwindungsfrei einbauen
  • Inspektion, Reinigung und Instandsetzung der Bauteile muss im eingebautem Zustand gewährleistet sein
  • Revisionsöffnungen in den angeschlossenen Luftleitungen vorsehen 


Normen und Richtlinien

  • Bau- und Prüfgrundsätze, Fassung 2/84
  • Instandhaltungsnormen DIN 31051 und EN 13305


Instandhaltung

  • Tunnelklappen müssen ständig betriebsbereit und instand gehalten werden
  • Zur Bewahrung und gegebenenfalls zur Wiederherstellung des Sollzustands sind die Instandhaltungsnormen DIN 31051 und EN 13305 zu beachten
  • Tunnelklappen müssen mindestens einmal jährlich instand gehalten werden
  • Instandhaltung ist zu protokollieren; Dokumente sind aufzubewahren
  • Wartungsfrei, da aufgrund der Konstruktion und der verwendeten Materialien keine Abnutzung erfolgt

Technische Information

Funktion, Technische Daten, Schnellauslegung, Ausschreibungstext, Bestellschlüssel

  • Funktion
  • TECHNISCHE DATEN
  • SCHNELLAUSLEGUNG
  • AUSSCHREIBUNGSTEXT
  • BESTELLSCHLÜSSEL

Tunnelklappen mit Hebelgestänge sind gleich oder gegenläufig gekuppelt. Die synchrone Drehbewegung wird durch ein außenliegendes Hebelgestänge vom Antriebsgestänge auf die einzelnen Lamellen übertragen. Große Abmessungen lassen sich mit dem Hebelgestänge sicher öffnen und schließen. Gegenläufige Lamellen schließen aufgrund des Querlenkers mit unterschiedlichen Winkelgeschwindigkeiten. Dadurch sind die Schließeigenschaften besser, und der Leckluftstrom ist bei geschlossener Klappe gering.

Die Schnellauslegung gibt einen guten Überblick über die zu erwartenden Schallleistungspegel und Druckdifferenzen. Ungefähre Zwischenwerte können interpoliert werden.

Schnellauslegung Druckdifferenz und Schallleistungspegel JFZ bei Klappenstellung α

AUF/0°20°40°60°80°
v [m/s]Δpst [Pa]LWA [dB(A)]Δpst [Pa]LWA [dB(A)]Δpst [Pa]LWA [dB(A)]Δpst [Pa]LWA [dB(A)]Δpst [Pa]LWA [dB(A)]
0.5<5<30<5<30<5<30224425567
1<5<30<5<308388559101082
2<531<535285333574>2000>90
4<546105011068139589>2000>90
6<555225925077>2000>90>2000>90
8861406544083>2000>90>2000>90
101466607069088>2000>90>2000>90


Schallleistungspegel bei geschlossener Tunnelklappe JFZ nach Fläche B × H [m²]

0,140,20,40,60,81,224
Δpst [Pa]LWA [dB(A)]
1005758616364646871
2006365686971717578
5007172767879798587
100078808284858589>90
1500818286888989>90>90
2000848689>90>90>90>90>90

Speziell konstruiertes Sicherheitsbauteil. Die Tunnelklappe besteht im Wesentlichen aus einem Gehäuse, den beweglichen Absperrlamellen und dem Antriebsgestänge. Federnde Dichtelemente kompensieren die Längenausdehnung des Bauteils bei Temperaturen bis 400 °C über 120 min.


Besondere Merkmale

  • Geringe Druckdifferenz und Schallleistung
  • Strömungsgerechte Lamellen
  • Wartungsarme Konstruktion
  • Keine silikonhaltigen Bauteile
  • Leckluftstrom bei geschlossener Tunnelklappe und einer Druckdifferenz von 40 Pa = 200 m³/h pro m²
  • Fernbetätigt mit Stellantrieb (optional)


Materialien und Oberflächen

  • Gehäuse, Lamellen und Anschlagwinkel aus profiliertem, verzinktem Stahlblech, Rahmenflansche beidseitig in den Ecken gelocht
  • Lagerachsen, Antriebshebel und außenliegendes Hebelgestänge aus Stahl verzinkt
  • Dichtblende aus Edelstahl
  • Lagerbuchsen aus Messing


Ausführungen

Standardmaßreihe

  • B = 400 – 2000 mm
  • H = 345 – 1995 mm

Zwischenmaße

  • B- und H-Maße in jedem Millimeterschritt lieferbar
  • Große Abmessungen über Einheiten realisierbar, die aus mehreren Klappen und einer Unterkonstruktion bestehen

Optionale Ausstattung

  • Einbaurahmen
  • Unterkonstruktion
  • Klemmplatten


Technische Daten

  • Nenngrößen: 357 × 345 – 2000 × 1998 mm
  • Volumenstrombereich: 200 – 40.000 l/s oder 720 – 143.640 m³/h
  • Zulässiger statischer Differenzdruck: bis 3000 Pa
  • Betriebstemperatur: -20 – 150 °C im Normalbetrieb, 400 °C 120 min im Brandfall



Auslegungsdaten

  • qv [m³/h]
  • Δpst [Pa]

Strömungsgeräusch

  • LPA [dB(A)]

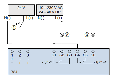
JFZSR / 1000×1200 / BE24 / P / NO
|||||||
1234567
1 Serie
JFZ Tunnel-/Industrieklappe
 
2 Funktionsweise
Keine Eintragung: gegenläufig
S gegenläufig
P gleichläufig
 
3 Anbindungsseite Gestänge
Keine Eintragung: rechts
L links
 
4 Nenngröße [mm]
B × H
 
5 Anbauteile
Keine Eintragung: ohne Stellantrieb
B24 Belimo BE24-12 (24 V AC/DC, 40 Nm)
B230 Belimo BE230-12 (230 V AC, 40 Nm)
R230-58 Rotork RCEL006 (230 V AC, 58 Nm)
R400-58 Rotork RCEL006 (400 V AC, 58 Nm)
R230-88 Rotork RCEL009 (230 V AC, 88 Nm)
R400-88 Rotork RCEL009 (400 V AC, 88 Nm)
BC24 Bemard SQ4 (24 V AC, 50 Nm)
BC230 Bemard SQ4 (230 V AC, 50 Nm)
Federrücklaufantrieb (Ruhestromprinzip)
B24MF Belimo EF24A-S2 (24 V AC/DC, 30 Nm)
B230MF Belimo EF230A-S2 (230 V AC, 30 Nm)
SIF Schischek InMax-50-SF-S9 (24 – 240 V AC/DC, 50 Nm)
LD Feststellvorrichtung
 
6 Temperaturbeständige Kapselung
Keine Eintragung: ohne
P Kapselung (für Belimo oder Schischek)
T Thermal bag (für Rotork und Bernard Antriebe)
 
7 Klappenstellung Sicherheitsfunktion nur bei Federrücklaufantrieb
NO stromlos AUF (Standard)
NC stromlos ZU


Bestellbeispiel: JFZ-S-L/1000×1500/B24

Funktionsweisegegenläufig
Anbindungsseite Gestängelinks
Nenngröße B × H1000 × 1500 mm
AnbauteileBelimo BE24-12

Varianten und Anbauteile, Abmessungen

  • VARIANTEN UND ANBAUTEILE
  • ABMESSUNGEN

Anbauteile

AUF/ZU-Stellantrieb BE24-12-ST TR

JFZ mit AUF/ZU-Stellantrieb 

  • AUF/ZU-Umschaltung von Tunnelklappen der Serie JFZ
  • Mit integrierten Endschaltern zur Endlagenerfassung
  • Betrieb der Tunnelklappe mit einem AUF/ZU-Stellantrieb ermöglicht die Fernbedienung und/oder die Auslösung durch geeignete Auslöseeinrichtungen
  • Umgebungstemperatur Normalbetrieb -30 – 50 °C
  • 2 integrierte Endschalter mit potentialfreien Kontakten ermöglichen die Klappenstellungsanzeige AUF und ZU


Einbauhinweise

  • Durchführung der elektrischen Anschlussleitung durch die Seitenwand der Antriebskapselung erfolgt durch passgenaue Bohrung
  • Eine Zugentlastung ist vorzusehen
  • Hinweise zur Wartung, Inspektion und Instandhaltung enthält die Montage- und Betriebsanleitung


AUF/ZU-Stellantrieb BE230-12 TR

JFZ mit AUF/ZU-Stellantrieb

  • AUF/ZU-Umschaltung von Tunnelklappen der Serie JFZ
  • Mit integrierten Endschaltern zur Endlagenerfassung
  • Betrieb der Tunnelklappe mit einem AUF/ZU-Stellantrieb ermöglicht die Fernbedienung und/oder die Auslösung durch geeignete Auslöseeinrichtungen
  • Umgebungstemperatur Normalbetrieb -30 – 50 °C
  • 2 integrierte Endschalter mit potentialfreien Kontakten ermöglichen die Klappenstellungsanzeige AUF und ZU

 

Einbauhinweise

  • Durchführung der elektrischen Anschlussleitung durch die Seitenwand der Antriebskapselung erfolgt durch passgenaue Bohrung
  • Eine Zugentlastung ist vorzusehen
  • Hinweise zur Wartung, Inspektion und Instandhaltung


Federrücklaufantrieb EF24A-S2

JFZ mit Federrücklaufantrieb

  • Betrieb der Tunnelklappe mit einem Federrücklaufantrieb ermöglicht die Fernbedienung und/oder die Auslösung durch geeignete Auslöseeinrichtungen
  • Federrücklaufantrieb 24 V zur Auf/Zu-Umschaltung
  • Umgebungstemperatur Normalbetrieb -30 – 50°C
  • 2 integrierte Endschalter mit potentialfreien Kontakten ermöglichen die Klappenstellungsanzeige AUF und ZU

 
Sicherheitsfunktion

  • NO: stromlos AUF
  • NC: stromlos ZU

 

Bauteile und Eigenschaften

  • Versorgungsspannung 24 V AC/DC
  • 1-Draht-Steuerung (2-Punkt)
  • Mechanische Anschläge
  • Wirksinn der Drehrichtung einstellbar
  • Handkurbel zur Handbetätigung


Federrücklaufantrieb EF230A-S2

JFZ mit Federrücklaufantrieb

  • Betrieb der Tunnelklappe mit einem Federrücklaufantrieb ermöglicht die Fernbedienung und/oder die Auslösung durch geeignete Auslöseeinrichtungen
  • Federrücklaufantrieb EF230A-S2
  • Federrücklaufantrieb 230 V zur Auf-Zu-Umschaltung
  • Umgebungstemperatur Normalbetrieb -30 – 50 °C
  • 2 integrierte Endschalter mit potentialfreien Kontakten ermöglichen die Klappenstellungsanzeige AUF und ZU

 

Sicherheitsfunktion

  • NO: stromlos AUF
  • NC: stromlos ZU

 


Bauteile und Eigenschaften

  • Versorgungsspannung 100 – 240 V AC
  • 1-Draht-Steuerung (2-Punkt)
  • Mechanische Anschläge
  • Wirksinn der Drehrichtung einstellbar

Einbaudetails

  • EINBAUDETAILS

Breitengeteilt, Breite

B₁B
2550

1200

2950

1400

3350

1600

3750

1800

4150

2000



Höhengeteilt, Höhe

H₁H
2086

1005

2416

1170

2746

1335

3076

1500

3406

1665

3736

1830

4066

1995

Downloads

Produktinfos

Betriebsanleitungen

production {"x-frame-options"=>"SAMEORIGIN", "x-xss-protection"=>"0", "x-content-type-options"=>"nosniff", "x-permitted-cross-domain-policies"=>"none", "referrer-policy"=>"strict-origin-when-cross-origin", "strict-transport-security"=>"max-age=31536000; includeSubDomains", "content-type"=>"text/html; charset=utf-8", "link"=>"</assets/application-efbc495b06ca980ef13dc743756002fce2f413f798fecb64c7f0c81954c16402.css>; rel=preload; as=style; nopush,</assets/print-fec2e47d6d8dcc5d4c101139f17046ba981ca1c12f71e7e403fba50cc7584175.css>; rel=preload; as=style; nopush,</assets/other_js/modernizr.custom.93544-c26374a79d804901074bb4aa6fd3fa44ea22e840389915d2adce16b024021ef3.js>; rel=preload; as=script; nopush,</assets/other_js/js.cookie.min-de103d86d1919b40950f791699b4ce768137fde41af09b35ff92bde369732183.js>; rel=preload; as=script; nopush,</assets/other_js/jquery-3.5.1-2c4ce18a1a3f144c333912efc24a76c9a165a0dba9f88a499985df1af0a196a2.js>; rel=preload; as=script; nopush"}

Seite teilen

Diese Seite weiterempfehlen

Hier haben Sie die Möglichkeit diese Seite als Link weiter zu empfehlen.

Mit Stern (*) markierte Felder sind Pflichtfelder.

Kontakt

Vielen dank für Ihre Nachricht!

Ihre Empfehlung wurde verschickt und sollte jeden Moment beim Empfänger eingehen.

Kontakt

Wir sind für Sie da

Bitte spezifizieren Sie das Thema Ihrer Anfrage und Ihre Kontaktdaten.
Tel.: +49 (0)2845 / 202-0 | Fax: +49 (0)2845/202-265

Anhang (max. 10MB)

Mit Stern (*) markierte Felder sind Pflichtfelder.

Kontakt

Vielen Dank für Ihre Nachricht!

Ihre Nachricht in ist unserem Service Center eingegangen und wird bearbeitet.
Unsere Abteilung für Service-Anfragen wird sich in Kürze mit Ihnen in Verbindung setzten.
Für allgemeine Fragen zu Produkten und Services erreichen Sie uns auch unter:
Tel.: +49 (0)2845 / 202-0 | Fax: +49 (0)2845/202-265

Kontakt

Wir sind für Sie da

Bitte spezifizieren Sie das Thema Ihrer Anfrage und Ihre Kontaktdaten.
Tel.: +49 (0)2845 / 202-0 | Fax: +49 (0)2845/202-265

Anhang (max. 10MB)

Mit Stern (*) markierte Felder sind Pflichtfelder.

Kontakt

Vielen Dank für Ihre Nachricht!

Ihre Nachricht in ist unserem Service Center eingegangen und wird bearbeitet.
Unsere Abteilung für Service-Anfragen wird sich in Kürze mit Ihnen in Verbindung setzten.
Für allgemeine Fragen zu Produkten und Services erreichen Sie uns auch unter:
Tel.: +49 (0)2845 / 202-0 | Fax: +49 (0)2845/202-265