GLB1811E_KN_img_01psd.png

GLB1811E_KN_img_01psd.png

LK0 - VOLUMENSTROM SIEMENS GLB MIT KNX

Mit digitaler Busschnittstelle KNX

Kompakte Baueinheit für VVS-Regelgeräte TVR, TVJ, TVT, TZ-Silenzio, TA-Silenzio, TVZ, TVA, TVM

  • Regler, dynamischer Wirkdrucktransmitter und Stellantrieb in einem Gehäuse

  • Einsatz in raumlufttechnischen Anlagen, nur bei sauberer Luft

  • Volumenströme qvmin und qvmax werkseitig voreingestellt und im Regler als veränderliche Parameter gespeichert

  • Hohe Datentransparenz durch Buskommunikation

  • Kommunikationsschnittstelle KNX (S-Mode, LTE-Mode und PL-Link)

  • Sollwertvorgaben, Zwangssteuerungen, Parameteranpassung über Buskommunikation

  • Servicezugang für Handeinstellgeräte und PC-Konfigurationssoftware

Allgemeine Informationen

Anwendung

  • Regelungstechnische Kompletteinheit für VVS-Regelgeräte

  • Dynamischer Differenzdrucktransmitter, Reglerelektronik und Stellantrieb in einem Gehäuse vereinigt

  • Unterschiedliche Regelaufgaben durch entsprechende Sollwertvorgabe

  • Sollwertvorgabe und Zwangssteuerungen durch Netzwerkkommunikation mit einem übergeordneten System

  • Unterstützt Optimierungsfunktionalitäten der Gebäudeleittechnik via Netzwerkkommunikation

  • Istwert Volumenstrom steht als Netzwerkdatenpunkt zur Verfügung

  • Istwert Klappenstellung steht als Netzwerkdatenpunkt zur Verfügung

  • Die übliche Filterung in Komfortklimaanlagen ermöglicht den Reglereinsatz in der Zuluft ohne zusätzliche Staubschutzmaßnahmen 


Bei starkem Staubanfall in den Räumen

  • Entsprechende Abluftfilter vorschalten, da zur Volumenstrommessung ein Teilvolumenstrom durch den Transmitter geleitet wird


Bei Verschmutzung der Luft mit Flusen, klebrigen Bestandteilen oder Beladung mit aggressiven Medien

  • Anbaugruppe mit statischem Differenzdrucktransmitter verwenden


Regelkonzept

  • Volumenstromregler arbeitet kanaldruckunabhängig

  • Druckschwankungen bewirken keine bleibenden Volumenstromabweichungen

  • Eine Totzone (Hysterese), innerhalb der die Stellklappe nicht bewegt wird, sorgt für stabile Regelung

  • Volumenstrombereich werkseitig im Regler parametriert
    • qvmin: minimaler Volumenstrom
    • qvmax: maximaler Volumenstrom

  • Betriebsparameter werden per Bestellschlüssel festgelegt und werkseitig parametriert


Betriebsparameter

  • qvmin = 0 – 100 % vom Nennvolumenstrom qvNenn einstellbar

  • qvmax = 20 – 100 % vom Nennvolumenstrom qvNenn einstellbar

  • Für spezielle Anwendungen können bauseits von den Werkseinstellungen abweichende Einstellbereiche genutzt werden. Hierzu ist die Siemens-Dokumentation des GLB181.1E/KN zu konsultieren


Betriebsarten

  • Variabler Betrieb (V): Sollwertvorgabe über digitale Busschnittstelle KNX

  • Festwertbetrieb: durch Vorgabe bzw. Einstellung eines konstanten Sollwerts


Systemumgebungen

  • Gebäudeautomatisierung mit Siemens Peripheriebus PL-Link (Desigo Total Room Automation)

  • Gebäudeautomatisierung mit KNX LTE-Mode (Siemens Synco 700 ab Serie C)

  • Gebäudeautomatisierung mit KNX S-Mode (Integration von Drittanbietern und freie Programmierbarkeit) 

  • Unterstützung ETS-Geräteprofile v1.x und v2.x


Bauteile und Eigenschaften

  • Transmitter nach dynamischem Messprinzip

  • Überlastsicherer Antrieb

  • Entriegelungstaste zur Handbetätigung 

  • 2 getrennte Anschlussleitungen (Versorgung, Kommunikation) jeweils 2 Adern

  • Serviceschnittstelle zum Anschluss von Servicetools

  • LED-Statusanzeige für Betriebsspannungs und einfacher Fehleranzeige

  • Drucktaster für Auslösung Testfunktionen und Aktivierung Programmiermodus

  • Abziehbarer Adressierungsaufkleber mit eindeutiger KNX-ID in alphanumerischer und Barcode-Darstellung

  • KNX-zertifizierter Compactregler kann mit allen applikationsmäßig geeigneten KNX-Geräten verbunden werden, sofern entsprechende Datenpunkte zur Verfügung stehen





Betriebsparameter

  • qvmin = 0 – 100 % vom Nennvolumenstrom qvNenn einstellbar

  • qvmax = 20 – 100 % vom Nennvolumenstrom qvNenn einstellbar

  • Für spezielle Anwendungen können bauseits von den Werkseinstellungen abweichende Einstellbereiche genutzt werden. Hierzu ist die Siemens-Dokumentation des GLB181.1E/KN zu konsultieren

Technische Information

Funktion, Ausschreibungstext, Bestellschlüssel

  • Funktion
  • AUSSCHREIBUNGSTEXT
  • BESTELLSCHLÜSSEL
Funktionsprinzip

① Differenzdrucktransmitter
② Stellantrieb
③ Volumenstromregler
④ Sollwertvorgabe über KNX-Kommunikationsschnittstelle

Charakteristisch für Volumenstromregelgeräte ist ein geschlossener Regelkreis zur Regelung des Volumenstroms, das heißt Messen – Vergleichen – Stellen. Die Messung des Volumenstroms erfolgt durch Messung eines Differenzdrucks (Wirkdrucks). Dies geschieht über einen Differenzdrucksensor. Ein integrierter Differenzdrucktransmitter setzt dabei Wirkdruck in ein Spannungssignal um. Der Volumenstromistwert steht als Netzwerkdatenpunkt zur Verfügung. Durch die werkseitige Justage entsprechen 100 % immer dem Nennvolumenstrom (qvNenn). Der Volumenstromsollwert wird von einem übergeordneten Regler (z. B. Raumtemperaturregler, Luftqualitätsregler, Gebäudeleittechnik) vorgegeben. Die variable Volumenstromregelung erfolgt zwischen qvmin und qvmax. Die Übersteuerung der Raumtemperaturregelung durch Zwangsschaltungen, beispielsweise Absperrung, ist möglich. Der Regler vergleicht den Volumenstromsollwert mit dem aktuellen Istwert und steuert der Regelabweichung entsprechend den internen Stellantrieb.
 

Kategorie

  • Compactregler für Volumenstrom


Regelkonzept

  • Volumenstromregler arbeitet kanaldruckunabhängig
  • Druckschwankungen bewirken keine bleibenden Volumenstromabweichungen
  • Eine Totzone (Hysterese), innerhalb der die Stellklappe nicht bewegt wird, sorgt für stabile Regelung
  • Volumenstrombereich werkseitig im Regler parametriert
    • qvmin: minimaler Volumenstrom
    • qvmax: maximaler Volumenstrom
  • Betriebsparameter werden per Bestellschlüssel festgelegt und werkseitig parametriert



Schnittstelle

  • Digitale Buskommunikation mit KNX 
  • Ausführung KNX-TP, galvanisch getrennt
  • Kommunikationsschnittstelle KNX (S-Mode und LTE-Mode)
  • Kommunikationsschnittstelle KNX PL-Link (Siemens Peripheriebus)
  • Gruppenobjekte für Sollwertvorgabe, Zwangssteuerung, Istwert Volumenstrom und Klappenstellung sowie Status



Inbetriebnahme

  • Aufgrund der werkseitig eingestellten Betriebswerte ist stets darauf zu achten, dass der Einbau der Regelgeräte nur an den vorgesehenen Stellen erfolgt
  • Für die Inbetriebnahme werden grundlegende Kenntnisse mit den erforderlichen Projektierungs- und Inbetriebnahmetools vorausgesetzt


Auslegungsdaten

  • qᵥ _______________________ [m³ /h]
  • Δpst _______________________ [Pa]

Strömungsgeräusch

  • LPA _______________________ [dB(A)]

Abstrahlgeräusch

  • LPA _______________________ [dB(A)]

TVRD / 100 / D2 / LK0 / V / qvminqvmaxm³/h
||||||||
1256781011
1 Serie
TVR VVS-Regelgerät
 
2 Dämmschale
Keine Eintragung: ohne
D mit Dämmschale
 
3 Material
Verzinktes Stahlblech (Grundausführung)
P1 Oberfläche pulverbeschichtet RAL 7001, silbergrau
A2 Edelstahlausführung
 
5 Nenngröße [mm]
100, 125, 160, 200, 250, 315, 400
 
6 Zubehör
Keine Eintragung: ohne
D2 Doppellippendichtung beidseitig
G2 Gegenflansch beidseitig


7 Anbauteile (Regelkomponente)
LK0 Compactregler, dynamischer Transmitter, KNX-Schnittstelle
 
8 Betriebsart
V variabel (Sollwertbereich)
 
 
 
10 Betriebswerte zur werkseitigen Einstellung
Volumenströme in m³/h oder l/s
qvmin 
qvmax 
 
11 Volumenstromeinheit
m³/h
l/s


Bestellbeispiel: TVT/200×100/D2/LK0/V/200-800 m³/h

Dämmschaleohne
Materialverzinktes Stahlblech
Nenngröße200 × 100 mm
ZubehörDoppellippendichtung beidseitig
AnbauteilCompactregler, dynamischer Transmitter, KNX-Schnittstelle
BetriebsartV variabler Betrieb
Volumenstrom200 – 800 m³/h

 

Varianten

  • Varianten
Compactregler GLB181.1E/KN

① Drehwinkelbegrenzer
② Achsklemmvorrichtung
③ Stellungsanzeige
④ Kontrollleuchte
⑤ Taster
⑥ Servicebuchse
⑦ Ausrastung Getriebe (seitlich)
⑧ Schlauchanschlüsse Differenzdrucksensor
⑨ Anschlussleitung


Technische Daten, Produktdetails

  • TECHNISCHE DATEN, PRODUKTDETAILS

Compactregler für VVS-Regelgeräte

VVS-Regelgeräte

Typ

Artikelnummer

TVR, TVJ, TVT, TZ-Silenzio, TVZ, TVAGLB181.1E/KNA00000043586
TVM2 × GLB181.1E/KNA00000043586

 


 

Messprinzip/Einbaulage

dynamisches Messprinzip, lageunabhängig

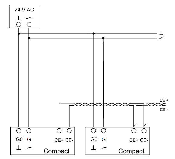
Betriebsspannung/Frequenz24 V AC ± 20 %, 50/60 Hz

SELV (Safety Extra Low Voltage) or PELV (Protection by Extra Low Voltage)

Funktionsbereich

19,2 V – 28,8 V AC
Leistungsbedarf (Betrieb)3 VA/2,5 W
Eigenbedarf (Ruhe-/Haltezustand)1 VA/0,5 W
Drehmoment10 Nm
Laufzeit für 90°125 s (60 Hz) – 150 s (50 Hz)
BusschnittstelleKNX, TP1-256 (elektrisch isoliert), Busstromaufnahme 5 mA
Adressierungz. B. bauseitige Zuordnung von physikalischen Adressen zu den eineindeutigen KNX-IDs auf den Compactreglern mit Hilfe von Inbetriebnahmetools
Sollwert-/Istwertschnittstellevia KNX-Gruppenobjekte
Anschlüsse (Versorgung/Kommunikation)2 connecting cables supply/communication separated

jeweils ca. 0,9 m 2-adrig 2 × 0,75 mm²
Schutzklasse IEC/ENIII (Schutzkleinspannung)
Schutzart

IP 54

EMV

EMV nach 2014/30/EU
Gewicht0.6 kg



Produktdetails

Busbetrieb

  • Für den reibungslosen Datenaustausch im bauseitigen Busnetzwerk ist eine Netzwerkinbetriebnahme erforderlich

  • Siehe auch Abschnitt Inbetriebnahme sowie Projektierungs- und Inbetriebnahmetools

 


Sollwertvorgabe


  • Die Sollwertvorgabe erfolgt ausschließlich über die KNX-Gruppenobjekte als Prozentwert

  • Der übergebene Prozentwert bezieht sich auf den durch qvmin – qvmax festgelegten Volumenstrombereich

  • Sind qvmin = 0 und qvmax = qvNenn eingestellt, so steht der gesamte Volumenstromarbeitsbereich des VVS-Regelgerätes für das ansteuernde Gebäudeautomatisierungssystem zur Verfügung. Der von der Serie abhängige, regelbare Bereich des VVS-Regelgerätes ist bei der Ansteuerung zu beachten

  • Volumenstrombereich qvmin – qvmax werkseitig entsprechend Bestellschlüsselangaben voreingestellt

  • Nachträgliche Anpassung von qvmin bzw. qvmax über Servicetool AST20 oder über das bauseitige Netzwerk möglich

  • Durch die Vorgabe eines konstanten Sollwerts arbeitet der Compactregler als Konstantvolumenstromregler

 

Istwert als Feedback für Überwachung oder Folgeregelung

  • Der Volumenstromistwert steht als Wert in m³/h und als Prozentwert auf dem Busanschluss zur Verfügung. Der Wertebereich 0 – 100 % entspricht dabei dem Volumenstrombereich 0 – qvnenn

  • Neben dem Volumenstromistwert kann über einen weiteren Datenpunkt die aktuelle Klappenposition ausgelesen werden

 


Zwangssteuerung

Für besondere Betriebssituationen kann der Volumenstromregler in einen speziellen Betriebszustand (Zwangssteuerung) gebracht 
werden. Möglich sind: Regelklappe in Offenstellung (OFFEN) oder Regelklappe geschlossen (ZU).
Die Aktivierung erfolgt über spezielle Einstell- und Vorgabewerte:

  • Offenstellung: qvmax = 100 % und Sollwert = 100 % setzen

  • Regelklappe geschlossen: qvmin < 0 % und Sollwert = 100 % setzen

 


Zwangssteuerung für Diagnosezwecke
Aktivierung über Bussytem, AST20 oder PC-Software. 


 


 

Inbetriebnahme
Es ist eine Konfiguration der Kommunikationsschnittstelle erforderlich. Dazu ist auf dem Reglergehäuse ein abziehbarer Adressaufkleber mit der eindeutigen KNX-ID in alphanumerischer und Barcodedarstellung aufgeklebt. Für die Inbetriebnahme werden grundlegende Kenntnisse mit den Projektierungs- und Inbetriebnahmetool vorausgesetzt. Gegebenenfalls sind weitere Kommunikationsparameter einzustellen.


 


Projektierungs- und Inbetriebnahmetool

Schnittstellenmodus Projektierungs- und Inbetriebnahmetool
KNX S-ModeKNX Association ETS4, ETS5,
KNX LTE-ModeSiemens Synco ACS790
Siemens Peripheriebus PL-LinkSiemens Desigo ABT, SSA

 


Ergänzende Herstellerdokumentation

  • Datenblatt (N3547) VAV-Kompaktregler KNX PL-Link

  • Ergänzende Herstellerdokumentation mit weiteren Informationen zu dieser Regelkomponente ist im Siemens HIT Portal zu finden. Siehe https://hit.sbt.siemens.com/ – Produktsuche nach GLB181.E/KN

  • Technische Grundlagen (P3547) als ausführliche Basisdokumentation zum Regler

  • Montageanleitung (M3547)

Downloads

Produktinfos

Zertifikate

production {"x-frame-options"=>"SAMEORIGIN", "x-xss-protection"=>"1; mode=block", "x-content-type-options"=>"nosniff", "x-download-options"=>"noopen", "x-permitted-cross-domain-policies"=>"none", "referrer-policy"=>"strict-origin-when-cross-origin", "strict-transport-security"=>"max-age=31536000; includeSubDomains", "content-type"=>"text/html; charset=utf-8"}

Seite teilen

Diese Seite weiterempfehlen

Hier haben Sie die Möglichkeit diese Seite als Link weiter zu empfehlen.

Mit Stern (*) markierte Felder sind Pflichtfelder.

Kontakt

Vielen dank für Ihre Nachricht!

Ihre Empfehlung wurde verschickt und sollte jeden Moment beim Empfänger eingehen.

Kontakt

Wir sind für Sie da

Bitte spezifizieren Sie das Thema Ihrer Anfrage und Ihre Kontaktdaten.
Tel.: +49 (0)2845 / 202-0 | Fax: +49 (0)2845/202-265

Mit Stern (*) markierte Felder sind Pflichtfelder.

Kontakt

Vielen Dank für Ihre Nachricht!

Ihre Nachricht in ist unserem Service Center eingegangen und wird bearbeitet.
Unsere Abteilung für Service-Anfragen wird sich in Kürze mit Ihnen in Verbindung setzten.
Für allgemeine Fragen zu Produkten und Services erreichen Sie uns auch unter:
Tel.: +49 (0)2845 / 202-0 | Fax: +49 (0)2845/202-265

Kontakt

Wir sind für Sie da

Bitte spezifizieren Sie das Thema Ihrer Anfrage und Ihre Kontaktdaten.
Tel.: +49 (0)2845 / 202-0 | Fax: +49 (0)2845/202-265

Anhang (max. 10MB)

Mit Stern (*) markierte Felder sind Pflichtfelder.

Kontakt

Vielen Dank für Ihre Nachricht!

Ihre Nachricht in ist unserem Service Center eingegangen und wird bearbeitet.
Unsere Abteilung für Service-Anfragen wird sich in Kürze mit Ihnen in Verbindung setzten.
Für allgemeine Fragen zu Produkten und Services erreichen Sie uns auch unter:
Tel.: +49 (0)2845 / 202-0 | Fax: +49 (0)2845/202-265