XF0_gc_05svg.png

Kanaldruckregelung – statischer Transmitter

XF0_gc_05svg.png

XF0 - KANALDRUCK

Regelkomponente für VVS-Regelgerät zur Kanaldruckregelung

Kompakte Baueinheit für VVS-Regelgeräte


  • Regler, statischer Differenzdrucktransmitter und Stellantrieb in einem Gehäuse
  • Kanaldruckregelung in raumlufttechnischen Anlagen bis 550 Pa,
    z. B. Strangdruckregulierung
  • Geeignet für saubere und verschmutzte Luft
  • Festwertregelung Pmin oder variable Regelung Pmin – Pmax
  • Betriebsparameter Pmin und Pmax werkseitig parametriert und im Regler gespeichert
  • Aktivierung von Zwangssteuerungen durch externe Schaltkontakte
  • Änderung von Betriebsparametern über Einstellgeräte
  • Servicezugang für Handeinstellgeräte und PC-Konfigurationssoftware

 

Allgemeine Informationen

Anwendung

  • Regelungstechnische Kompletteinheiten für Kanaldruckregelung
  • Statischer Differenzdrucktransmitter, Reglerelektronik und Stellantrieb in einem Gehäuse vereinigt
  • Einbindung in die Gebäudeleittechnik oder Standalone-Betrieb
  • Variable Kanaldruckregelung durch Vorgabe von Sollwerten über Analogsignal seitens der Gebäudeleittechnik
  • Festwertregelung für konstanten Kanaldruck ohne zusätzliche Ansteuerung durch einparametrierten Betriebswert
  • Zwangssteuerungen für die Aktivierung von Absperrung, Offenstellung, Regelungsstopp über Schaltkontakte bzw. Relais möglich
  • Druck-Istwert steht als lineares Spannungssignal zur Verfügung


Regelkonzept

  • Kanaldruckschwankungen werden ausgeregelt
  • Eine Totzone (Hysterese), innerhalb der die Stellklappe nicht bewegt wird, sorgt für stabile Regelung
  • Pmin: gewählter Betriebswert kleinster Kanaldruck bzw. Festwert
  • Pmax: gewählter Betriebswert größter Kanaldruck
  • Betriebsparameter werden per Bestellschlüssel festgelegt und werkseitig parametriert


Betriebsarten

  • Variabel oder Festwert


Variabler Betrieb (V)



  • Sollwertvorgabe über Analogschnittstelle
  • Signalspannungsbereich entspricht Pmin bis Pmax


Festwert-Betrieb (F)



  • Kein Sollwertsignal erforderlich
  • Sollwert entspricht Pmin


Schnittstelle

Analogschnittstelle mit einstellbarem Signalspannungsbereich



  • Analogsignal für Druck-Sollwert
  • Analogsignal für Druck-Istwert


Signalspannungsbereich

  • 0 – 10 V DC
  • 2 – 10 V DC


Betriebsparameter

  • Den regelbaren Kanaldruckbereich von 25 – 550 Pa beachten
  • Bezugspunkt des Ausgangssignals: Nenndruck 600 Pa


Bauteile und Eigenschaften

  • Transmitter nach statischem Messprinzip
  • Überlastsicherer Antrieb
  • Entriegelungstaste zur Handbetätigung
  • Anschlussklemmen mit Abdeckung
  • Serviceschnittstelle
  • Kanaldruckentnahme-Set mit Kanaldruckentnahme-Nippel und Messschlauch im Lieferumfang enthalten


Hinweis:
Differenzdrucksensoren bzw. Druckanschlüsse des Regelgerätes sind bei diesem Anbauteil je nach Variante z. B. Dämmschale nicht zugänglich.


Ausführung

Typ 227P-024-15-DS6 für Regelgeräte der Serien



  • TVR, TVJ, TZ-Silenzio, TA-Silenzio, TVZ, TVA, TVRK
  • TVT bis 1000 × 500


Inbetriebnahme

  • Aufgrund der werkseitig eingestellten Kanaldrücke ist stets darauf zu achten, dass der Einbau der Regelgeräte nur an den vorgesehenen Stellen erfolgt
  • Regelgerät einbauen und Regelkomponente verdrahten
  • Kanaldruck-Entnahmestelle einbauen und mit Regelkomponente verschlauchen
  • Anschließend ist der Regler betriebsbereit
  • Betriebsparameter lassen sich kundenseitig per Einstellgerät anpassen


Ergänzende Produkte

  • Einstellgerät Typ GUIV-A  (Bestellschlüssel AT-VAV-G)
    für Typ 227P-024-15-DS6

Technische Information

Funktion, Ausschreibungstext, Bestellschlüssel

  • Funktion
  • AUSSCHREIBUNGSTEXT
  • BESTELLSCHLÜSSEL
Funktionsprinzip für Typ 227P-024-15-DS6 XF0_gc_01ai.png

① Differenzdrucktransmitter
② Stellantrieb
③ Differenzdruckregler
④ Sollwertsignal oder einprogrammierter Festwert
⑤ Kanaldruckentnahmestelle
⑥ Differenzdrucksensor des VVS-Regelgerätes (ungenutzt, je nach Serie und Variante möglicherweise nicht zugänglich oder nicht vorhanden)
p) Anschluss Differenzdruck am Transmitter der Regelkomponente, je nach Einbausituation (Zuluft/Abluft):

  • Eine Anschlussseite für Kanaldruckerfassung – siehe ⑤
  • Andere Anschlussseite an druckstabile Referenzmessstelle anschließen

Ein statischer Differenzdrucktransmitter wandelt den Differenzdruck in ein Spannungssignal um. Der Differenzdruck-Istwert steht als Spannungssignal zur Verfügung. Durch die werkseitige Justage entsprechen 10 V DC immer dem Nenndifferenzdruck (Δp Nenn). Der Differenzdruck-Sollwert ist konstant oder wird vom Sollwertgeber oder durch Schaltkontakte vorgegeben. Der Regler vergleicht den Differenzdruck-Sollwert mit dem aktuellen Istwert und steuert der Regelabweichung entsprechend den Stellantrieb. Differenzdruckparameter und Signalspannungsbereich sind in der Regelkomponente gespeichert. Kundenseitige Änderungen lassen sich mit einem Einstellgerät oder einem Notebook mit Service-Tool leicht durchführen.

Kategorie

  • Compactregler für Kanaldruck
  • Regelung eines konstanten oder variablen Kanaldruck-Sollwerts
  • Elektronischer Regler zur Aufschaltung einer Führungsgröße und Abgriff eines Istwertsignals
  • Istwertsignal auf Nenndruck bezogen, dadurch vereinfachte Inbetriebnahme und nachträgliche Verstellung
  • Standalone-Betrieb oder Einbindung in die Gebäudeleittechnik


Anwendung

  • Statischer Transmitter für Kanaldruckregelung in raumlufttechnischen Anlagen

  • Regelbereich 25 – 550 Pa


Versorgungsspannung

  • 24 V AC/DC



Stellantrieb

  • Integriert; langsamlaufend (Laufzeit 150 s für 90°)


Einbaulage

  • Beliebig


Schnittstelle/Ansteuerung

  • Analogsignale (0 – 10 V bzw. 2 – 10 V DC)


Anschluss

  • Anschlussleitung mit 4 Adern


Schnittstelleninformation

  • Analog
  • Kanaldruck Soll- und Istwert

 


Sonderfunktionen

  • Aktivierung Pmin, Pmax, Geschlossen, Offen, Regelungs-Stopp durch externe Schaltkontakte/Beschaltung


Parametrierung

  • Betriebsparameter Pmin, Pmax werkseitig parametriert
  • Signalkennlinie werkseitig parametriert
  • Nachträgliche Anpassung durch optionale Tools:
    Einstellgerät, PC-Software (jeweils kabelgebunden)


Auslieferungszustand

  • Elektronischer Regler werkseitig auf Regelgerät montiert
  • Werkseitige Parametrierung; mit Aufkleber bescheinigt
  • Kanaldruckentnahme-Set mit Kanaldruckentnahme-Nippel und Messschlauch im Lieferumfang enthalten

TVRD / 200 / D2 / XF0 / PDS / V / PminPmax
||||||||
125678911
1 Serie
TVR VVS-Regelgerät
 
2 Dämmschale

Keine Eintragung: ohne
D mit Dämmschale
 
3 Material
Verzinktes Stahlblech (Grundausführung)
P1 Oberfläche Pulverbeschichtet RAL 7001, silbergrau
A2 Edelstahlausführung
 
5 Nenngröße [mm]
100, 125 , 160, 200, 250
 
6 Zubehör
Keine Eintragung: ohne
D2 Doppellippendichtung beidseitig
G2 Gegenflansch beidseitig


 
7 Anbauteile (Regelkomponente)
XF0 Compactregler dynamischer Transmitter
 
8 Gerätefunktion/Einbauort
PDS Kanaldruckregelung Zuluft
PDE Kanaldruckregelung Abluft
 
9 Betriebsart
F Festwert (ein Sollwert)
V variabel (Sollwertbereich)
 
10 Signalspannungsbereich
0 0 – 10 V DC
2 2 – 10 V DC
 
11 Betriebswerte zur werkseitigen Einstellung
Kanaldruck in Pa
Pkonst (nur bei Betriebsart F)
Pvmin (nur bei Betriebsart V)
Pvmax (nur bei Betriebsart V)
 


Bestellbeispiel: TVR/100/D2/XF0/PDS/V0/300-500 Pa

Dämmschaleohne
Materialverzinktes Stahlblech
Nenngröße100 mm
ZubehörDoppellippendichtung beidseitig
AnbauteilCompactregler Kanaldruck
Gerätefunktion/EinbauortKanaldruckregelung Zuluft
Betriebsartvariabler Betrieb – Signalspannungsbereich 0 – 10 V DC
Betriebswert300 – 500 Pa

 

Varianten, Produktdetails

  • VARIANTEN
  • PRODUKTDETAILS


Analogschnittstelle 0 – 10 V bzw. 2 – 10 V DC (Betriebsart V, F)

Die Analogschnittstelle kann für den Signalspannungsbereich 0 – 10 V DC oder 2 – 10 V DC eingestellt werden. Die Zuordnung von Kanaldruck-Sollwert bzw. -Istwert zu Spannungssignalen ist in den Kennliniendarstellungen abgebildet.

  • Eingestellter Signalspannungsbereich gilt immer gleichermaßen für Sollwert- und Istwertsignale 
  • Signalspannungsbereich werkseitig entsprechend Bestellschlüsselangaben voreingestellt
  • Signalspannungsbereich bauseits mit Einstellgerät anpassbar


Sollwertvorgabe

Variabler Betrieb

  • In der Betriebsart V (variabler Betrieb) erfolgt die Sollwertvorgabe mit einem Analogsignal an der Klemme Y 
  • Gewählter Signalspannungsbereich 0 – 10 V bzw. 2 – 10 V DC wird eingestelltem Druckbereich Pmin – Pmax zugeordnet
  • Betriebswerte Pmin – Pmax werkseitig entsprechend Bestellschlüsselangaben voreingestellt
  • Nachträgliche Anpassung von Pmin bzw. Pmax mit Einstellgerät möglich


Festwertbetrieb

In der Betriebsart F (Festwertbetrieb) ist kein Analogsignal an der Klemme Y erforderlich 
Es wird der durch Pmin eingestellte Kanaldruck-Festwert geregelt.
Betriebswert Pmin werkseitig entsprechend Bestellschlüsselangabe voreingestellt
Nachträgliche Anpassung von Pmin mit Einstellgerät möglich 

Istwert als Feedback für Überwachung oder Folgeregelung

  • An der Klemme U kann der vom Regler gemessene Kanaldruck als Spannungssignal abgegriffen werden
  • Gewählter Signalspannungsbereich 0 – 10 V DC bzw. 2 – 10 V DC wird auf den Druckbereich 0 – PNenn abgebildet
  • Bezugspunkt PNenn = 600 Pa

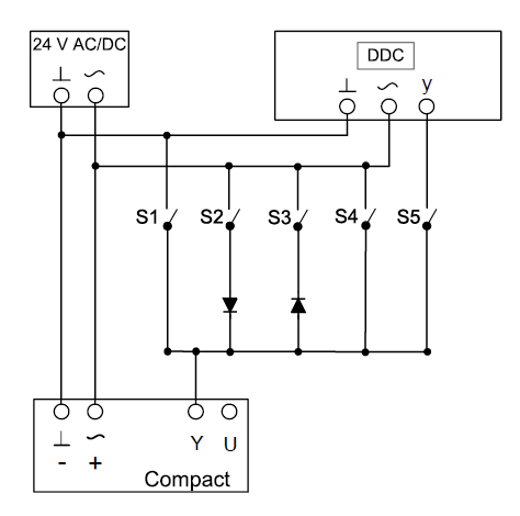
Zwangssteuerung

Für besondere Betriebssituationen kann der Kanaldruckregler in einen speziellen Betriebszustand (Zwangssteuerung) gebracht werden. Möglich sind: Regelung Pmin, Regelung Pmax, Regelklappe in Offenstellung (OFFEN), Regelklappe geschlossen (ZU). Unter bestimmten Bedingungen kann die Regelung auch eingefroren werden (Regelungs-Stopp).

Zwangssteuerung über Signaleingang Y

Durch passende Beschaltung am Signaleingang Y können die Zwangssteuerungen entsprechend der Anschlussbilder durch Beschaltung mit externen Schaltkontakten/Relais aktiviert werden. OFFEN und ZU stehen nur bei einer Versorgung des Reglers mit Wechselspannung (AC) zur Verfügung. Im Signalspannungsbereich 2 – 10 V kann durch Beschaltung des Eingangs Y mit GND die Druckregelung eingefroren werden (Stopp).

Zwangssteuerung ZU durch Führungssignal Y

  • Bei Signalspannungsbereich 0 – 10 V DC: ZU wird aktiviert, wenn Pmin = 0 eingestellt und Führungssignal Y < 0,5 V DC ist
  • Bei Signalspannungsbereich 2 – 10 V DC: ZU wird aktiviert, wenn Führungssignal Y < 0,8 V (*1) DC ist (*1) 0,8V = werkseitige Einstellung


Zwangssteuerung für Diagnosezwecke

  • Zu Testzwecken kann die Zwangssteuerung auch über die Servicetools (Einstellgerät, PC-Software) aktiviert werden


Priorisierung der verschiedenen Vorgabemöglichkeiten

  • Hohe Priorität: Vorgaben über den Servicestecker (Einstellgerät, PC-Software) zu Testzwecken
  • Niedrige Priorität: Vorgaben über Beschaltung am Y-Signaleingang des Reglers


Inbetriebnahme

  • Einstellarbeiten sind nicht erforderlich
  • Aufgrund der werkseitig eingestellten Kanaldruckeinstellungen ist stets darauf zu achten, dass der Einbau der Regelgeräte nur an den vorgesehenen Stellen erfolgt
  • Regelgerät in den zu regulierenden Kanalbereich einbauen
  • Druckentnahmestelle für Kanaldruck einrichten

Bei Zuluft:

  • Plus-Anschluss des Reglers am zu regelnden Kanal anschließen
  • Minus-Anschluss des Regler offen lassen

Bei Abluft:

  • Plus-Anschluss des Reglers offen lassen
  • Minus-Anschluss des Reglers an zu regelnden Kanal anschließen

  • Der Kanalanschluss muss immer an der Ventilator abgewandten Seite erfolgen
  • Kanaldruckregelbereiche gemäß technischer Daten beachten
  • Elektrische Verdrahtung herstellen
  • Anschließend ist der Regler betriebsbereit

Technische Daten

  • TECHNISCHE DATEN
Compactregler XF0, 227P-024-15-DS6, Stellantrieb 227P-024-15-DS6 Compactregler XF0, 227P-024-15-DS6, Stellantrieb 227P-024-15-DS6

Compactregler für VVS-Regelgeräte

VVS-Regelgeräte

Typ

Artikelnummer

TVR, TVJ, TVT, TZ-Silenzio, TA-Silenzio, TVZ, TVA, TVRK

227P-024-15-DS6

A00000038356


 Compactregler XF0, 227P-024-15-DS6

Versorgungsspannung (Wechselspannung)24 V AC ± 20 %, 50/60 Hz
Versorgungsspannung (Gleichspannung)24 V DC ± 20 %
Anschlussleistung (Wechselspannung)max. 5 VA
Anschlussleistung (Gleichspannung)max. 2,5 W
Nenndruckbereich0 – 600 Pa
Druckregelbereich25 – 550 Pa
Drehmoment

15 Nm

Eingang Sollwertsignal

0 – 10V DC, Ra > 100 kΩ oder 2 – 10V DC,
Ra > 50 kΩ

Ausgang Istwertsignal

0 – 10V DC oder 2 – 10V DC,
max. 0,5 mA

SchutzklasseIII (Schutzkleinspannung)
SchutzgradIP 42
EG-KonformitätEMV nach 2014/30/EU

Downloads

Produktinfos

Zertifikate

production {"x-frame-options"=>"SAMEORIGIN", "x-xss-protection"=>"0", "x-content-type-options"=>"nosniff", "x-permitted-cross-domain-policies"=>"none", "referrer-policy"=>"strict-origin-when-cross-origin", "strict-transport-security"=>"max-age=31536000; includeSubDomains", "content-type"=>"text/html; charset=utf-8", "link"=>"</assets/application-1efef774f4daddb2a10510120c01b6514216bb473627ae8d204a28c1fa9bac5a.css>; rel=preload; as=style; nopush,</assets/print-fec2e47d6d8dcc5d4c101139f17046ba981ca1c12f71e7e403fba50cc7584175.css>; rel=preload; as=style; nopush,</assets/other_js/modernizr.custom.93544-c26374a79d804901074bb4aa6fd3fa44ea22e840389915d2adce16b024021ef3.js>; rel=preload; as=script; nopush,</assets/other_js/js.cookie.min-de103d86d1919b40950f791699b4ce768137fde41af09b35ff92bde369732183.js>; rel=preload; as=script; nopush,</assets/other_js/jquery-3.5.1-2c4ce18a1a3f144c333912efc24a76c9a165a0dba9f88a499985df1af0a196a2.js>; rel=preload; as=script; nopush"}

Seite teilen

Diese Seite weiterempfehlen

Hier haben Sie die Möglichkeit diese Seite als Link weiter zu empfehlen.

Mit Stern (*) markierte Felder sind Pflichtfelder.

Kontakt

Vielen dank für Ihre Nachricht!

Ihre Empfehlung wurde verschickt und sollte jeden Moment beim Empfänger eingehen.

Kontakt

Wir sind für Sie da

Bitte spezifizieren Sie das Thema Ihrer Anfrage und Ihre Kontaktdaten.
Tel.: +49 (0)2845 / 202-0 | Fax: +49 (0)2845/202-265

Anhang (max. 10MB)

Mit Stern (*) markierte Felder sind Pflichtfelder.

Kontakt

Vielen Dank für Ihre Nachricht!

Ihre Nachricht in ist unserem Service Center eingegangen und wird bearbeitet.
Unsere Abteilung für Service-Anfragen wird sich in Kürze mit Ihnen in Verbindung setzten.
Für allgemeine Fragen zu Produkten und Services erreichen Sie uns auch unter:
Tel.: +49 (0)2845 / 202-0 | Fax: +49 (0)2845/202-265

Kontakt

Wir sind für Sie da

Bitte spezifizieren Sie das Thema Ihrer Anfrage und Ihre Kontaktdaten.
Tel.: +49 (0)2845 / 202-0 | Fax: +49 (0)2845/202-265

Anhang (max. 10MB)

Mit Stern (*) markierte Felder sind Pflichtfelder.

Kontakt

Vielen Dank für Ihre Nachricht!

Ihre Nachricht in ist unserem Service Center eingegangen und wird bearbeitet.
Unsere Abteilung für Service-Anfragen wird sich in Kürze mit Ihnen in Verbindung setzten.
Für allgemeine Fragen zu Produkten und Services erreichen Sie uns auch unter:
Tel.: +49 (0)2845 / 202-0 | Fax: +49 (0)2845/202-265