00255533_0

SCHOOLAIR-B-HE


00132715_0

Geprüft nach VDI 6022


00136287_0

Justierfuß


00249013_0

Filterdeckel


00249008_0

Wasseranschluss


00259356_0

Kreuz-Gegenstrom Wärmerückgewinner


00255533_0
00132715_0
00136287_0
00249013_0
00249008_0
00259356_0

Serie SCHOOLAIR-B

Zu- und Abluftgerät mit Umschaltmöglichkeit auf Sekundärluftbetrieb, inklusive Wärmerückgewinner und Wärmeübertrager zum Einbau vor der Brüstung

Anschlussfertiges dezentrales Lüftungsgerät zur komfortablen Raumtemperierung und Be- und Entlüftung von Räumen wie z. B. Unterrichtsräumen

  • Akustisch optimierte EC-Ventilatoren mit niedriger spezifischer Ventilatorleistung, nach EN 13779 SFP = 1
  • Plattenwärmeübertrager als Wärmerückgewinner (Luft/Luft) mit elektro-motorisch angetriebenem Bypass
  • Hocheffizienter Wärmeübertrager zum Heizen und Kühlen als 2- oder 4-Leiter-System
  • Ganzjährige Wärmerückgewinnung möglich
  • Reduzierung der Feinstaub- und Pollenbelastung durch integrierte Luftfilter gemäß VDI 6022 – Filterklasse Außenluft F7 und Abluft G3
  • Werkzeugloser Filterwechsel
  • Kondensatwanne mit vorbereitetem Kondensatanschluss
  • Motorisierte Absperrklappen, stromlos geschlossen
  • Montage während des Schulbetriebs möglich


Optionale Ausstattung und Zubehör

  • Speziell auf dezentrale Lüftungsgeräte ausgelegte und modular aufgebaute Regelung FSL-CONTROL II
  • Bedarfsabhängige Außenluftmenge und abhängig vom Regelkonzept sind freie Kühlung und Nachtauskühlung möglich
  • Verschiedene Befestigungsmöglichkeiten für die Montage auf dem Boden bzw. an der Brüstung
  • Variable Wärmerückgewinnung
  • Pulverbeschichtung nach RAL 9005 (schwarz)

Anwendung

Anwendung

  • Be- und Entlüftung von Räumen, bis ca. 6 m Raumtiefe
  • 2- oder 4-Leiter-Wärmeübertrager ermöglichen eine komfortable Raumtemperierung
  • Luftströmung im Raum nach Misch-Quellluft-Prinzip
  • Energetische Vorteile von Wasser als Medium zum Heizen und Kühlen werden genutzt
  • Für Neubau-, Sanierungs- und Revitalisierungsprojekte geeignet
  • Einbau vor der Brüstung
  • Typische Einsatzfälle: Unterrichts- und Aufenthaltsräume in Schulen und Kindertagesstätten, Besprechungsräume, Büroräume mit hohen Luftwechselraten

Besondere Merkmale

  • Dezentrales Lüftungsgerät mit hohen Volumenströmen
  • Motorisierte Absperrklappen für Außen- und Fortluft, stromlos geschlossen, um unkontrollierte Luftströmungen und Verschleppung von Rauch zu verhindern
  • Bedarfsabhängige Be- und Entlüftung durch Überwachung der Raumluftqualität mit entsprechender Regelung möglich
  • Verwendung zur bedarfsabhängigen Lüftung
  • Ganzjährige rekuperative Wärmerückgewinnung mit motorisch betriebenem variablen Bypass
  • Wärmeübertrager als 2- oder 4-Leiter-System mit Überwürfen G½", flachdichtend
  • Entspricht den hygienischen Anforderungen der VDI 6022
  • Filterklasse: Außenluft F7 und Abluft G3
  • Werkzeugloser Filterwechsel mit Schnellverschlüssen
  • Kondensatwanne mit Kondensatanschluss
  • Durch die kompakte Bauweise für Sanierungsprojekte besonders gut geeignet

Nenngrößen

  • SCHOOLAIR-B: 1590 × 650 × 420 mm (B × H × T)
  • SCHOOLAIR-B-HE: 2090 × 750 × 420 mm (B × H × T)

Beschreibung

Varianten

  • SCHOOLAIR-B Volumenstrom: 150, 200, 250 und 320 m³/h mit Kreuzstrom-Plattenwärmerückgewinner
  • SCHOOLAIR-B-HE Volumenstrom: 200, 250, 300 und 400 m³/h mit Kreuzgegenstrom-Plattenwärmerückgewinner

Ausführung

  • Pulverbeschichtet RAL 9005, schwarz

Zubehör

  • Holz-Geräteverkleidung mit integrierten Lüftungsgittern für Zu- und Abluft

Ergänzende Produkte

  • Speziell auf dezentrale Lüftungsgeräte ausgelegtes modulares Regelsystem FSL-CONTROL II
  • Anschlussschläuche

Konstruktionsmerkmale

  • 2 energieeffiziente EC-Ventilatoren mit niedriger spezifischer Ventilatorleistung, nach EN 13779 SFP = 1
  • Außenluftvolumenstrom abhängig von der Gerätevariante bis zu 400 m³/h
  • Kreuz- bzw. Gegenstrom-Plattenwärmeübertrager
  • Motorisierte Absperrklappen für Außen- und Fortluft, stromlos geschlossen, um unkontrollierte Luftströmungen und Verschleppung von Rauch zu verhindern
  • Zuluft strömt im unteren Gerätebereich frontseitig nach dem Misch-Quellluft-Prinzip in den Raum
  • Abluft wird im oberen Gerätebereich abgesaugt

Materialien und Oberflächen

  • Gehäuse, Filterdeckel, Ventilatoren und Stellfüße aus verzinktem Stahlblech
  • Wärmeübertrager aus Kupferrohren und Aluminiumlamellen
  • Plattenwärmeübertrager (WRG) aus Aluminium
  • Gehäuse pulverbeschichtet, schwarz (RAL 9005)
  • F7-Filtermedium aus nassfestem Glasfaserpapier (Eurovent-zertifiziert)
  • Auskleidung mit Mineralwolle nach DIN 4102 Baustoffklasse A mit aufkaschiertem Glasseidengewebe vor Abrieb durch strömende Luft bis max. 20 m/s geschützt
  • Dichtbänder aus geschlossenporigem Material

Normen und Richtlinien

  • Fassadenlüftungsgeräte Serie SCHOOLAIR-B sind konform zur VDI 6035 und VDMA 24390
  • Hygienezertifikate nach VDI 6022
  • Heiz-/Kühlmedium entspricht der VDI 2035
  • Erfüllt alle Anforderungen der EU-Verordnung 1253/2014 (ErP-Richtlinie)

Instandhaltung

  • Es gilt die VDI 6022 Blatt 1 – Hygienische Anforderungen an raumlufttechnische Anlagen
  • Wärmeübertrager kann bei Bedarf mit Industriestaubsaugern abgesaugt werden
  • Reinigung ist mit haushaltsüblichen, nicht aggressiven Reinigern möglich

Technische Information

Funktion, Technische Daten, Schnellauslegung, Ausschreibungstext, Bestellschlüssel, Produktbeziehungen

  • Funktion
  • Technische Daten
  • Schnellauslegung
  • Ausschreibungstext
  • Bestellschlüssel

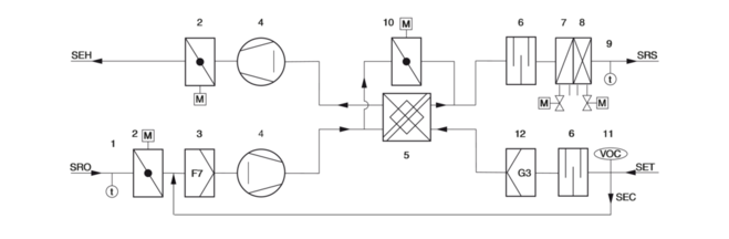
Funktionsbeschreibung

Dezentrale Zu- und Abluftgeräte be- und entlüften den Raum und decken die Kühl- und Heizlast ab.

Die Außenluft wird von einem EC-Radialventilator angesaugt und strömt durch die motorisierte Absperrklappe und den Filter, Klasse F7.

Nach dem Ventilator strömt die Außenluft durch den rekuperativen Wärmerückgewinner, der in energetisch sinnvollen Betriebssituationen über einen Bypass umgangen werden kann.

Bevor die Zuluft quellluftartig in den Raum strömt wird sie bei Bedarf im Wärmeübertrager noch geheizt bzw. gekühlt.

Die Abluft strömt zum Geräteschutz durch ein G3 Filter bevor sie durch den Wärmerückgewinner, den Abluftventilator und die motorisierte Absperrklappe als Fortluft ins Freie gefördert wird.

Zusätzlich kann bei guter Raumluftqualität auf reinen Sekundärluftbetrieb geschaltet werden.

Breite

1590 mm SCHOOLAIR-B, 2090 mm SCHOOLAIR-B-HE

Höhe

650 mm SCHOOLAIR-B, 750 mm SCHOOLAIR-B-HE

Tiefe

420 mm

Volumenstrom

150, 200, 250 m³/h (Boost 320 m³/h) bei SCHOOLAIR-B

Volumenstrom

150, 225, 300 m³/h (Boost 400 m³/h) bei SCHOOLAIR-B-HE

Kühlleistung

Bis 1750 W

Heizleistung

Bis 6500 W

Raumkühlleistung

Bis 1000 W

Raumheizleistung

Bis 1700 W

Schallleistungspegel

32 – 49 dB(A) (je nach Variante)

Maximaler Betriebsdruck wasserseitig

6 bar

Maximale Betriebstemperatur

75 °C

Versorgungsspannung

230 V AC ±10 %; 50/60 Hz

Gewicht

70 kg (SCHOOLAIR-B), 125 kg bei SCHOOLAIR-B-HE


SCHOOLAIR-B (Auslegungsbeispiele)

Zuluftvolumenstrom

m³/h

150

200

250

320

Außenluftvolumenstrom

m³/h

150

200

250

320

Gesamtkühlleistung

W

687

913

1130

1390

Raumkühlleistung

W

401

534

668

791

Temperatur der Luft im Gerät

°C

32

32

32

32

rel. Feuchte

%

40

40

40

40

Wassergehalt der tr. Luft

g/kg

11,9

11,9

11,9

11,9

Zulufttemperatur

°C

18

18

18

18,6

Kondensat

g/h

0

0

0

0

Kaltwassermenge

l/h

90

150

220

250

Wassereintrittstemperatur

°C

16

16

16

16

Wasseraustrittstemperatur

°C

22,6

21,2

20,4

20,8

Druckverlust wasserseitig

kPa

<3

<3

<3

<5

Gesamtheizleistung

W

2910

3780

4660

5810

Raumheizleistung

W

972

1202

1445

1721

Temperatur der Luft im Gerät

°C

–12

–12

–12

–12

Zulufttemperatur

°C

39,4

38,0

37,3

36,1

Warmwassermenge

l/h

70

100

140

200

Wassereintrittstemperatur

°C

60

60

60

60

Wasseraustrittstemperatur

°C

24

27,3

31,2

34,8

Druckverlust wasserseitig

kPa

<3

<3

<3

<5

Schallleistungspegel LWA

dB(A)

29

34

38

43

Schalldruckpegel inkl. 8 dB Systemdämpfung

dB(A)

21

26

30

35


SCHOOLAIR-B-HE (Auslegungsbeispiele)

Zuluftvolumenstrom

m³/h

150

225

300

400

Heizleistung (WRG nicht berücksichitigt)

W

2920

4060

5310

6530

interne Heizleistung

W

927

1105

1383

1363

Temperatur der Luft im Gerät

°C

-12

-12

-12

-12

Zulufttemperatur

°C

39,5

35,7

34,8

31,2

Warmwassermenge

l/h

80

120

200

250

Wassereintrittstemperatur

°C

60

60

60

60

Wasseraustrittstemperatur

°C

28,4

30,7

37,0

37,3

Druckverlust wasserseitig

kPa

<3

<4

<15

<22

Schallleistungspegel LWA

dB(A)

33

40

44

49

Schalldruckpegel inkl. 8 dB Systemdämpfung

dB(A)

25

32

36

41



Dezentrales Lüftungsgerät mit Zu- und Abluftfunktion, Umschaltmöglichkeit auf Sekundärluftbetrieb (luftqualitätsabhängig), mit Wärmeübertrager und Wärmerückgewinnung vor der Brüstung, unterhalb der Fensterbank.

Besondere Merkmale

  • Dezentrales Lüftungsgerät mit hohen Volumenströmen
  • Motorisierte Absperrklappen für Außen- und Fortluft, stromlos geschlossen, um unkontrollierte Luftströmungen und Verschleppung von Rauch zu verhindern
  • Bedarfsabhängige Be- und Entlüftung durch Überwachung der Raumluftqualität mit entsprechender Regelung möglich
  • Verwendung zur bedarfsabhängigen Lüftung
  • Ganzjährige rekuperative Wärmerückgewinnung mit motorisch betriebenem variablen Bypass
  • Wärmeübertrager als 2- oder 4-Leiter-System mit Überwürfen G½", flachdichtend
  • Entspricht den hygienischen Anforderungen der VDI 6022
  • Filterklasse: Außenluft F7 und Abluft G3
  • Werkzeugloser Filterwechsel mit Schnellverschlüssen
  • Kondensatwanne mit Kondensatanschluss
  • Durch die kompakte Bauweise für Sanierungsprojekte besonders gut geeignet

Materialien und Oberflächen

  • Gehäuse, Filterdeckel, Ventilatoren und Stellfüße aus verzinktem Stahlblech
  • Wärmeübertrager aus Kupferrohren und Aluminiumlamellen
  • Plattenwärmeübertrager (WRG) aus Aluminium
  • Gehäuse pulverbeschichtet, schwarz (RAL 9005)
  • F7-Filtermedium aus nassfestem Glasfaserpapier (Eurovent-zertifiziert)
  • Auskleidung mit Mineralwolle nach DIN 4102 Baustoffklasse A mit aufkaschiertem Glasseidengewebe vor Abrieb durch strömende Luft bis max. 20 m/s geschützt
  • Dichtbänder aus geschlossenporigem Material

Ausführung

  • Pulverbeschichtet RAL 9005, schwarz

Technische Daten

  • Breite: 1590 mm SCHOOLAIR-B, 2090 mm SCHOOLAIR-B-HE
  • Höhe: 650 mm SCHOOLAIR-B, 750 mm SCHOOLAIR-B-HE
  • Tiefe: 420 mm
  • Volumenstrom: 150, 200, 250 m³/h (Boost 320 m³/h) bei SCHOOLAIR-B
  • Volumenstrom: 150, 225, 300 m³/h (Boost 400 m³/h) bei SCHOOLAIR-B-HE
  • Kühlleistung: Bis 1750 W
  • Heizleistung: Bis 6500 W
  • Raumkühlleistung: Bis 1000 W
  • Raumheizleistung: Bis 1700 W
  • Schallleistungspegel: 32 – 49 dB(A) (je nach Variante)
  • Maximaler Betriebsdruck: 6 bar
  • Maximale Betriebstemperatur: 75 °C
  • Versorgungsspannung: 230 V AC ±10 %; 50/60 Hz
  • Gewicht: 70 kg (SCHOOLAIR-B), 125 kg bei SCHOOLAIR-B-HE
  • Elektrische Dimensionierung: 116 VA (SCHOOLAIR-B), 236 VA (SCHOOLAIR-B-HE)
  • Leistungsaufnahme: Boost-Stufe: 52 W (SCHOOLAIR-B), 138 W (SCHOOLAIR-B-HE), Mittlere Drehzahl: 38 W (SCHOOLAIR-B), 75 W (SCHOOLAIR-B-HE) (Nennvolumenstrom)

Auslegungsdaten

Aussenluft

  • V_________________[m³/h]

Zuluft

  • V_________________[m³/h]

Raumkühlleistung

  • Q_________________[W]

Raumheizleistung

  • Q_________________[W]


  • LWA_______________[dB(A)]

00248396_0

 Serie
SCHOOLAIR-B       Brüstungsgerät

 Variante
       Keine Eintragung: Standard
HE       Hoher Wärmerückgewinnungsgrad

 Wärmeübertrager
2       2-Leiter
4       4-Leiter

 Kondensatwanne
       Keine Eintragung: Ohne
KM       Mit Kondensatanschluss

 Abmessungen [mm]
       B × H × T
1590 × 650 × 420 (SCHOOLAIR-B)
2090 × 750 × 420 (SCHOOLAIR-B-HE)

 Regelung
       Keine Eintragung: Ohne
R       Mit

 Regelungsfunktion
MA       Master (Raummodul und Regelmodul)
SL       Slave (Regelmodul)

 Echtzeituhr
       Keine Eintragung: Ohne
       Nur Master
T       Mit

 Schnittstelle
       Keine Eintragung: Ohne
       Nur Master
B       BACnet MS/TP oder Modbus RTU
L       LonWorks LON-FTT10

 

 Luftqualitätsfühler
       Keine Eintragung: Ohne
       Nur Master
V       VOC-Sensor

 Zulufttemperaturfühler
Z       Mit

 Außenlufttemperaturfühler
       Keine Eintragung: Ohne
       Nur Master
A       Mit

 Heizventil
HV       Mit

 Rücklaufverschraubung Heizkreis
R       Mit

 kVS-Wert Heizventil
0,25
0,40
0,63
1,00
F0,50

 Kühlventil
       Nur Vierleiter-Systeme
KV       Mit

 Rücklaufverschraubung Kühlkreis
R       Mit

 kVS-Wert Kühlventil
0,25
0,40
0,63
1,00
F0,50

Dezentrale Lüftungsgeräte sind technisch hochwertige Produkte, die viele Möglichkeiten bei der Gerätekonfektionierung bieten. Zur detaillierten Klärung der Gerätespezifikation für Ihren Einsatzfall wenden Sie sich bitte an eine TROX Niederlassung.

 

Varianten, Abmessungen und Gewichte

  • Varianten
  • Abmessungen und Gewichte

Einbaubeispiele, Einbaudetails, Grundlagen und Definitionen

  • Einbaubeispiele
  • Einbaudetails
  • Grundlagen und Definitionen

Einbau und Inbetriebnahme

  • Aufstellung auf dem Fußboden vor der Brüstung
  • Ausgleich von Rohbautoleranzen über die 4 Justierfüße (+40 mm)
  • 2 seitliche Befestigungswinkel zur Verschraubung mit dem Baukörper
  • Verbindung zur Außenluftansaugung bzw. Fortluftausblasung erfolgt über zwei kundenseitig, in der Fassade bzw. Außenwand vorgesehene Lüftungsöffnungen, empfohlenerweise mit Gefälle nach außen
  • Witterungsschutz der Außen- und Fortluftöffnung erfolgt als kundenseitige Leistung
  • Einbau und Erstellung aller Anschlüsse und Lieferung des Befestigungs-, Verbindungs- und Dichtungsmaterials erfolgen kundenseitig
  • Wasseranschlüsse für Vor- und Rücklauf befinden sich, vom Raum aus gesehen, auf der rechten Geräteseite
  • Kundenseitig ist auf die Möglichkeit zur Entleerung und Entlüftung zu achten
  • Elektroanschluss befindet sich, vom Raum aus gesehen, auf der linken Geräteseite
  • Wir empfehlen eine Anbindung an das bauseitige Rohrnetz mit flexiblen Schläuchen, um den Wärmeübertrager zur Reinigung leicht entnehmen zu können
  • Die bauseitige Brüstungsverkleidung darf auf der Gerätevorderseite Wartungsarbeiten sowie Gerätemontage bzw. -demontage nicht einschränken

Definitionen

LWA [dB(A)]

Schallleistungspegel

tPr [°C]

Primärlufttemperatur

tWV [C°]

Wasservorlauftemperatur kühlen/heizen

tR [C°]

Raumtemperatur

tAN [C°]

Ansaugtemperatur der Sekundärluft

QPr [W]

Thermische Leistung Primärluft

Qges [W]

Thermische Leistung gesamt

QW [W]

Thermische Leistung Wasser kühlen/heizen

VPr [l/s/m³/h]

Primärluftvolumenstrom

VW [l/h]

Wasservolumenstrom kühlen/heizen

V [l/h]

Volumenstrom

∆tW [K]

Temperaturdifferenz Wasser

∆pW [kPa]

Wasserseitiger Druckverlust

∆pt [Pa]

Gesamtdruckverlust luftseitig

∆tPr = tPr - tR [K]

Temperaturdifferenz zwischen Primärlufttemperatur und Raumtemperatur

∆tRWV = tWV - tR [K]

Temperaturdifferenz zwischen Wasservorlauf und Raumtemperatur

∆tWm-Ref [K]

Temperaturdifferenz mittlere Wassertemperatur und Referenztemperatur

Hauptabmessungen

LN [mm]

Nennlänge

Misch-Quelllüftung

Die Zuluft strömt mit mittlerer Geschwindigkeit von 1,0 – 1,5 m/s fassadennah in den Raum. Durch die Induktionswirkung werden die Geschwindigkeiten bereits kurz nach dem Lufteintritt in den Raum abgebaut, so dass sich die Zuluft im Kühlfall über die gesamte Bodenfläche quellluftartig ausbreitet. An Wärmequellen wie Menschen und Geräten bildet sich durch natürliche Konvektion eine Auftriebsströmung, so dass primär in diesen Bereichen die Luft ausgetauscht wird.

Wärmeübertrager

Der maximale wasserseitige Betriebsdruck für alle Wärmeübertrager beträgt 6 bar.

Die maximale Wasservorlauftemperatur (Heizkreis) für alle Wärmeübertrager beträgt 75 °C, beim Anschluss mit flexiblen Schläuchen empfehlen wir die Vorlauftemperatur auf 55 °C zu begrenzen. Andere Drücke und Temperaturen auf Anfrage!

Die minimale Wasservorlauftemperatur (Kühlkreislauf) empfehlen wir auf 16 °C zu begrenzen, damit keine dauerhafte Taupunktunterschreitung erfolgt. Bei Geräten mit Kondensatwanne kann die Wasservorlauftemperatur auf 15 °C reduziert werden.

Wärmeübertrager mit 2-Leiter-System

Luft-Wasser-Systeme mit 2-Leiter-Wärmeübertrager können zum Heizen oder Kühlen verwendet werden. Ein sogenannter Change-over-Betrieb ermöglicht es, das mit allen Geräten an einem Wasserkreislauf im Sommer nur gekühlt und im Winter nur geheizt werden kann.

Wärmeübertrager mit 4-Leiter-System

Luft-Wasser-Systeme mit 4-Leiter-Wärmeübertrager können zum Heizen und Kühlen flexibel verwendet werden. In der Übergangszeit kann es z. B. vorkommen, dass ein Büroraum morgens noch geheizt wird und am Nachmittag gekühlt werden muss.

Downloads

Produktinfos

Zertifikate

Betriebsanleitungen

Referenzen

BSZ - Dresden

  • Aufgabe
  • Lösung
  • Ergebnis

Höchste Anforderungen an Luftqualität und Energieeffizienz

Die Planung eines Neubaus für das berufliche Schulzentrum für Technik und Wirtschaft wurde bereits im November 2003 begonnen. Das U-förmige Gebäude, in dem 170 körperbehinderte Jungendliche unterrichtet werden, nimmt Bezug zu den bereits vorhandenen Gebäuden und bindet Grünanlagen und Bäume ein. 

Gefordert war ein Konzept, das nicht nur Energie spart, sondern auch die Lage der Schule in der Nähe des Dresdner Flughafens berücksichtigt. Der Fluglärm macht eine Belüftung der Klassenräume durch einfaches Öffnen der Fenster fast unmöglich, so dass eine mechanische Belüftung der Räume zwingend notwendig ist. Weiterhin sollte die Außenansicht der Fassade durch die Lüftungssysteme nicht beeinflusst werden. 

TROX SCHOOLAIR-H Brüstungsgeräte in allen Klassenräumen

Dezentrale Lüftungsgeräte der Serie TROX SCHOOLAIR-H wurden in allen Klassenräumen auf der Brüstung unter dem Fenster eingebaut. Durch die verdeckte Ansaugung der Luft unter der Außenfensterbank wird die Ansicht der Fassade nicht beeinflusst. Die gefilterte Luft strömt aus dem Lüftungsgerät auf die Heizkörper aus und kann so bei Bedarf aufgeheizt werden. Die Abluft wird durch ein Lüftungsgitter in der Innenfensterbank abgesaugt und durch den integrierten Wärmerückgewinner an die Außenluft abgegeben.
Die Geräte werden auch zur Nachtauskühlung in den Sommermonaten genutzt.
Eine Regelung der Lüftungsgeräte ist in den Vorbereitungsräumen durch das Lehrpersonal möglich.

Das optimale Lernklima

Die TROX SCHOOLAIR Systeme sorgen für optimales Lernklima: höhere Leistungs- und Konzentrationsfähigkeit der Schüler durch die geregelte Zufuhr von frischer Luft bei gleichzeitiger Abfuhr der verbrauchten, CO2-belasteten Luft, und störender Lärm bleibt draußen.
Die Ansicht der Fassade ist unbeeinträchtigt durch die verdeckte Außenluftansaugung, die harmonisch unter den Fenstern integriert ist.
Die integrierte Wärmerückgewinnung und die bedarfsgerechte Regelung sparen jede Menge Energie und damit Betriebskosten in beträchtlicher Höhe.

Einbaubeispiel SCHOOLAIR-B

slide_1
slide_2
slide_3

Seite teilen

Diese Seite weiterempfehlen

Hier haben Sie die Möglichkeit diese Seite als Link weiter zu empfehlen.

Mit Stern (*) markierte Felder sind Pflichtfelder.

Kontakt

Vielen dank für Ihre Nachricht!

Ihre Empfehlung wurde verschickt und sollte jeden Moment beim Empfänger eingehen.

Kontakt

Wir sind für Sie da

Visual contact Visual contact

Bitte spezifizieren Sie das Thema Ihrer Anfrage und Ihre Kontaktdaten.
Tel.: +49 (0)2845 / 202-0 | Fax: +49 (0)2845/202-265

Mit Stern (*) markierte Felder sind Pflichtfelder.

Kontakt

Vielen Dank für Ihre Nachricht!

Visual contact Visual contact

Ihre Nachricht in ist unserem Service Center eingegangen und wird bearbeitet.
Unsere Abteilung für Service-Anfragen wird sich in Kürze mit Ihnen in Verbindung setzten.
Für allgemeine Fragen zu Produkten und Services erreichen Sie uns auch unter:
Tel.: +49 (0)2845 / 202-0 | Fax: +49 (0)2845/202-265

Kontakt

Wir sind für Sie da

Visual contact Visual contact

Bitte spezifizieren Sie das Thema Ihrer Anfrage und Ihre Kontaktdaten.
Tel.: +49 (0)2845 / 202-0 | Fax: +49 (0)2845/202-265

Anhang (max. 10MB)

Mit Stern (*) markierte Felder sind Pflichtfelder.

Kontakt

Vielen Dank für Ihre Nachricht!

Visual contact Visual contact

Ihre Nachricht in ist unserem Service Center eingegangen und wird bearbeitet.
Unsere Abteilung für Service-Anfragen wird sich in Kürze mit Ihnen in Verbindung setzten.
Für allgemeine Fragen zu Produkten und Services erreichen Sie uns auch unter:
Tel.: +49 (0)2845 / 202-0 | Fax: +49 (0)2845/202-265